GM Service Manual Online
For 1990-2009 cars only
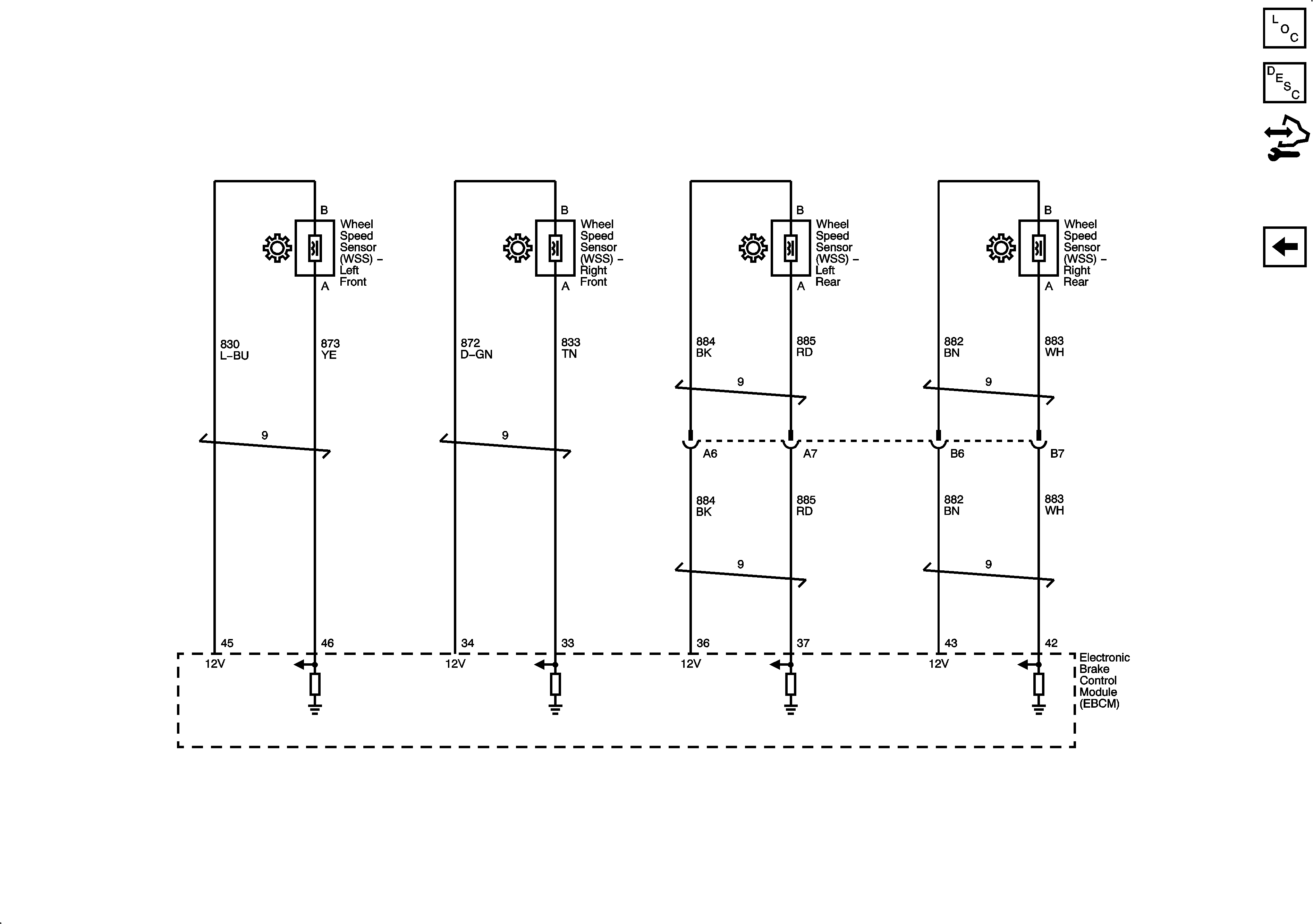
Figure 1:

Power, Ground, Serial Data, and Vehicle Inputs


Object Number: 2082761  Size: FS
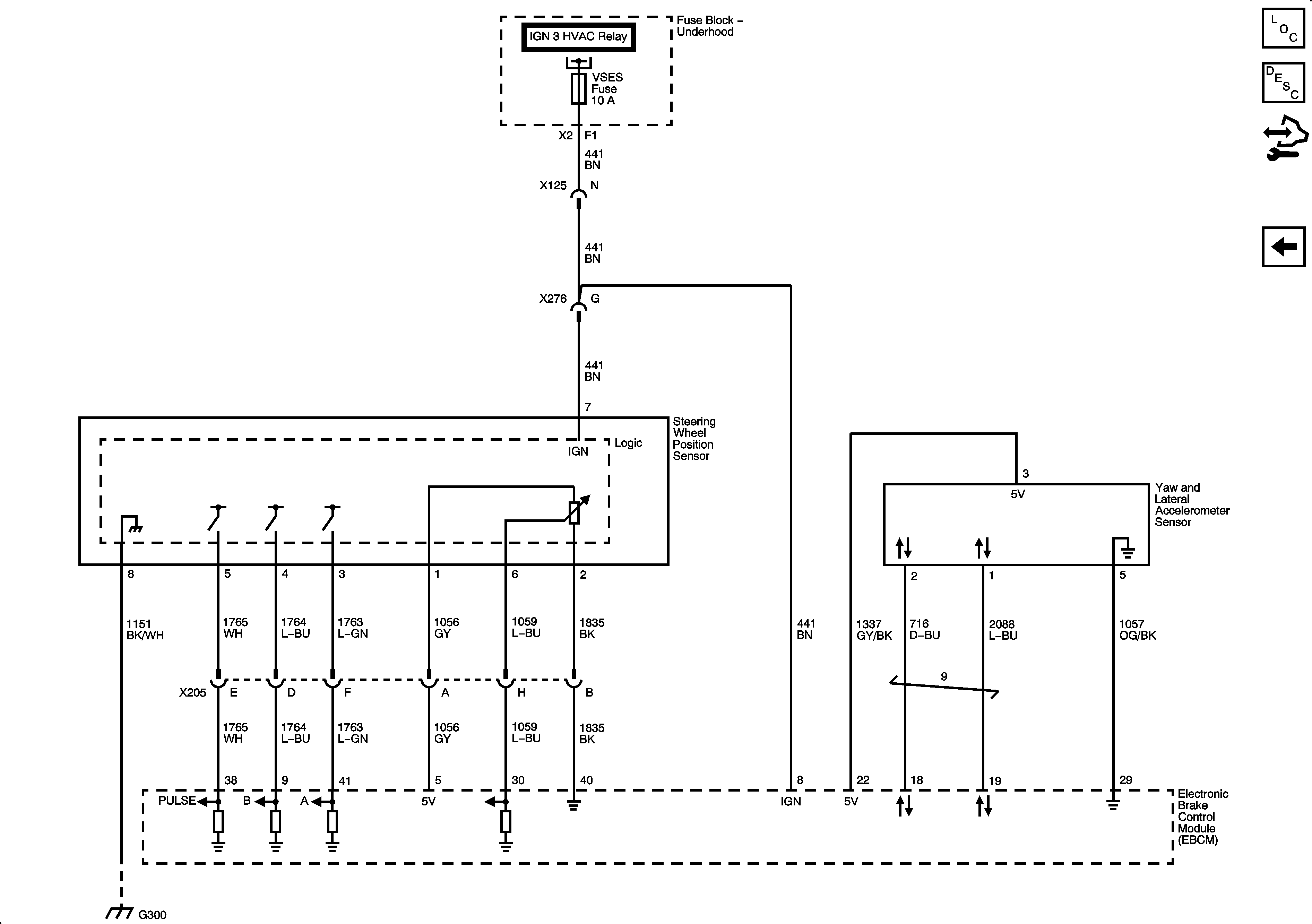
Figure 2:

Traction Control (NW7)


Object Number: 2082765  Size: FS
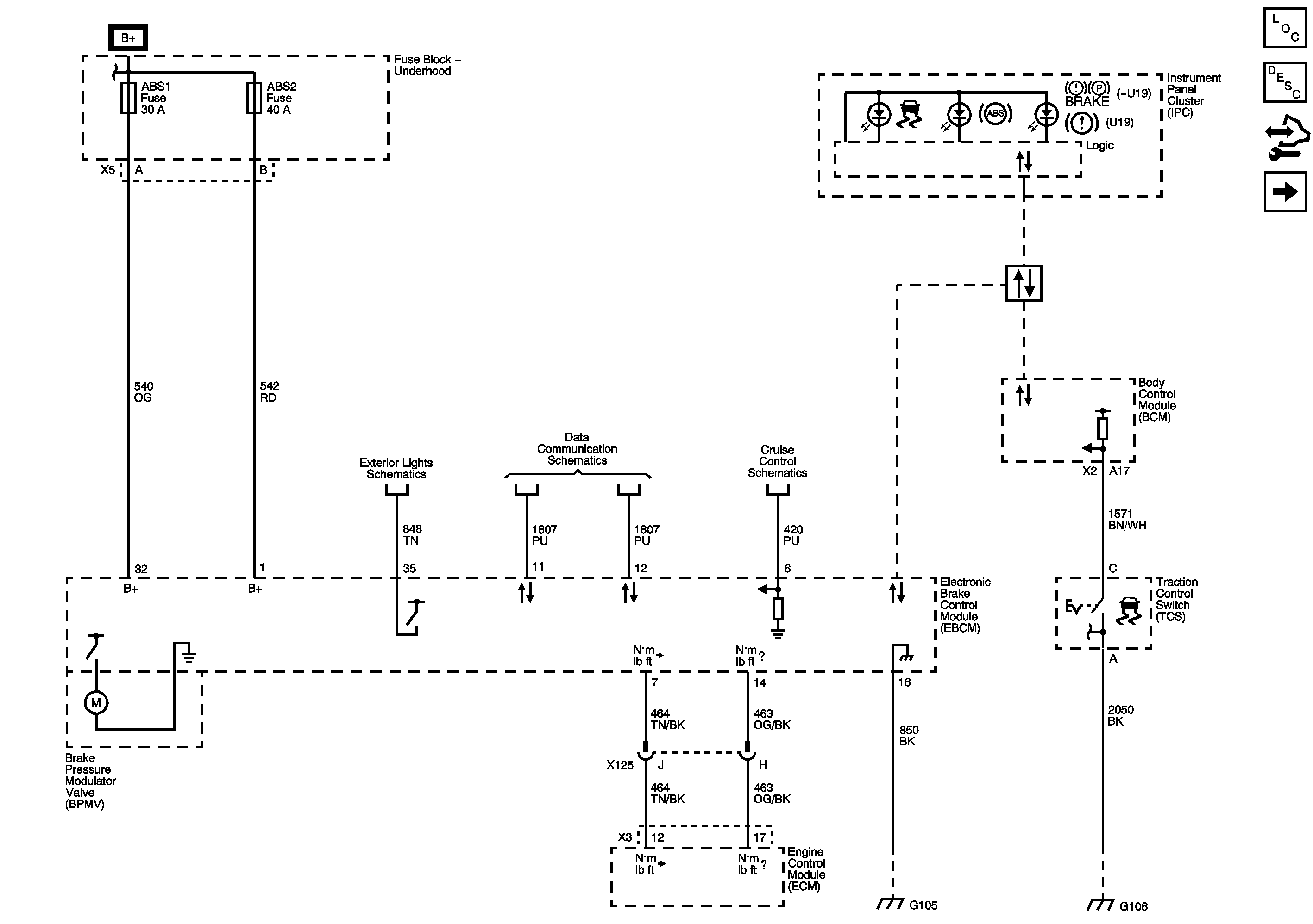
Figure 3:

Vehicle Stability - JL4


Object Number: 2139975  Size: FS