GM Service Manual Online
For 1990-2009 cars only
Makes
🢒
Isuzu
🢒
2009
🢒
I-370
🢒
Safety and Security
🢒
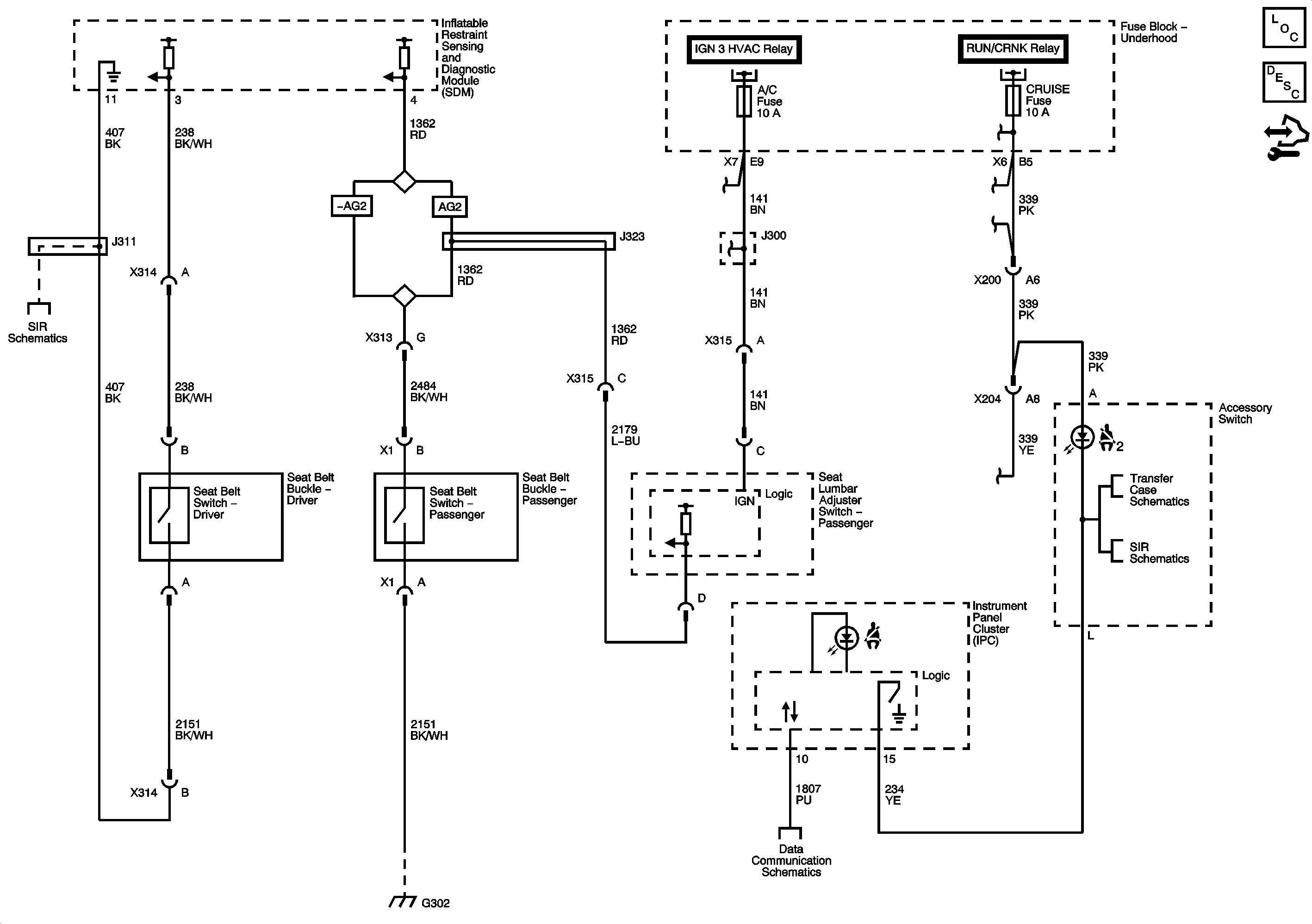
Seat Belts
🢒 Seat Belt Schematics