GM Service Manual Online
For 1990-2009 cars only
Makes
🢒
Isuzu
🢒
2009
🢒
I-370
🢒
Safety and Security
🢒
Theft Deterrent
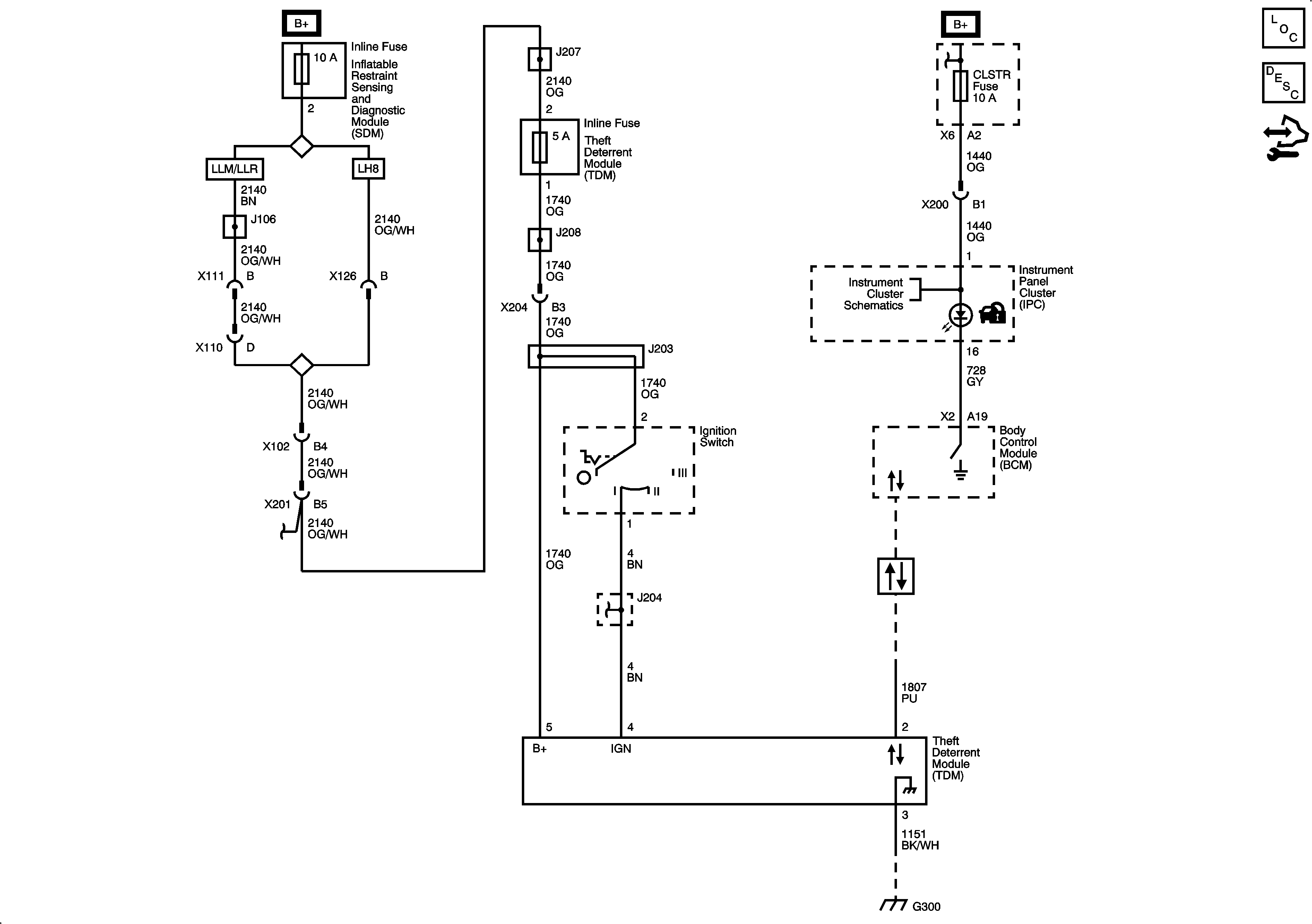
🢒 Theft Deterrent System Schematics