GM Service Manual Online
For 1990-2009 cars only
Makes
🢒
Isuzu
🢒
2009
🢒
I-370
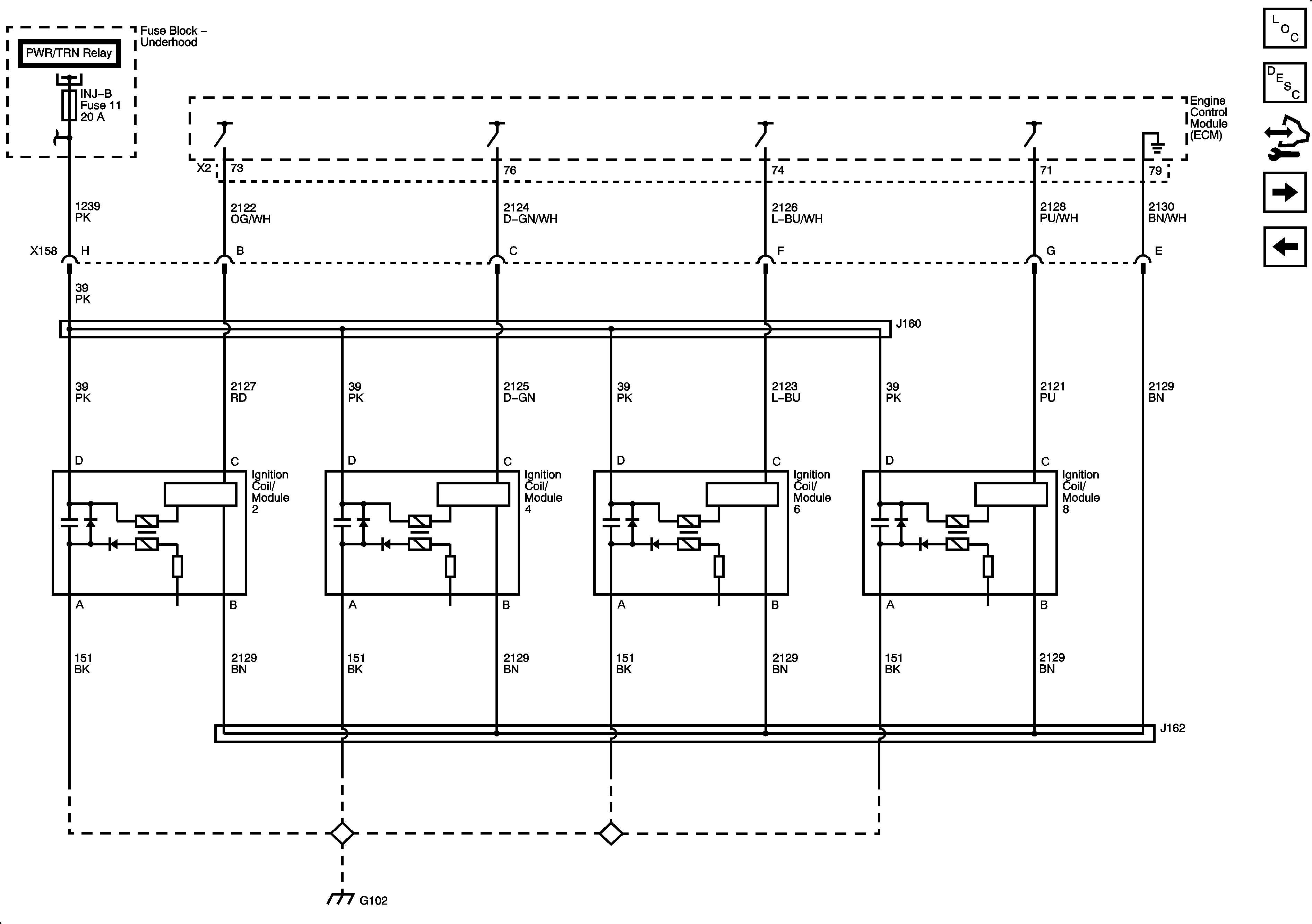
🢒 Ignition Controls - Ignition System Coils 2, 4, 6 and 8
Ignition Controls - Ignition System Coils 2, 4, 6 and 8
Ignition Controls - Ignition System Coils 2, 4, 6 and 8
Master Electrical Component List
Electronic Ignition (EI) System Description
Control Module References
Ignition Controls - Sensors
Ignition Controls - Ignition System Coils 1, 3, 5 and 7