GM Service Manual Online
For 1990-2009 cars only
Makes
🢒
Isuzu
🢒
2005
🢒
Isuzu H-Series
🢒
Engine
🢒
Engine Electrical
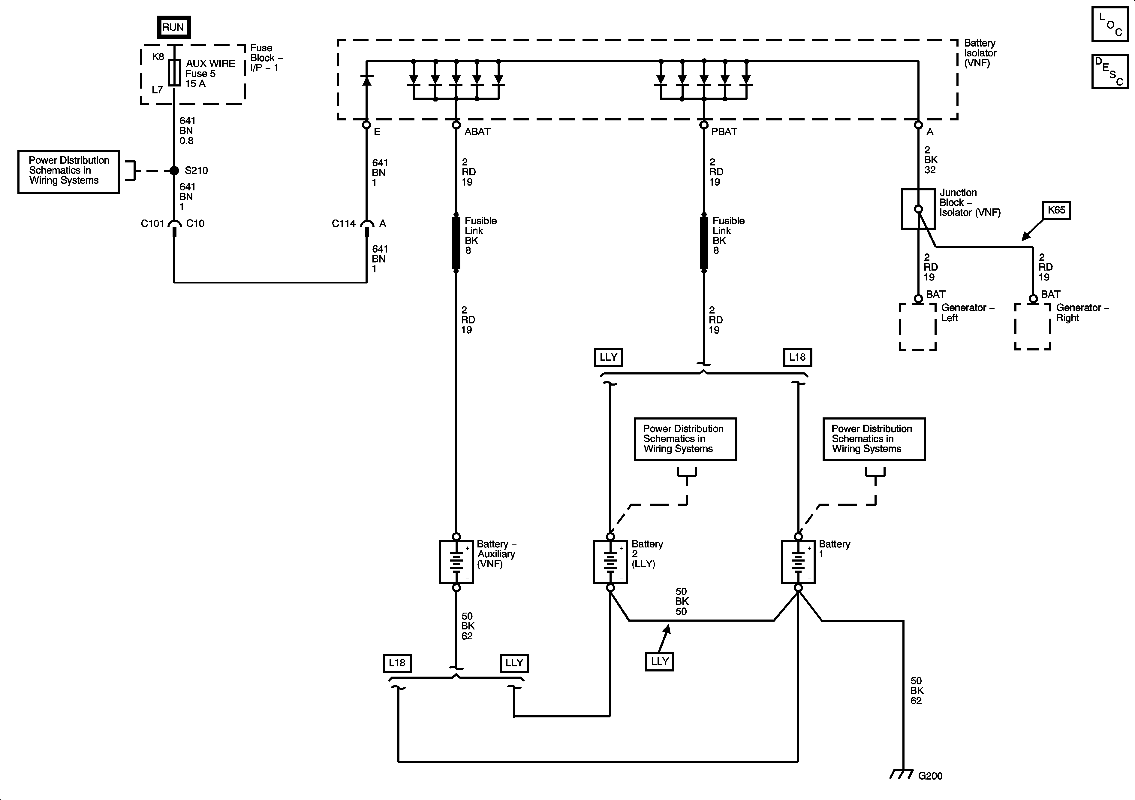
🢒 Auxiliary Battery Schematics
Master Electrical Component List
Battery Description and Operation
AUX RLY and IGN 4 - I/P Fuse Block Fuses/Circuit Breakers
B+ Bus
B+ Bus