GM Service Manual Online
For 1990-2009 cars only
Makes
🢒
Isuzu
🢒
2005
🢒
Isuzu H-Series
🢒 G203 - 2 of 4
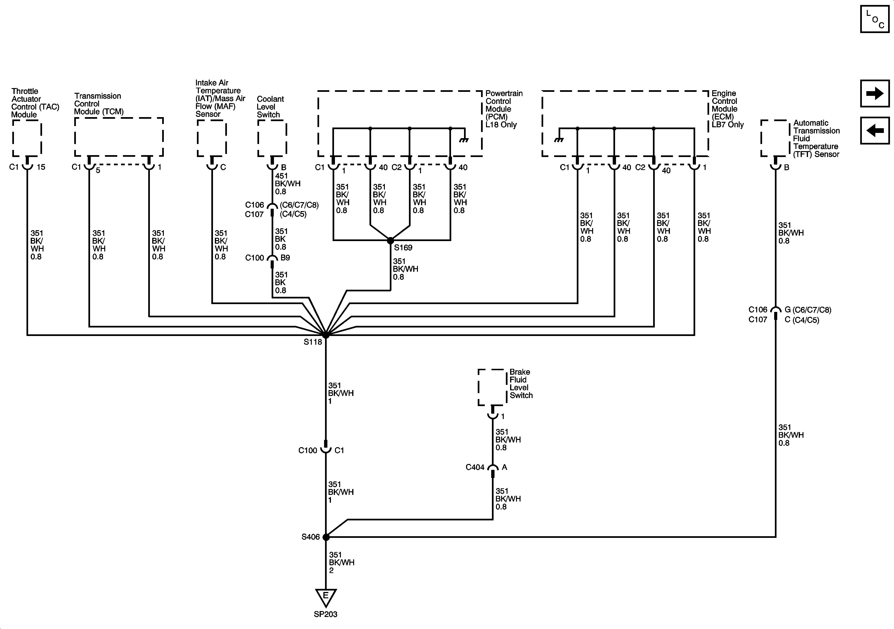
G203 - 2 of 4
G203 - 2 of 4
Master Electrical Component List
G203 - 3 of 4
G200, G202, and G203 - 1 of 4
G200, G202, and G203 - 1 of 4