GM Service Manual Online
For 1990-2009 cars only
Makes
🢒
Isuzu
🢒
2005
🢒
Isuzu H-Series
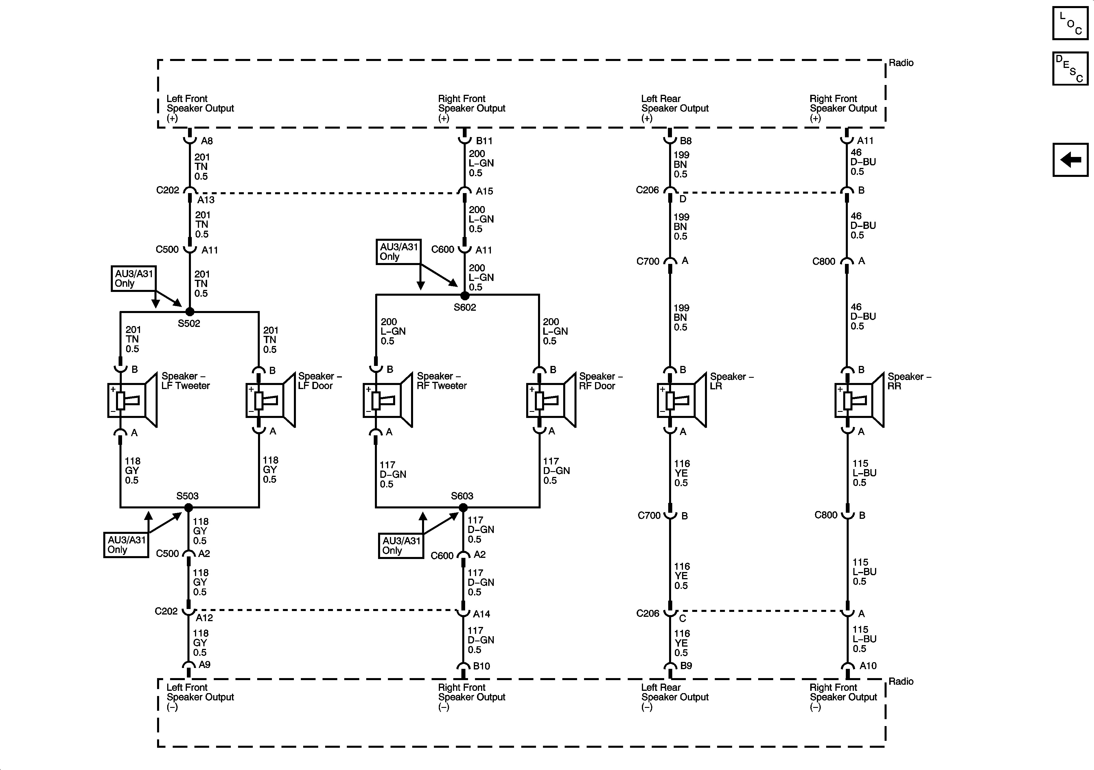
🢒 Speakers
Speakers
Speakers
Master Electrical Component List
Radio/Audio System Description and Operation
Radio