GM Service Manual Online
For 1990-2009 cars only
Makes
🢒
Isuzu
🢒
2005
🢒
Isuzu H-Series
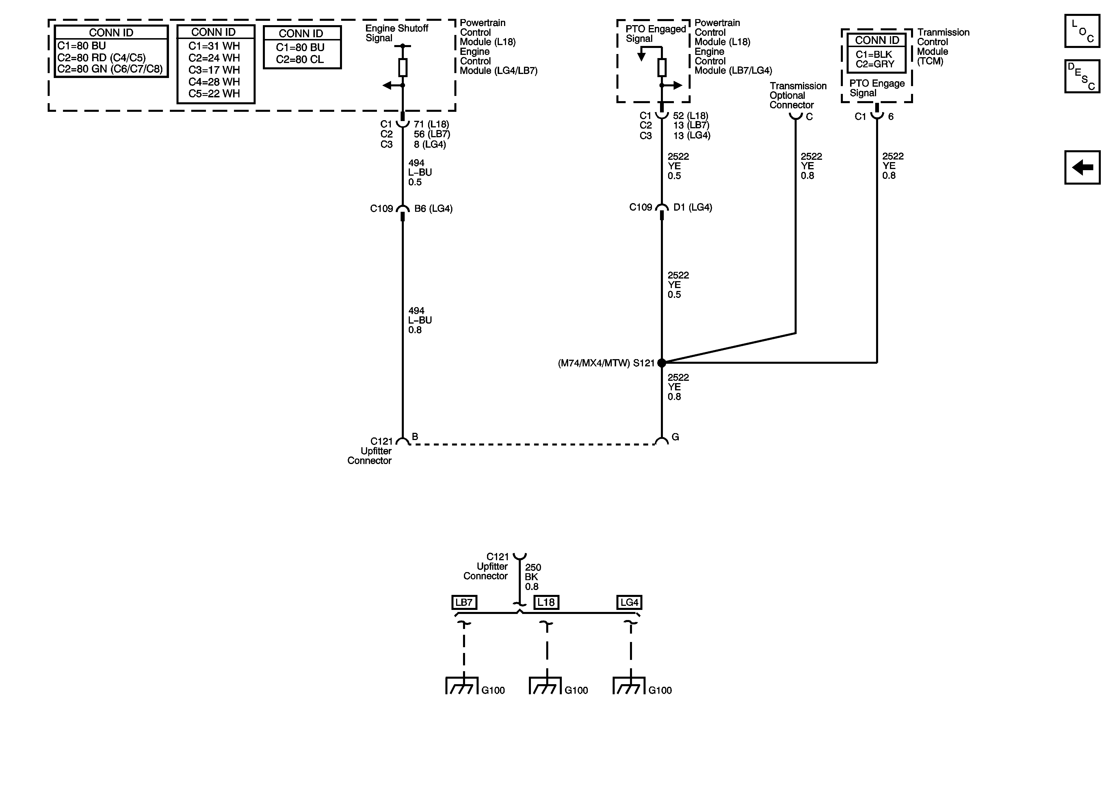
🢒 Power Takeoff (LG4/L18/LB7) - 2 of 2
Power Takeoff (LG4/L18/LB7) - 2 of 2
Power Takeoff - 2 of 2
Master Electrical Component List
Power Take-Off (PTO) Description and Operation
Power Takeoff (LG4/L18/LB7) - 1 of 2
G100 (LB7)
G100 (L18)
G100 (LG4)