GM Service Manual Online
For 1990-2009 cars only
Figure 1:

Starting System - LF6/LF8


Object Number: 1908995  Size: FS
Master Electrical Component List
Starting System Description and Operation (7.2L / 7.8L)
Control Module References
Charging System - LF6/LF8
STRTR Fuse/Circuit Breaker
Splice Pack SP203
Ignition Switch - OFF/RUN/START, RUN/START, and START Busses
Ignition Switch - OFF/RUN/START, RUN/START, and START Busses
G103 - 2 of 2
Figure 2:

Charging System - LF6/LF8


Object Number: 1909009  Size: FS
Master Electrical Component List
Charging System Description and Operation (7.2L / 7.8L)
Control Module References
Starting System L18/LMM
Starting System - LF6/LF8
G103 - 2 of 2
AIRBAG, GAGES, LT REAR TURN/STOP, and RT REAR TURN/STOP Fuses/Circuit Breakers
AIRBAG, GAGES, LT REAR TURN/STOP, and RT REAR TURN/STOP Fuses/Circuit Breakers
DIC
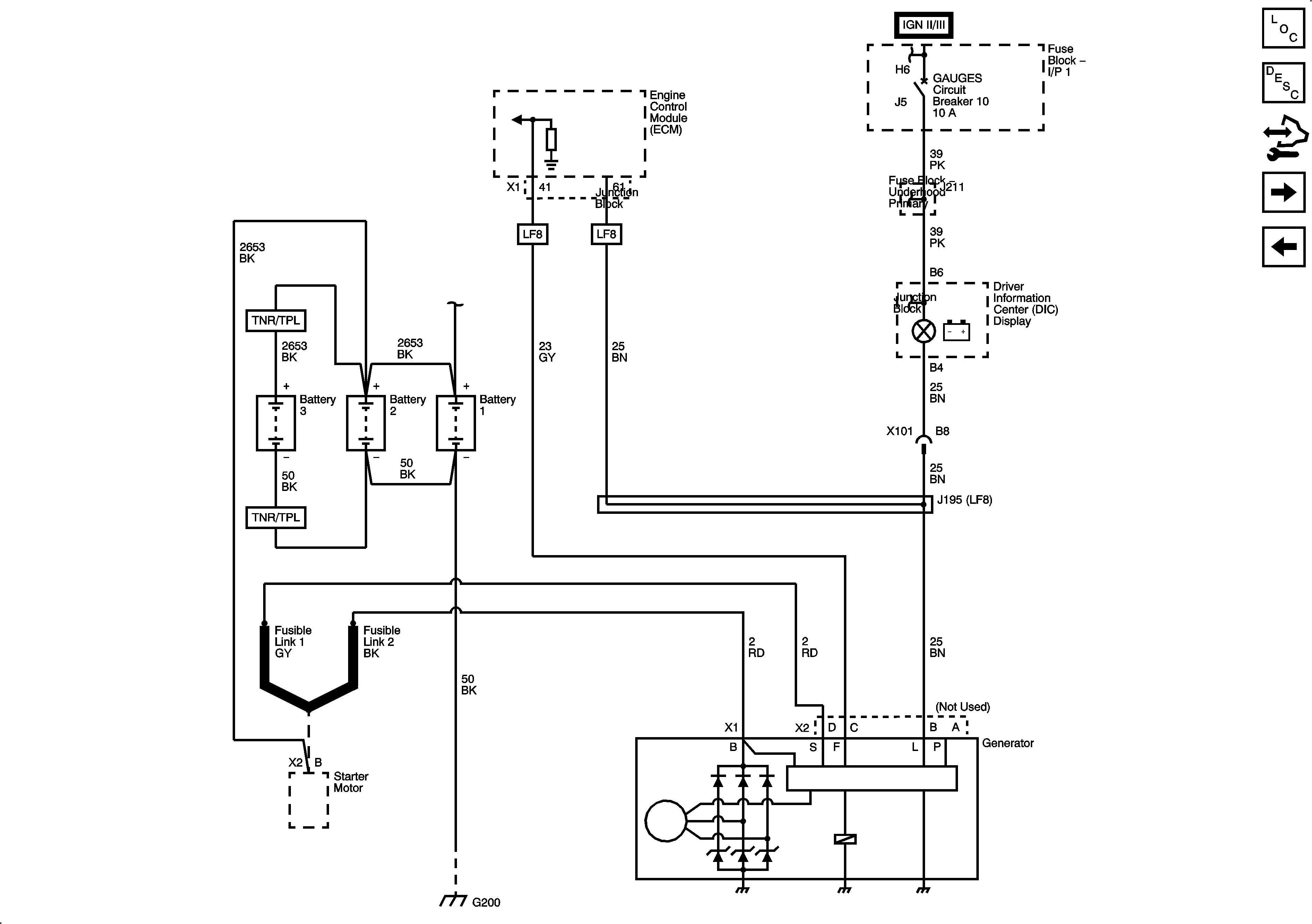
Figure 3:

Starting System L18/LMM


Object Number: 1909011  Size: FS
Master Electrical Component List
Starting System Description and Operation (6.6L / 8.1L)
Control Module References
Charging System L18/LMM
Charging System - LF6/LF8
STRTR Fuse/Circuit Breaker
Splice Pack SP203
Ignition Switch - OFF/RUN/START, RUN/START, and START Busses
Ignition Switch - OFF/RUN/START, RUN/START, and START Busses
G103 - 2 of 2
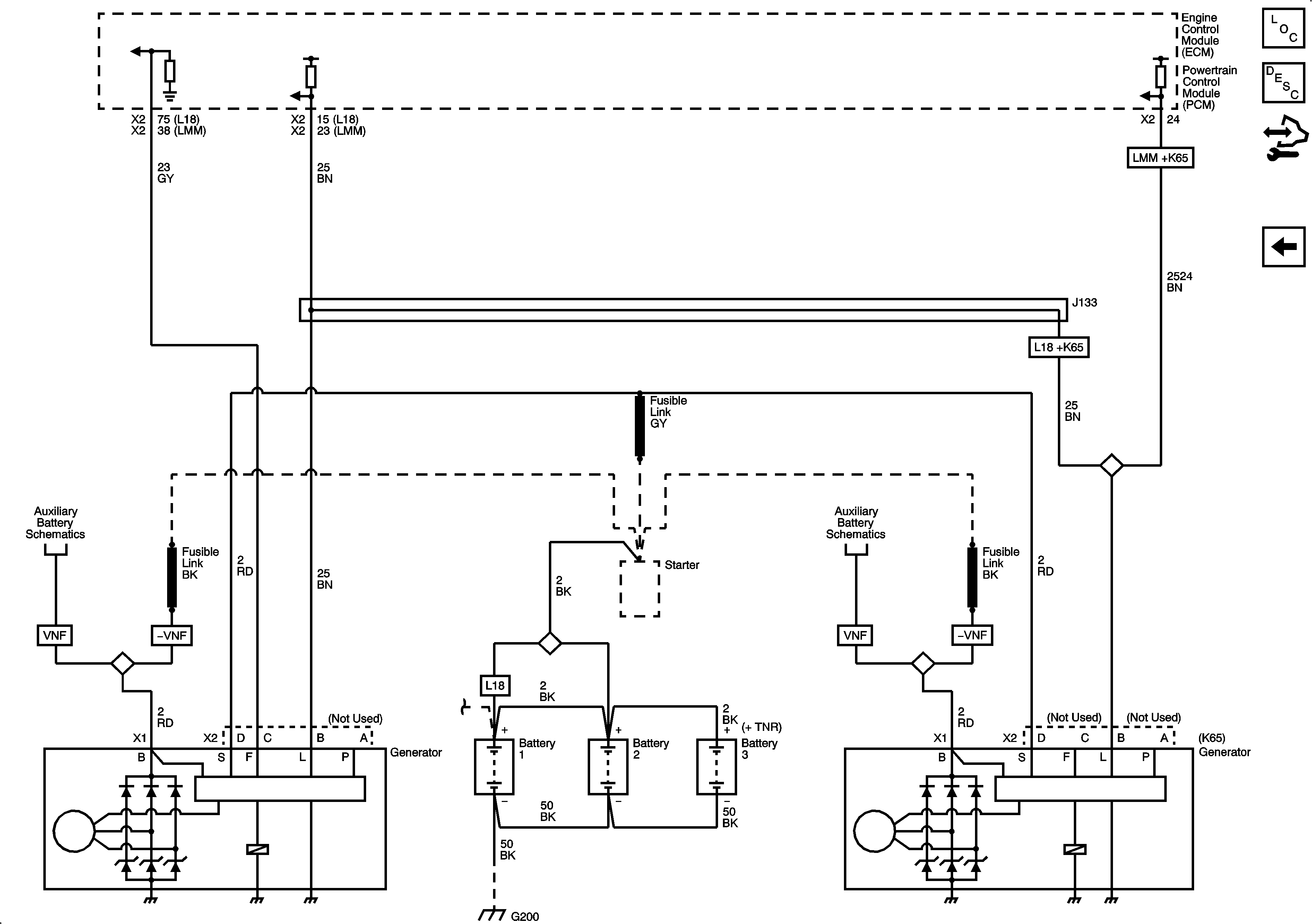
Figure 4:

Charging System L18/LMM


Object Number: 1909013  Size: FS
Master Electrical Component List
Charging System Description and Operation (6.6L / 8.1L)
Control Module References
Starting System L18/LMM
Auxiliary Battery Schematics
G103 - 2 of 2
Auxiliary Battery Schematics