GM Service Manual Online
For 1990-2009 cars only
Makes
🢒
Isuzu
🢒
2008
🢒
Isuzu H-Series
🢒
Driver Information and Entertainment
🢒
Cellular, Entertainment, and Navigation
🢒 Radio/Navigation System Schematics
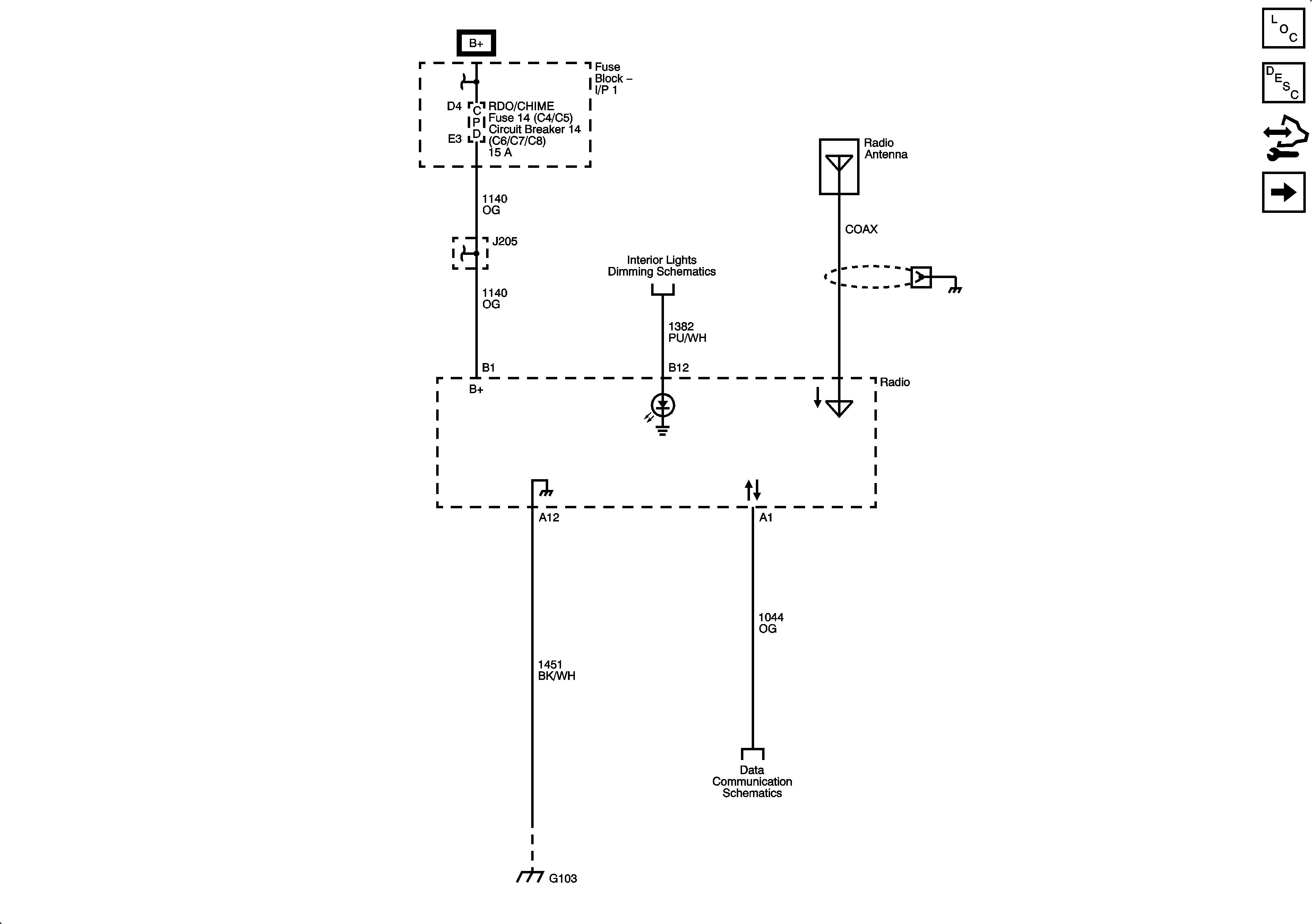
Figure
1:
Radio
Master Electrical Component List
Radio/Audio System Description and Operation
Control Module References
Speakers
RDO/CHIME, CHMSL, and PWR POST Fuses/Circuit Breakers
RDO/CHIME, CHMSL, and PWR POST Fuses/Circuit Breakers
G103 - 1 of 2, G105, and G106
Interior Lights Dimming Schematics
Splice Pack SP203
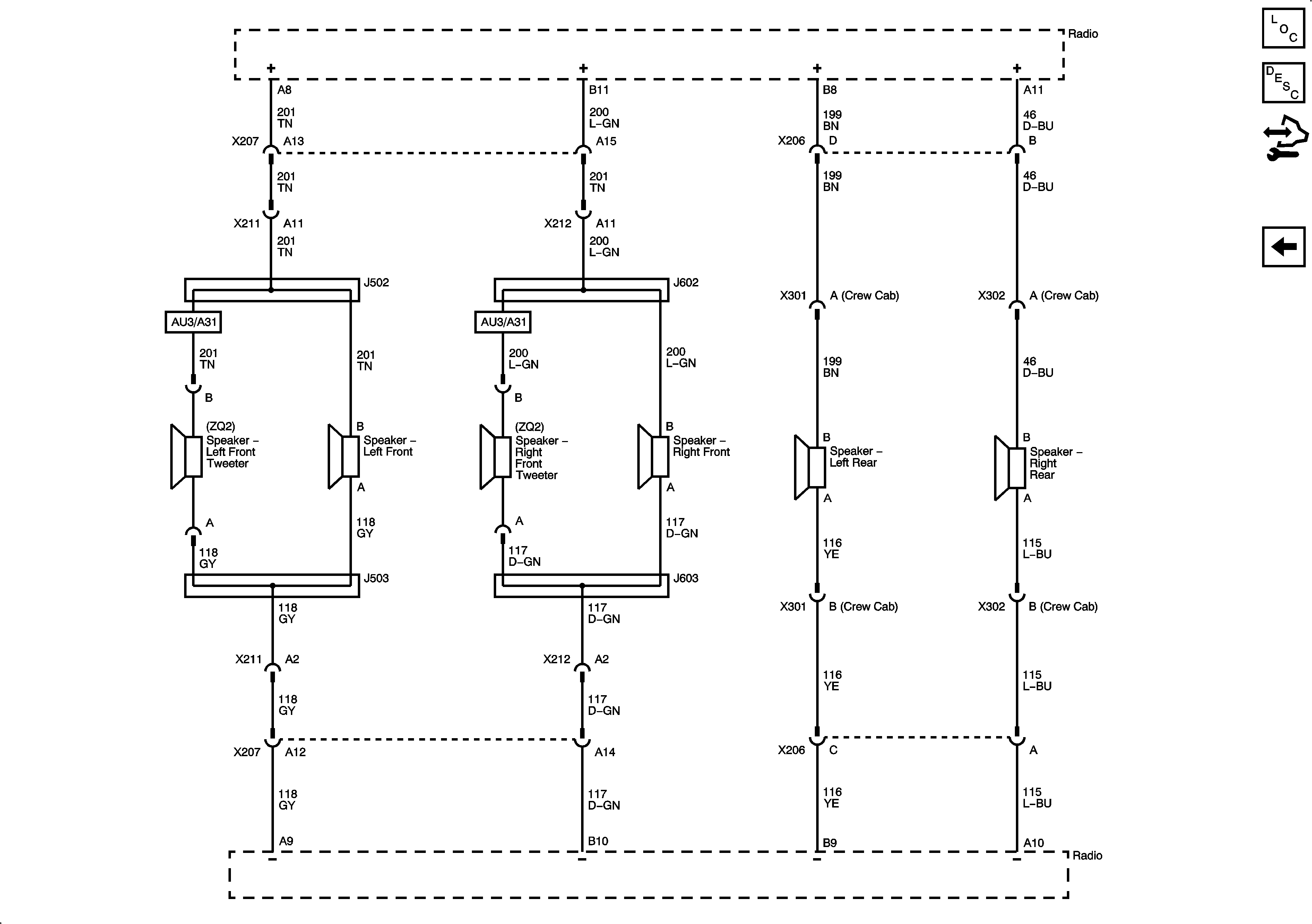
Figure
2:
Speakers
Master Electrical Component List
Radio/Audio System Description and Operation
Control Module References
Radio