GM Service Manual Online
For 1990-2009 cars only
Makes
🢒
Isuzu
🢒
2008
🢒
Isuzu H-Series
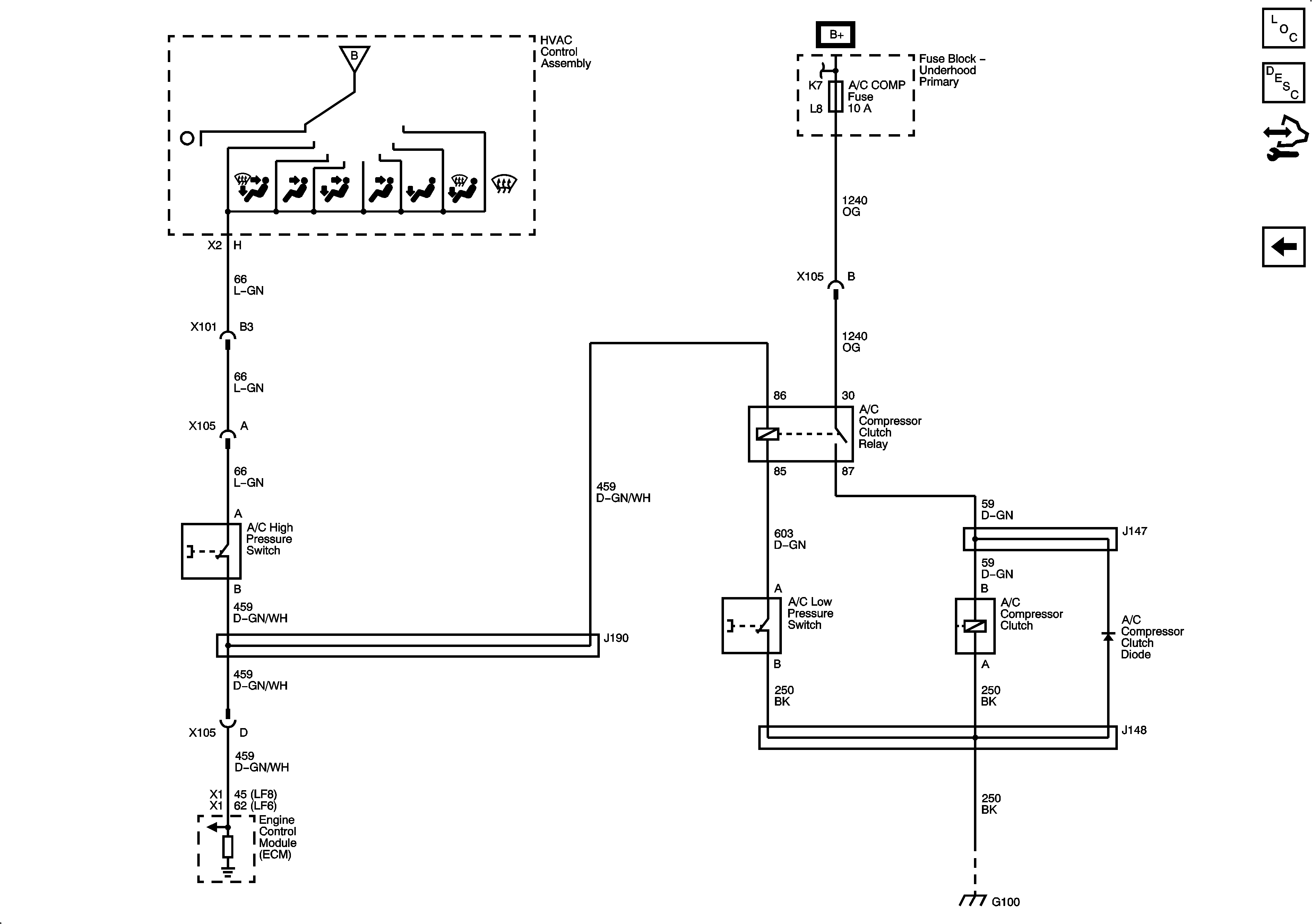
🢒 08 MD-560C HVAC Schematics (C60) - A/C Compressor Controls - LF6/LF8
08 MD-560C HVAC Schematics (C60) - A/C Compressor Controls - LF6/LF8
A/C Compressor Controls - LF6/LF8
Master Electrical Component List
Air Delivery Description and Operation
Control Module References
A/C Compressor Controls - L18/LMM
Blower Controls
FUEL Fuse/Circuit Breaker - L18/LMM, PCV Circuit Breaker - LF8, and ECM-B Circuit Breaker - LF6
G100 - LF8
G100 - LF6