GM Service Manual Online
For 1990-2009 cars only
Makes
🢒
Isuzu
🢒
2008
🢒
Isuzu H-Series
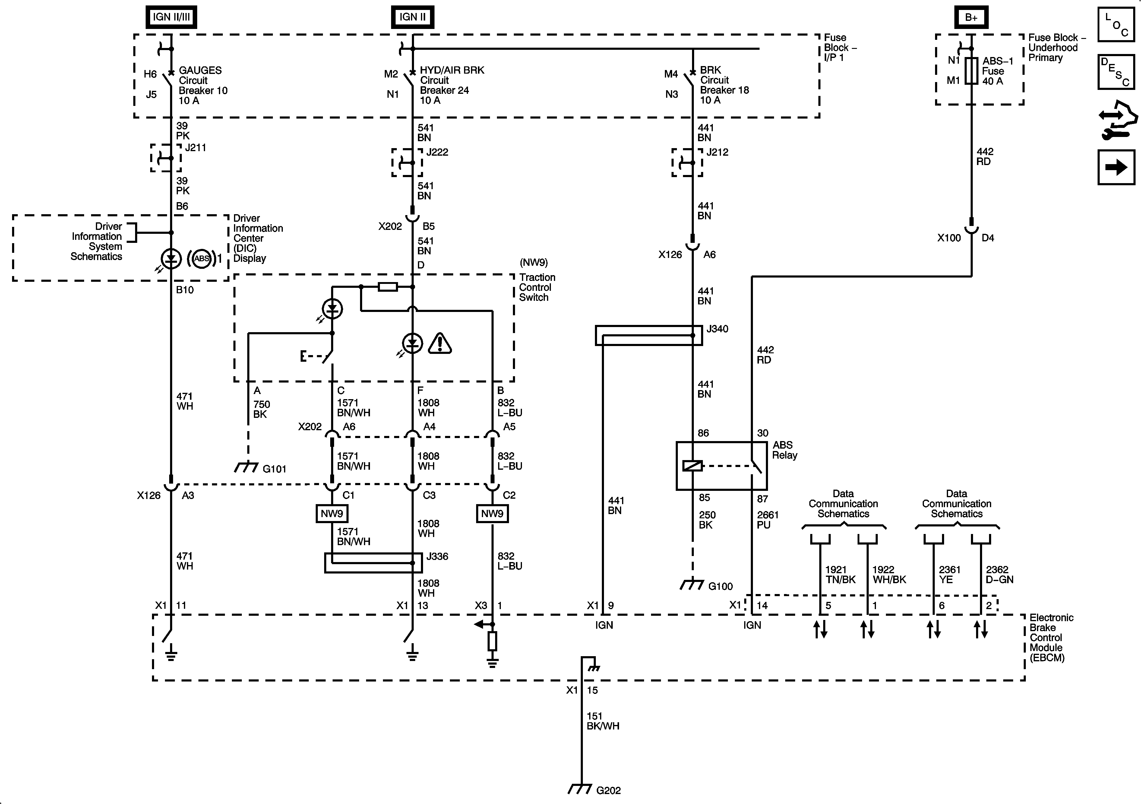
🢒 ABS Relay, DIC and EBCM
ABS Relay, DIC and EBCM
ABS Relay, DIC and EBCM
Master Electrical Component List
Air ABS Description and Operation
Control Module References
Stop Lamp Switch
DIC
AIRBAG, GAGES, LT REAR TURN/STOP, and RT REAR TURN/STOP Fuses/Circuit Breakers
AIRBAG, GAGES, LT REAR TURN/STOP, and RT REAR TURN/STOP Fuses/Circuit Breakers
G101 - 2 of 2
AXL/4WD, BRK, HYD/AIR BRK, and HTR/AC Fuses/Circuit Breakers
AXL/4WD, BRK, HYD/AIR BRK, and HTR/AC Fuses/Circuit Breakers
AXL/4WD, BRK, HYD/AIR BRK, and HTR/AC Fuses/Circuit Breakers
G100 - L18
G103 - 2 of 2
Data Link Connector Power and Ground
J1939 Serial Data, 2 of 2 - L18 w/JE4, LF6, LF8
ABS-1, ABS-2, ABS-3, E/A PUMP and HORN Fuses/Circuit Breakers