GM Service Manual Online
For 1990-2009 cars only
Makes
🢒
Isuzu
🢒
2008
🢒
Isuzu H-Series
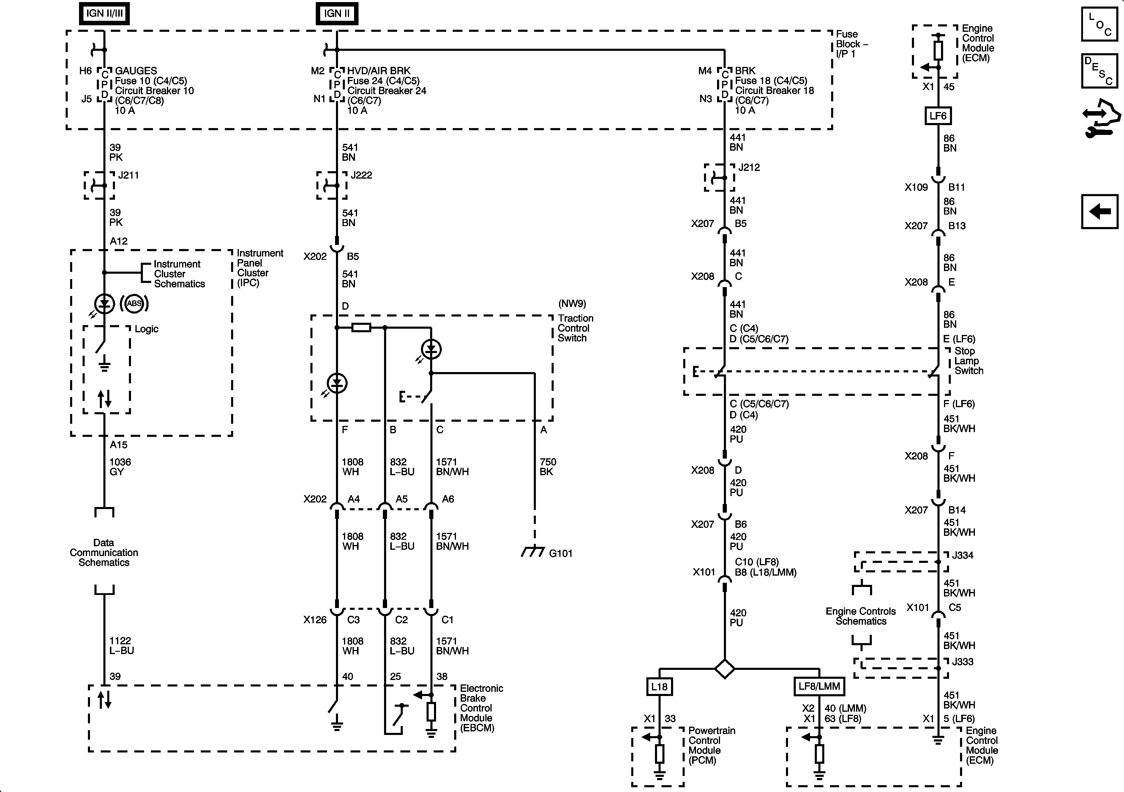
🢒 Serial Data, Traction Control and Stop Lamp Switches
Serial Data, Traction Control and Stop Lamp Switches
Serial Data, Traction Control and Stop Lamp Switches
Master Electrical Component List
ABS Description and Operation
Control Module References
Module Power, Ground, and Wheel Speed Sensors
AIRBAG, GAGES, LT REAR TURN/STOP, and RT REAR TURN/STOP Fuses/Circuit Breakers
AIRBAG, GAGES, LT REAR TURN/STOP, and RT REAR TURN/STOP Fuses/Circuit Breakers
Splice Pack SP203
AXL/4WD, BRK, HYD/AIR BRK, and HTR/AC Fuses/Circuit Breakers
AXL/4WD, BRK, HYD/AIR BRK, and HTR/AC Fuses/Circuit Breakers
G101 - 2 of 2
AXL/4WD, BRK, HYD/AIR BRK, and HTR/AC Fuses/Circuit Breakers
Engine Data Sensors - Low Reference 2 of 2