GM Service Manual Online
For 1990-2009 cars only
Makes
🢒
Isuzu
🢒
2008
🢒
Isuzu H-Series
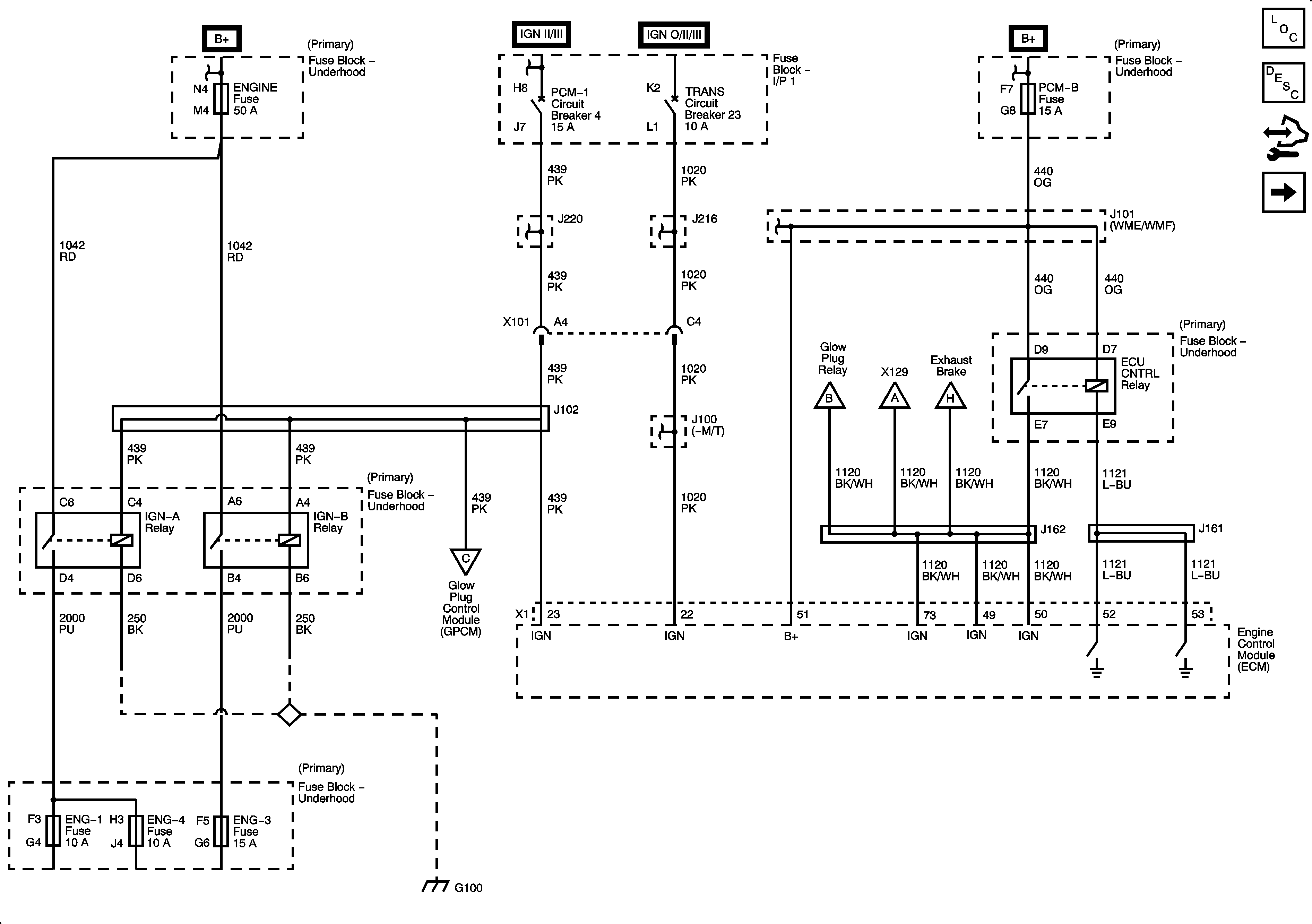
🢒 Module Power
Module Power
Module Power
Master Electrical Component List
Control Module References
Module Ground, Serial Data, and MIL, Wait to Start, Water in Fuel Indicators
ENGINE and PCM-1 Fuses/Circuit Breakers
Engine Data Sensors - EGR Valve and Glow Plug Controls
G100 - LF8
ENGINE and PCM-1 Fuses/Circuit Breakers
ENGINE and PCM-1 Fuses/Circuit Breakers
TRANS Fuse/Circuit Breaker
TRANS Fuse/Circuit Breaker
TRANS Fuse/Circuit Breaker
Engine Data Sensors - EGR Valve and Glow Plug Controls
Engine Data Sensors - Mass Air Flow, Temperature, and Turbocharger Vane Position Control
Fuel Controls - Fuel Sensors, Suction Control Valve (SCV), Exhaust Temperature, DPF Pressure Sensors, and Exhaust Brake Solenoid
A/C COMP, HTD FUEL, PCM-B and RR DEFOG Fuses