GM Service Manual Online
For 1990-2009 cars only
Makes
🢒
Isuzu
🢒
2008
🢒
Isuzu H-Series
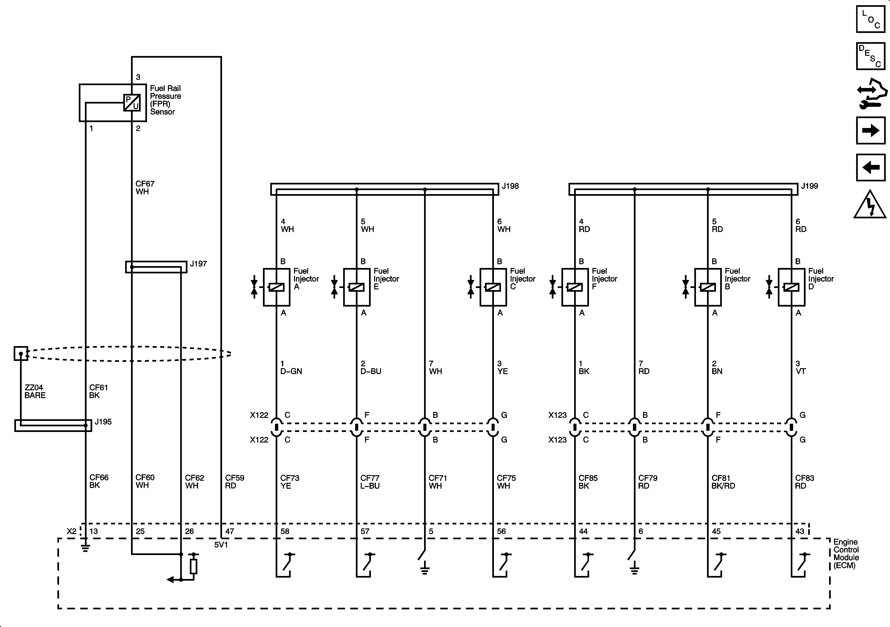
🢒 Fuel Controls - Fuel Injectors, Fuel Rail Pressure (FRP)
Fuel Controls - Fuel Injectors, Fuel Rail Pressure (FRP)
Fuel Controls - Fuel Injectors, Fuel Rail Pressure (FRP)
Master Electrical Component List
Fuel System Description
Control Module References
Power Take Off (PTO) System References
Fuel Controls - Fuel Sensors, Suction Control Valve (SCV), Exhaust Temperature, DPF Pressure Sensors, and Exhaust Brake Solenoid