GM Service Manual Online
For 1990-2009 cars only
Makes
🢒
Isuzu
🢒
2008
🢒
Isuzu H-Series
🢒 w/LF6
w/LF6
w/LF6
Master Electrical Component List
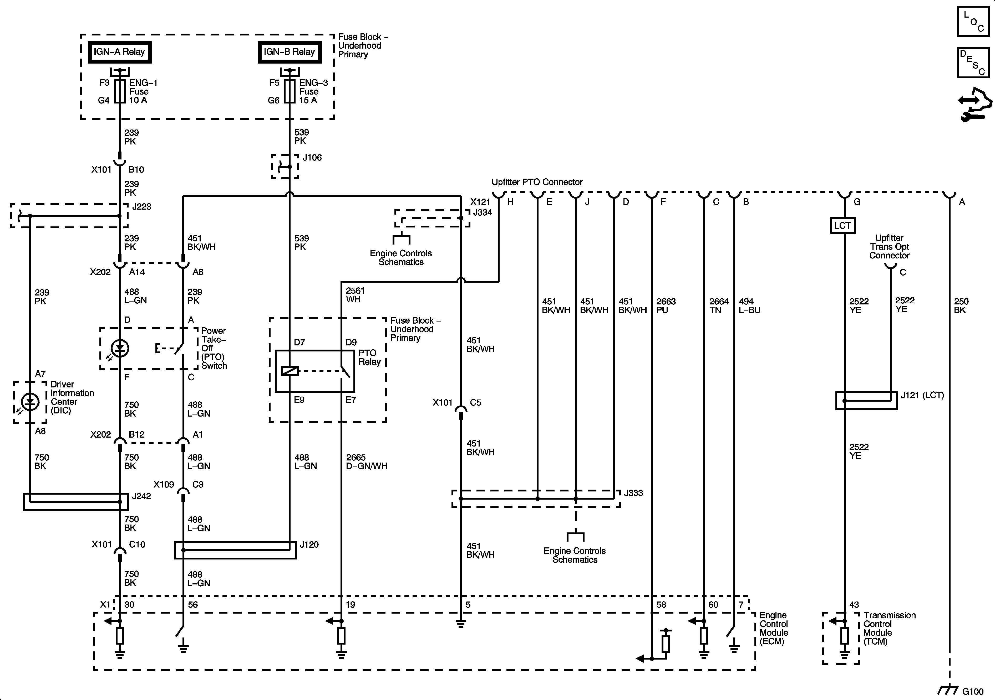
Power Take-Off (PTO) Description and Operation
Control Module References
w/o LF6 2 of 2
ENG-1 and ENG-4 Fuses - LF6/LF8
ENG-1 and ENG-4 Fuses - LF6/LF8
ENG-2, and ENG-3 Fuses - LF6/LMM
ENG-2, and ENG-3 Fuses - LF6/LMM
Engine Data Sensors - Low Reference 2 of 2
G100 - LF6