GM Service Manual Online
For 1990-2009 cars only
Makes
🢒
Isuzu
🢒
2008
🢒
Isuzu H-Series
🢒 Instrument Panel Cluster - LMM
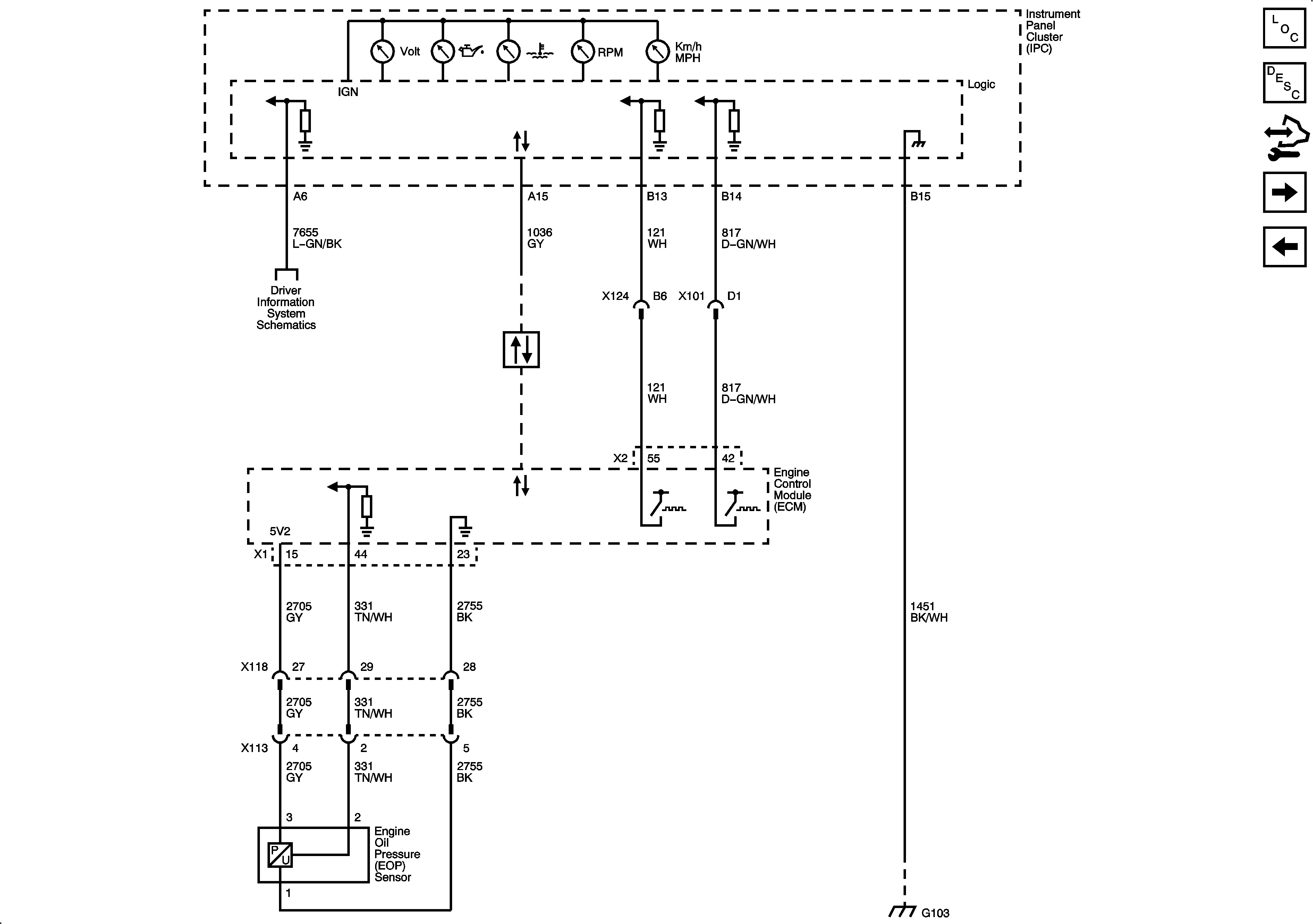
Instrument Panel Cluster - LMM
Instrument Panel Cluster - LMM
Master Electrical Component List
Instrument Cluster Description and Operation
Control Module References
Fuel Gage
Instrument Panel Cluster - 2 of 2
DIC
Splice Pack SP203
G103 - 1 of 2, G105, and G106