GM Service Manual Online
For 1990-2009 cars only
Makes
🢒
Isuzu
🢒
2004
🢒
Isuzu MD F-Series
🢒
Engine
🢒
Engine Cooling
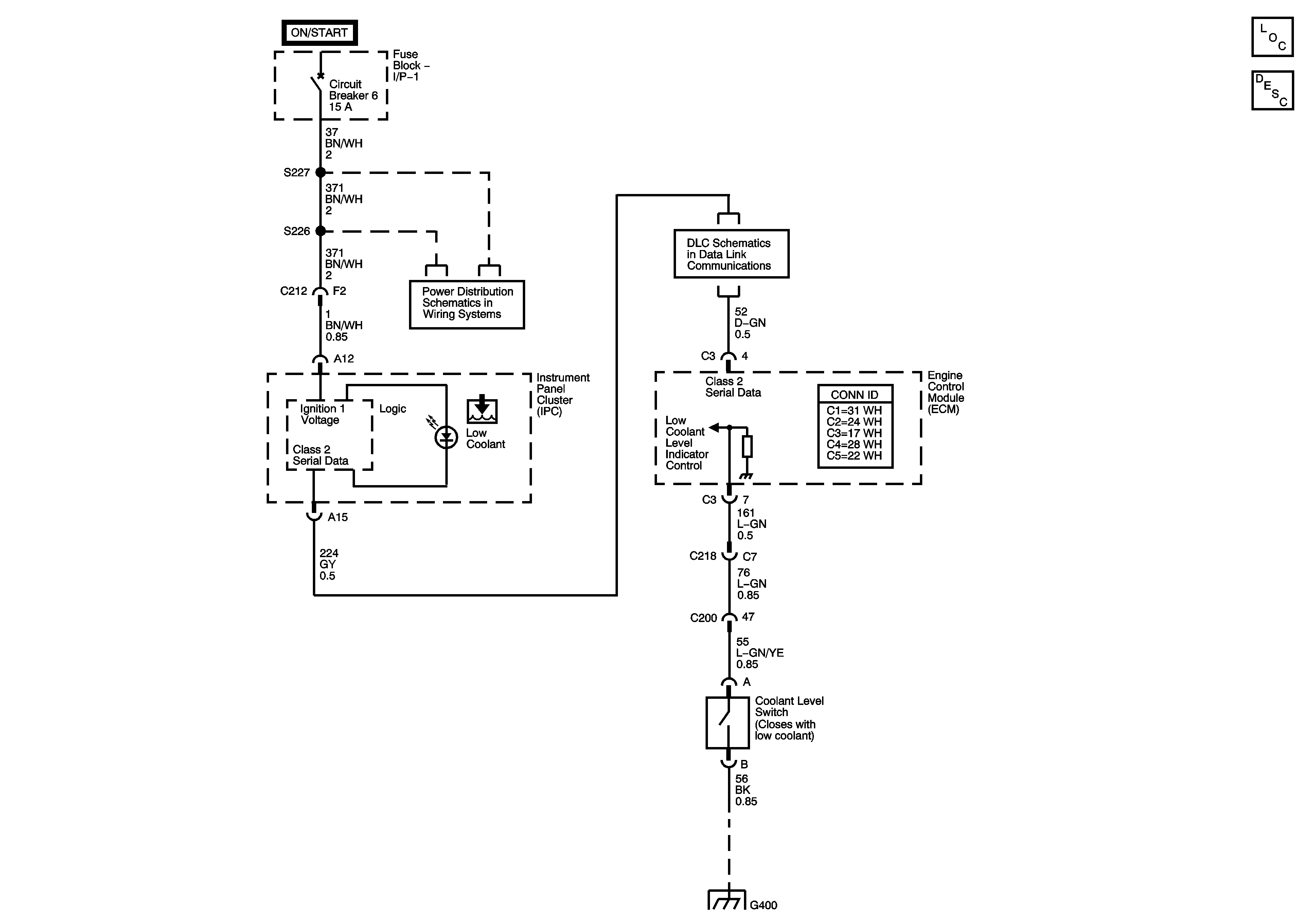
🢒 Engine Cooling Schematics
Engine Cooling Schematics w/o CTF
Master Electrical Component List
Cooling System Description and Operation
Engine Cooling Schematics CTF
Master Electrical Component List
Cooling System Description and Operation