GM Service Manual Online
For 1990-2009 cars only

Starting and Charging Schematics w/o CTF

Figure 1:

Starting


Object Number: 1203200  Size: FS
Master Electrical Component List
Starting System Description and Operation
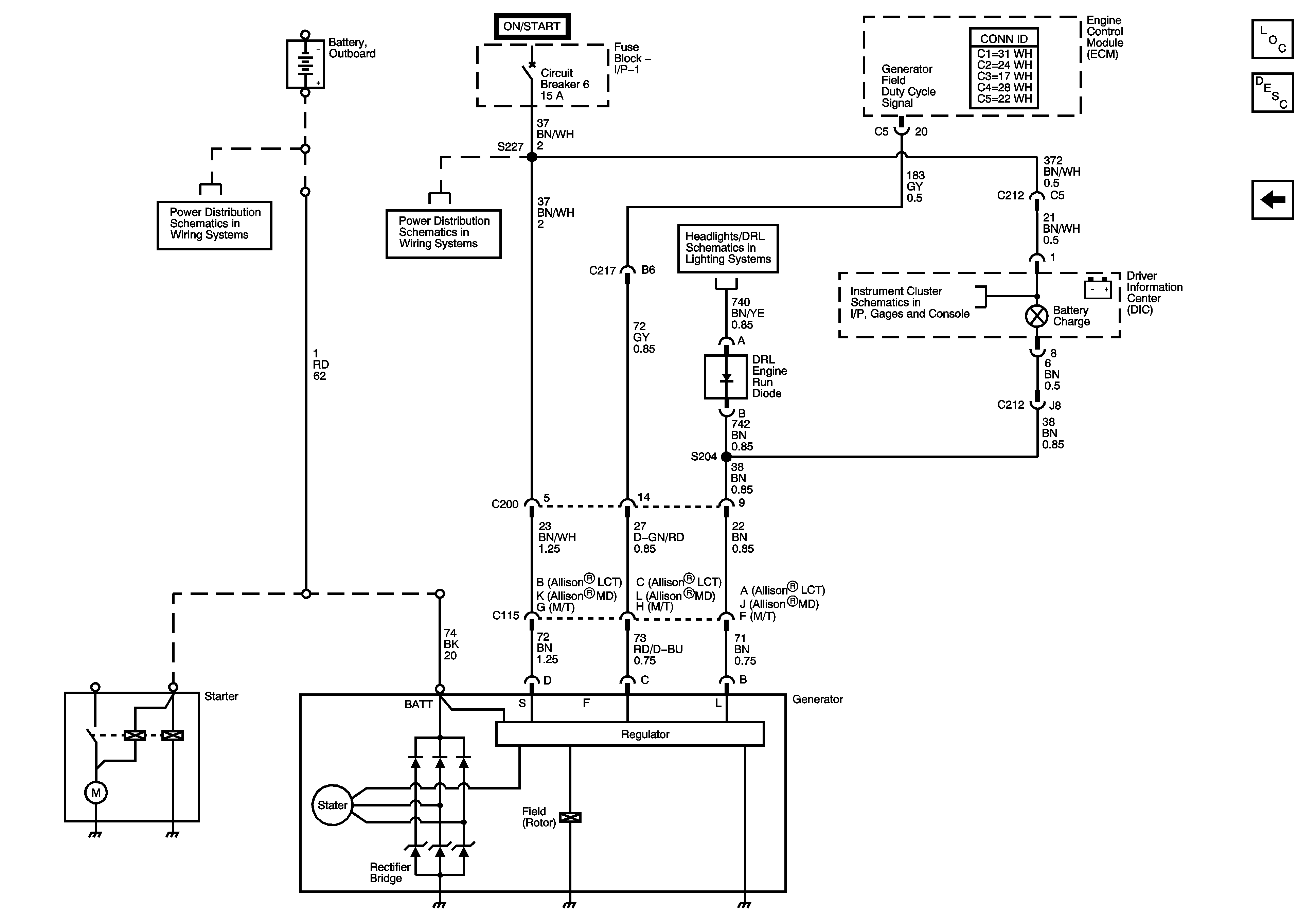
Charging
Figure 2:

Charging


Object Number: 1203206  Size: FS
Master Electrical Component List
Charging System Description and Operation
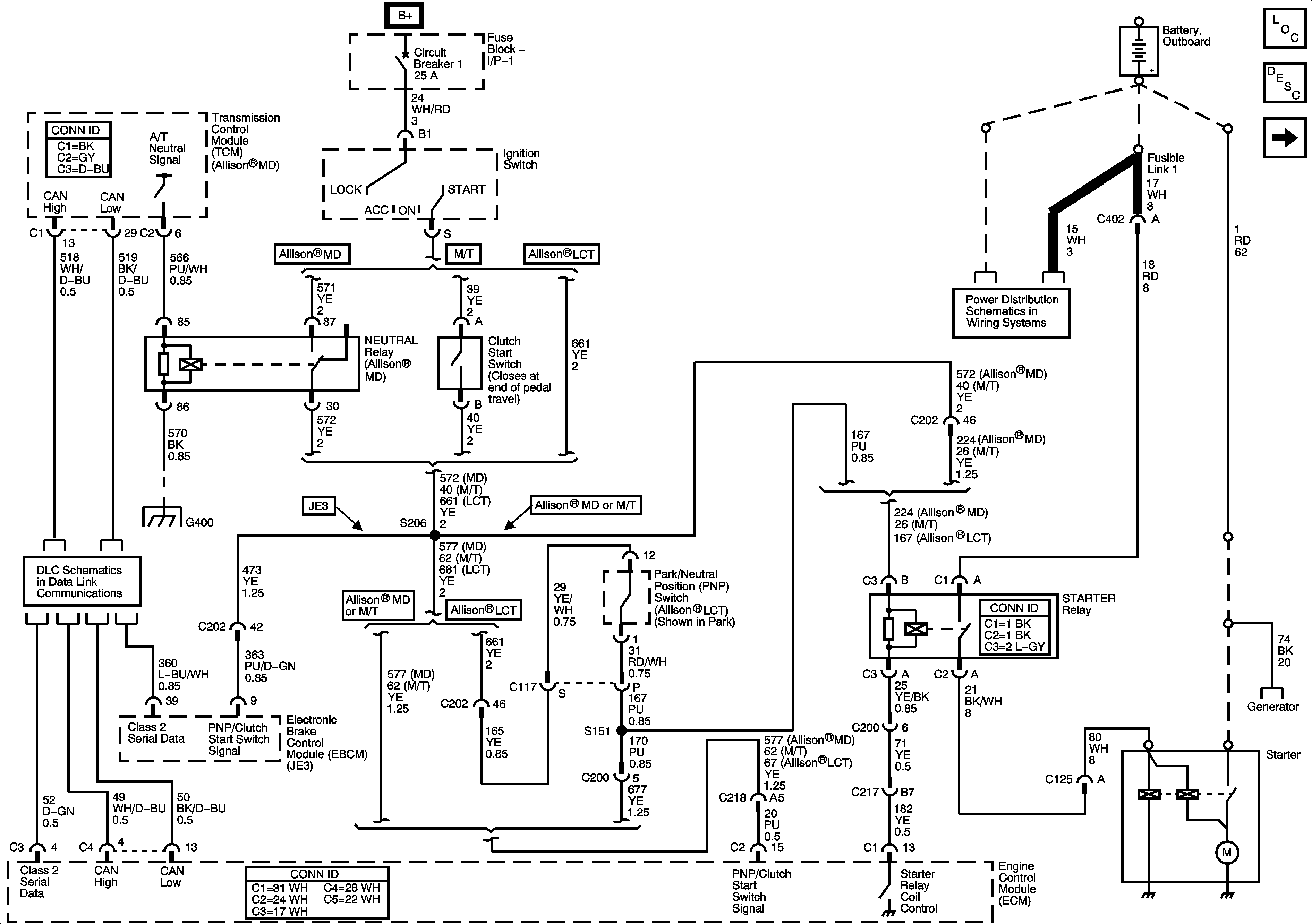
Starting

Starting and Charging Schematics CTF

Figure 1:

Starting


Object Number: 1408372  Size: FS
Master Electrical Component List
Starting System Description and Operation
Charging
Figure 2:

Charging


Object Number: 1408376  Size: FS
Master Electrical Component List
Charging System Description and Operation
Starting