GM Service Manual Online
For 1990-2009 cars only

Engine Controls Schematics w/o CTF

Figure 1:

Module Power, Ground, Serial Data and MIL


Object Number: 1139443  Size: FS
Master Electrical Component List
Engine Control Component Description (Without RPO CTF)
Engine Data Sensors - 5 volt and Low Reference
Figure 2:

Engine Data Sensors - 5 Volt and Low Reference


Object Number: 1139449  Size: FS
Master Electrical Component List
Engine Control Component Description (Without RPO CTF)
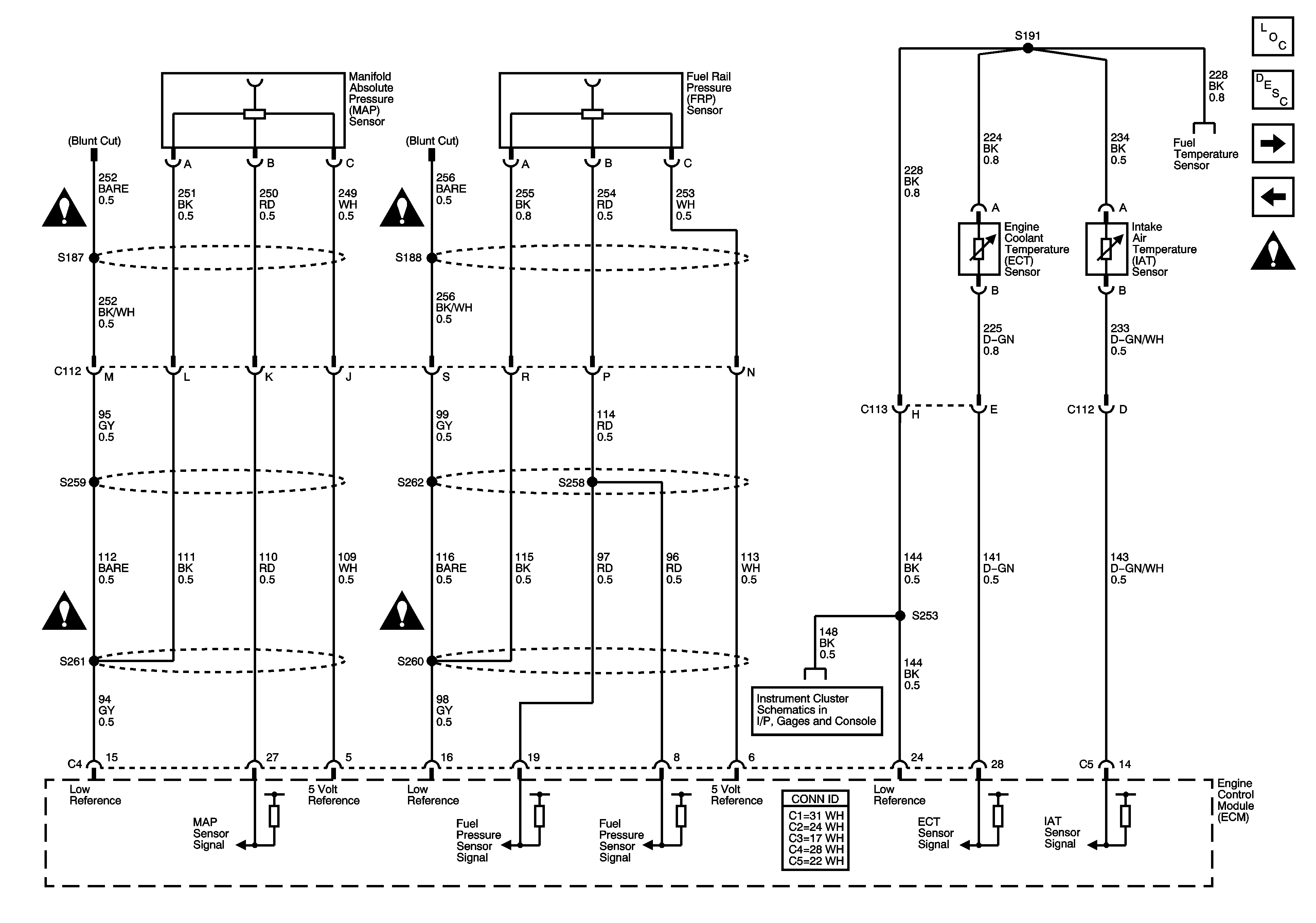
Engine Data Sensors - Pressure and Temperature
Module Power, Ground, Serial Data and MIL
Figure 3:

Engine Data Sensors - Pressure and Temperature


Object Number: 1139459  Size: FS
Master Electrical Component List
Engine Control Component Description (Without RPO CTF)
Engine Data Sensors - Pedal Position Sensor
Engine Data Sensors - 5 volt and Low Reference
Engine Controls Schematic Icons
Figure 4:

Engine Data Sensors - Pedal Position


Object Number: 1139490  Size: FS
Master Electrical Component List
Engine Control Component Description (Without RPO CTF)
Engine Data Sensors - Speed Sensors
Engine Data Sensors - Pressure and Temperature
Figure 5:

Engine Data Sensors - Speed Sensors


Object Number: 1139513  Size: FS
Master Electrical Component List
Engine Control Component Description (Without RPO CTF)
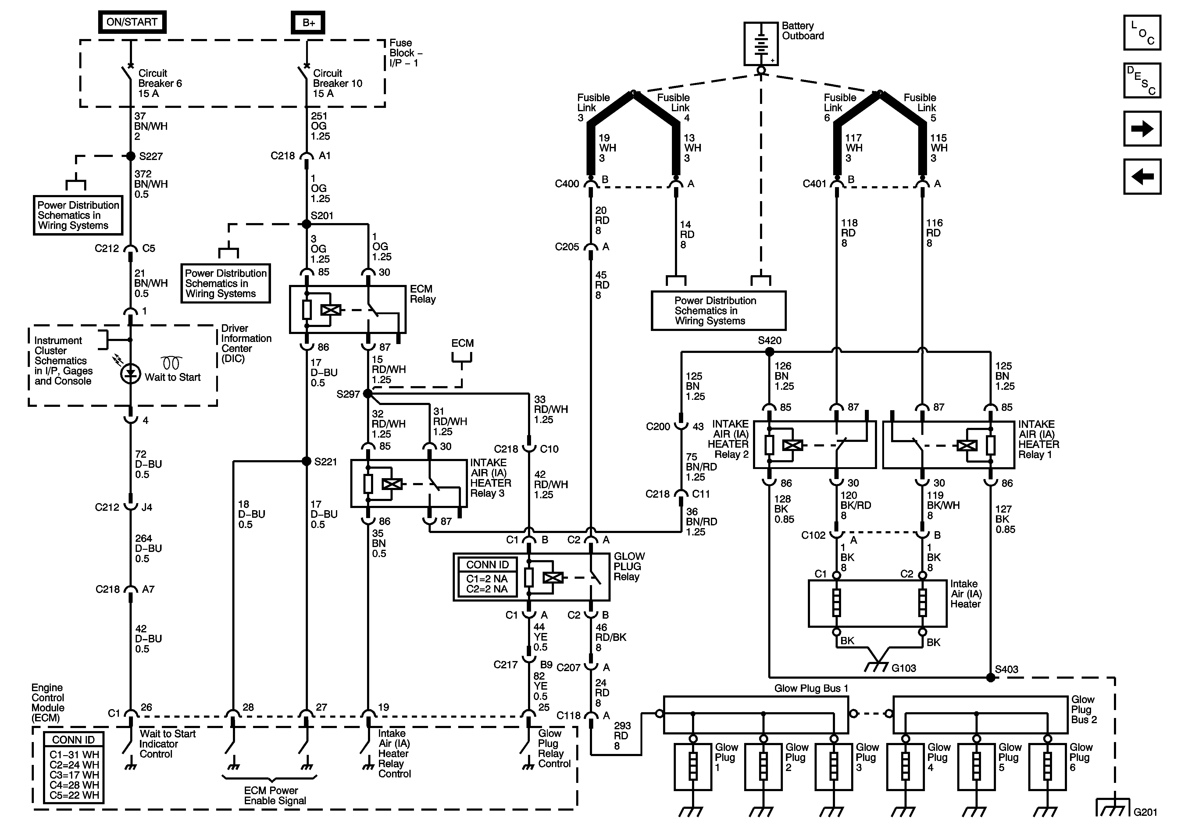
Engine Data Sensors - Glow Plug Controls
Engine Data Sensors - Pedal Position Sensor
Engine Controls Schematic Icons
Figure 6:

Engine Data Sensors - Glow Plug Controls


Object Number: 1139515  Size: FS
Master Electrical Component List
Engine Control Component Description (Without RPO CTF)
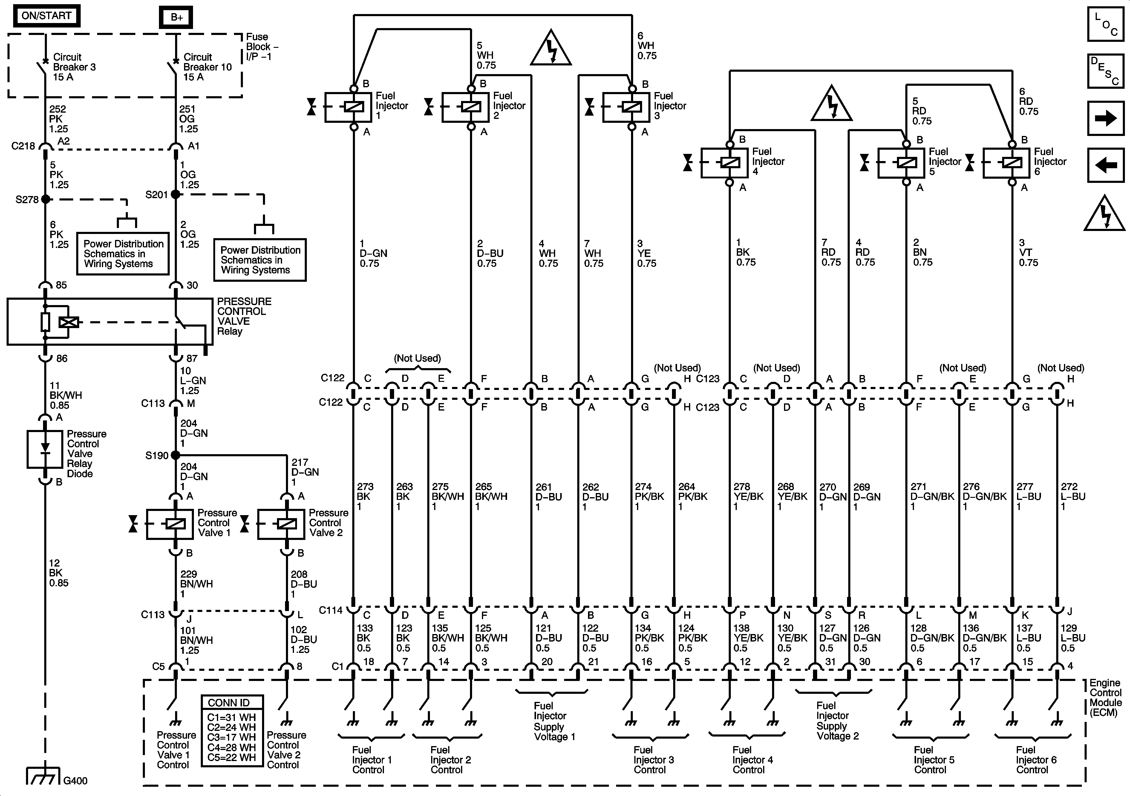
Fuel Controls - Fuel Injectors
Engine Data Sensors - Speed Sensors
Figure 7:

Fuel Controls - Fuel Injectors


Object Number: 1139518  Size: FS
Master Electrical Component List
Engine Control Component Description (Without RPO CTF)
Controlled/Monitored Subsystem References
Engine Data Sensors - Glow Plug Controls
Figure 8:

Controlled/Monitored Subsystem References


Object Number: 1139521  Size: FS
Master Electrical Component List
Engine Control Component Description (Without RPO CTF)
Fuel Controls - Fuel Injectors

Engine Controls Schematics CTF

Figure 1:

Module Power, Ground, Serial Data and MIL


Object Number: 1367246  Size: FS
Master Electrical Component List
Engine Control Component Description (with RPO CTF)
Engine Data Sensors - 5 Volt and Low Reference
Figure 2:

Engine Data Sensors - 5 Volt and Low Reference


Object Number: 1367247  Size: FS
Master Electrical Component List
Engine Control Component Description (with RPO CTF)
Engine Data Sensors - Pressure and Temperature page 1 of 2
Module Power, Ground, Serial Data and MIL
Figure 3:

Engine Data Sensors - Pressure and Temperature 1 of 2


Object Number: 1367249  Size: FS
Master Electrical Component List
Engine Control Component Description (with RPO CTF)
Engine Data Sensors - Pressure and Temperature page 2 of 2
Engine Data Sensors - 5 Volt and Low Reference
Engine Controls Schematic Icons
Figure 4:

Engine Data Sensors - Pressure and Temperature - 2 of 2


Object Number: 1367252  Size: FS
Master Electrical Component List
Engine Control Component Description (with RPO CTF)
Engine Data Sensors - Pedal Position
Engine Data Sensors - Pressure and Temperature page 1 of 2
Figure 5:

Engine Data Sensors - Pedal Position


Object Number: 1367254  Size: FS
Master Electrical Component List
Engine Control Component Description (with RPO CTF)
Engine Data Sensors - Speed Sensors
Engine Data Sensors - Pressure and Temperature page 2 of 2
Figure 6:

Engine Data Sensors - Speed Sensors


Object Number: 1367255  Size: FS
Master Electrical Component List
Engine Control Component Description (with RPO CTF)
Engine Data Sensors - Exhaust Gas Recirculation (EGR) Valve and Glow Plug Controls
Engine Data Sensors - Pedal Position
Engine Controls Schematic Icons
Figure 7:

Engine Data Sensors - Exhaust Gas Recirculation (EGR) Valve and Glow Plug Controls


Object Number: 1367256  Size: FS
Master Electrical Component List
Engine Control Component Description (with RPO CTF)
Fuel Controls - Suction Control Valve, Water in Fuel and Fuel Temperature Sensors and Fuel Heater
Engine Data Sensors - Speed Sensors
Figure 8:

Fuel Controls - Suction Control Valve, Water in Fuel and Temperature Sensors and Fuel Heater


Object Number: 1367257  Size: FS
Master Electrical Component List
Engine Control Component Description (with RPO CTF)
Fuel Controls - Fuel Injectors and Fuel Rail Pressure (FRP) Sensor
Engine Data Sensors - Exhaust Gas Recirculation (EGR) Valve and Glow Plug Controls
Figure 9:

Fuel Controls - Fuel Injectors and Fuel Rail Pressure (FRP) Sensor


Object Number: 1367259  Size: FS
Master Electrical Component List
Engine Control Component Description (with RPO CTF)
Controlled/Monitored Subsystem References
Fuel Controls - Suction Control Valve, Water in Fuel and Fuel Temperature Sensors and Fuel Heater
Engine Controls Schematic Icons
Figure 10:

Controlled/Monitored Subsystem References


Object Number: 1367261  Size: FS
Master Electrical Component List
Engine Control Component Description (with RPO CTF)
Fuel Controls - Fuel Injectors and Fuel Rail Pressure (FRP) Sensor