GM Service Manual Online
For 1990-2009 cars only
Makes
🢒
Isuzu
🢒
2004
🢒
Isuzu MD F-Series
🢒
Driveline/Axle
🢒
Rear Drive Axle
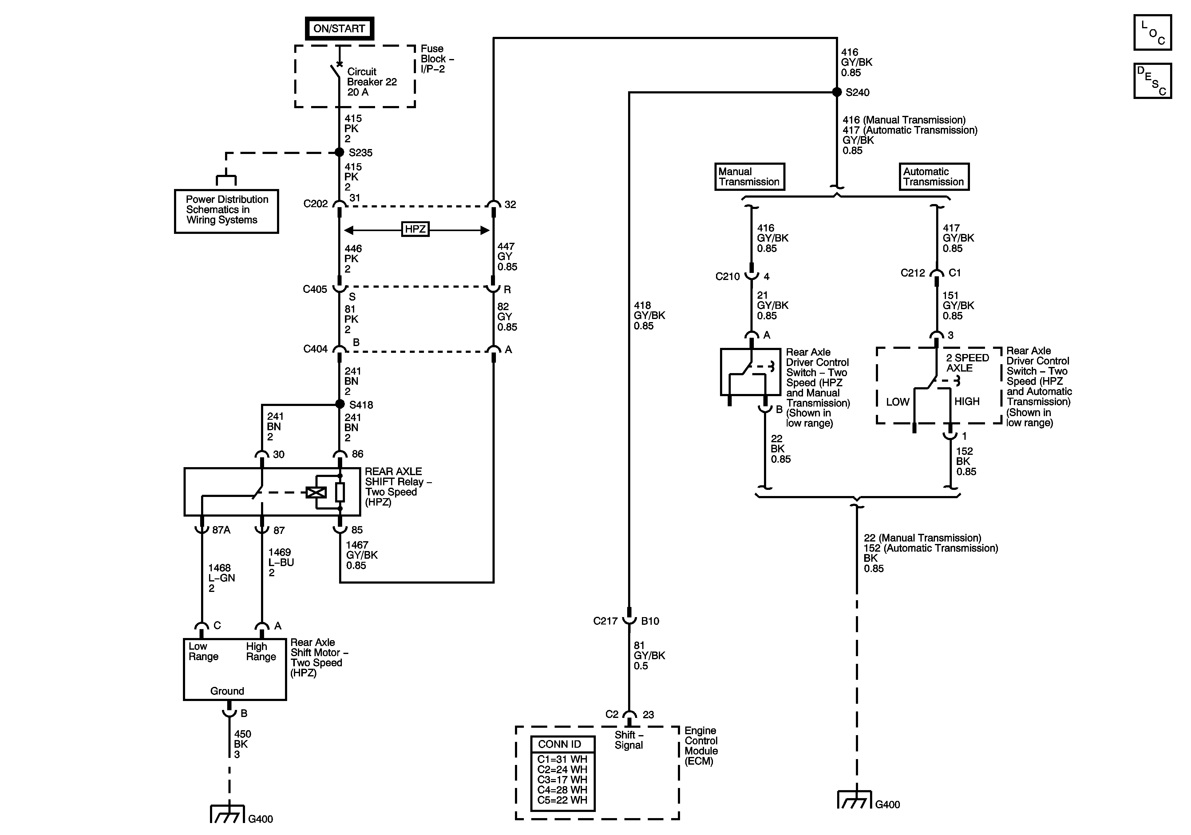
🢒 Two-Speed Rear Axle Schematics
Two-Speed Rear Axle Schematics w/o CTF
Master Electrical Component List
Two Speed Rear Axle Shift System Description and Operation (Electric Operated)
Two-Speed Rear Axle Schematics CTF
Master Electrical Component List
Two Speed Rear Axle Shift System Description and Operation (Electric Operated)