GM Service Manual Online
For 1990-2009 cars only

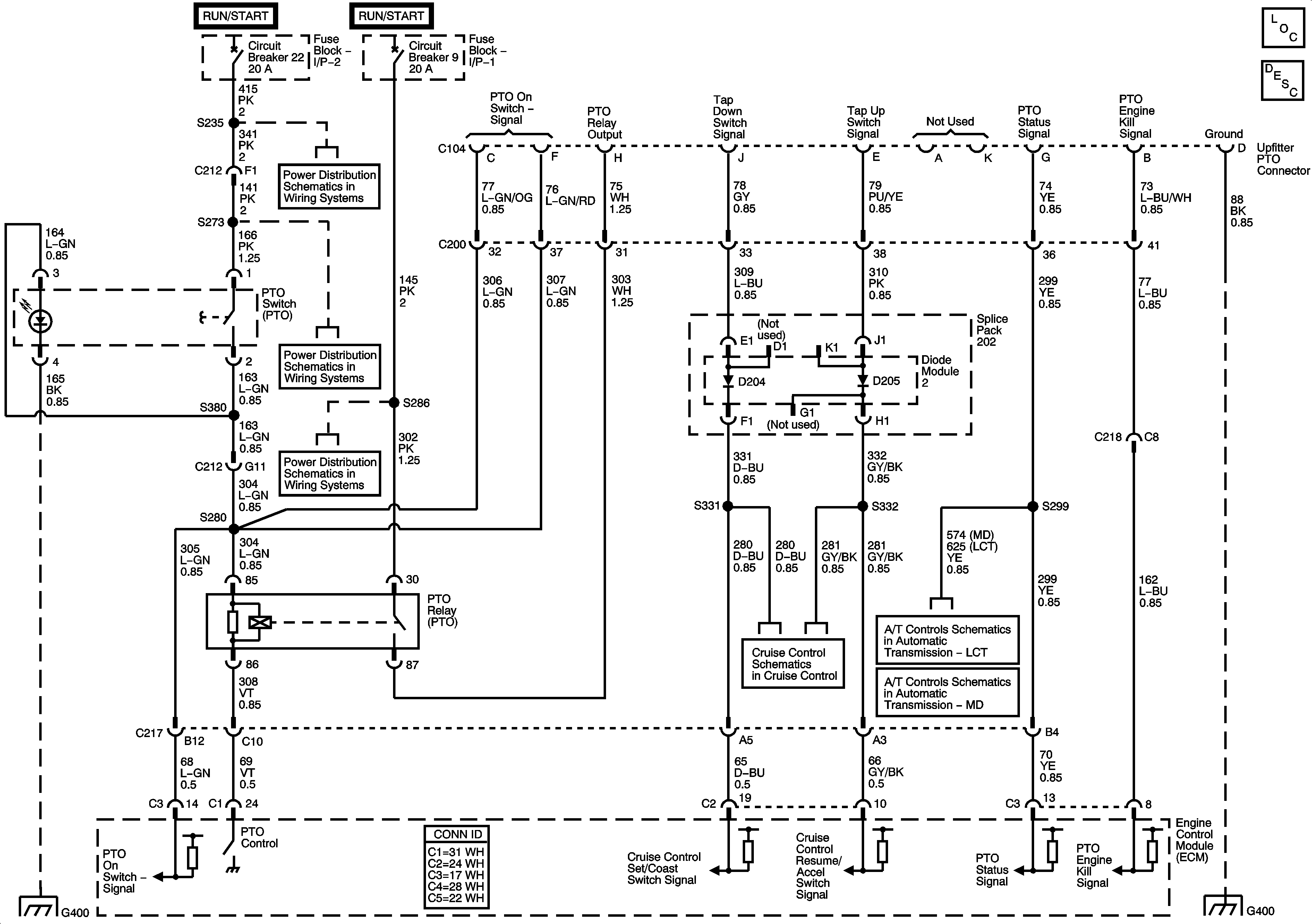
Power Take-Off (PTO) Schematics w/o CTF


Object Number: 1205776  Size: FS
Master Electrical Component List
Power Take-Off (PTO) Description and Operation

Power Take-Off (PTO) Schematics CTF

Figure 1:

Connector C104, Engine Control Module (ECM), PTO Relay, Turn Signal/Multifunction and PTO Switches


Object Number: 1395509  Size: FS
Master Electrical Component List
Power Take-Off (PTO) Description and Operation
Connectors C106, C120, C209 and Engine Control Module (ECM)
Figure 2:

Connectors C106, C120, C209 and Engine Control Module (ECM)


Object Number: 1395517  Size: FS
Master Electrical Component List
Power Take-Off (PTO) Description and Operation
Connector C104, Engine Control Module (ECM), PTO Relay, Turnsignal/Multifunction and PTO Switches