GM Service Manual Online
For 1990-2009 cars only
Makes
🢒
Isuzu
🢒
2004
🢒
Isuzu MD F-Series
🢒
Brakes
🢒
Hydraulic Brakes
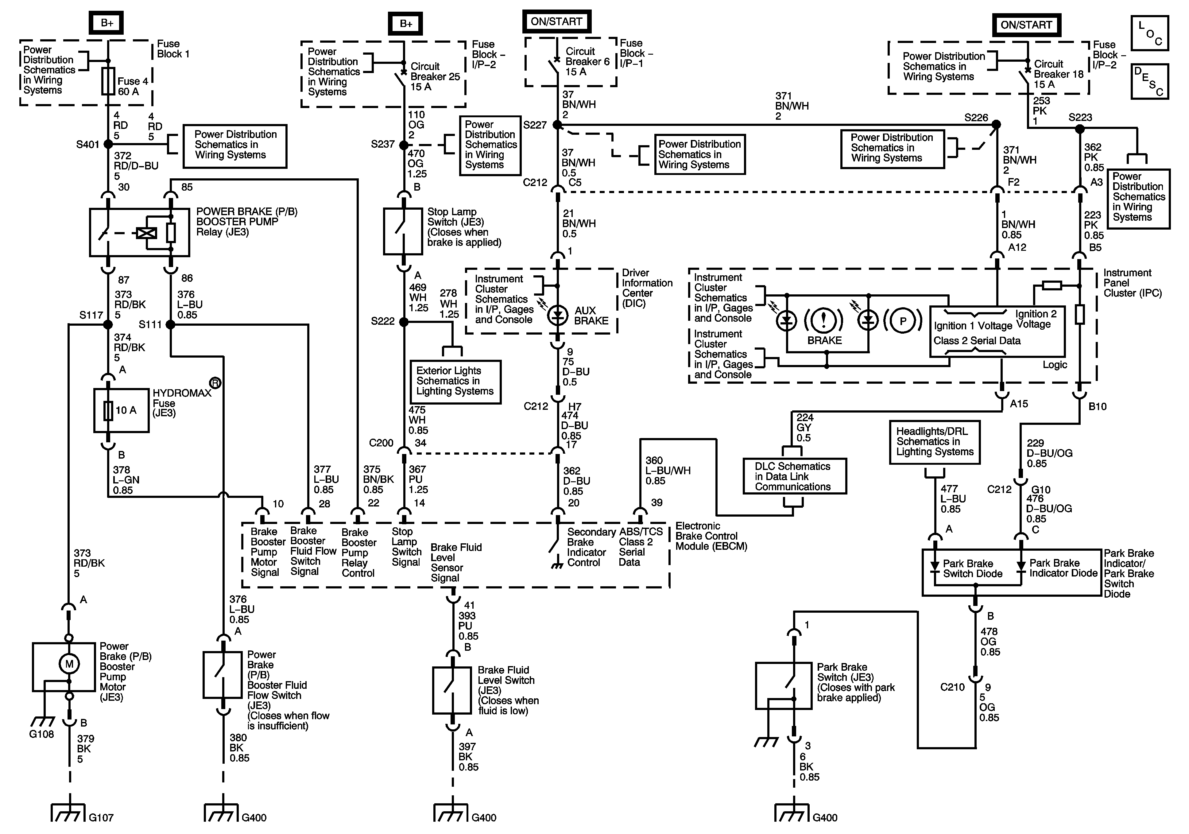
🢒 Brake Warning System Schematics
Brake Warning System Schematics w/o CTF
Master Electrical Component List
Brake Warning System Description and Operation
Brake Warning System Schematics CTF
Master Electrical Component List
Brake Warning System Description and Operation