GM Service Manual Online
For 1990-2009 cars only

Instrument Cluster Schematics w/o CTF

Figure 1:

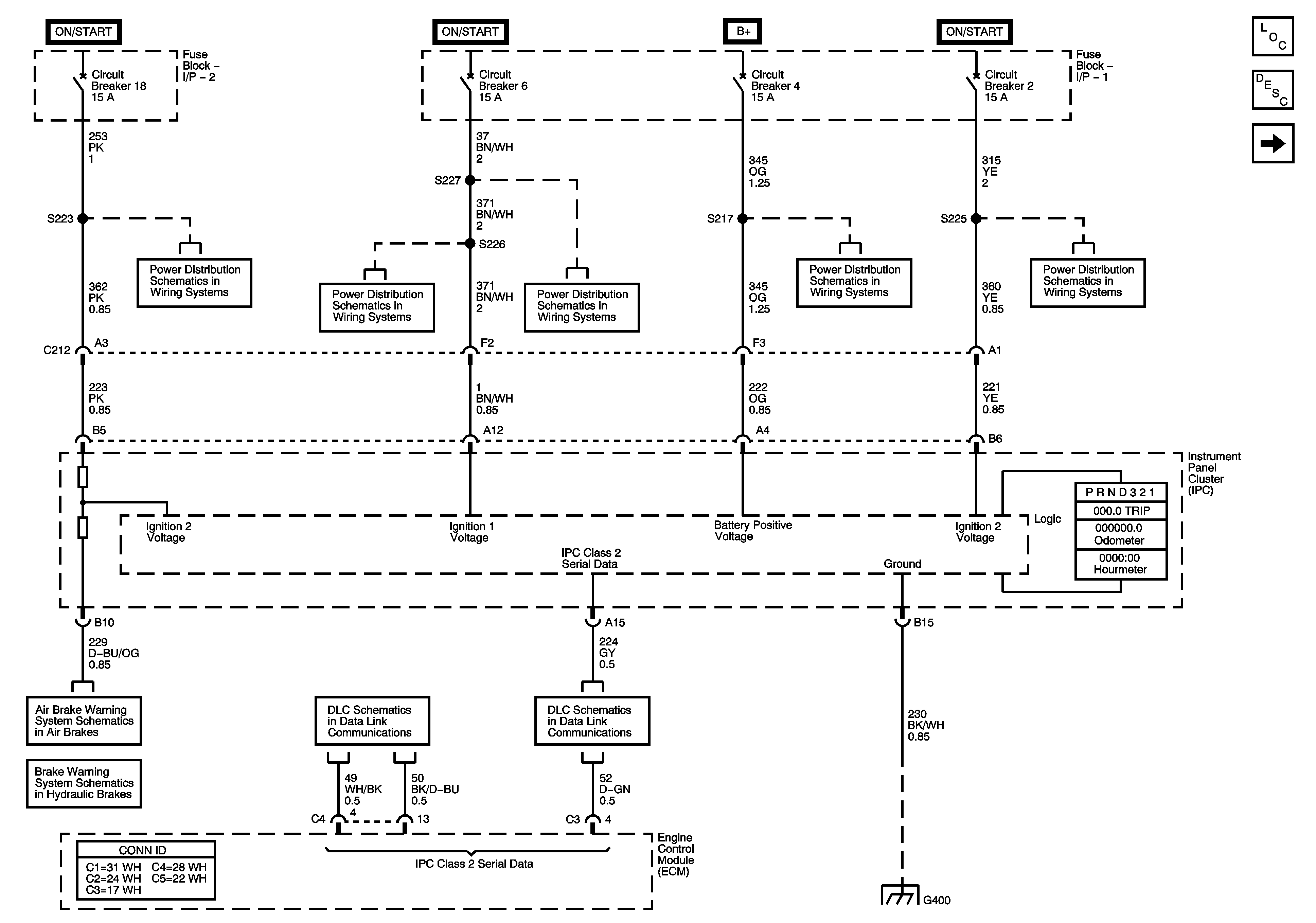
Power, Ground and Serial Data


Object Number: 1204625  Size: FS
Master Electrical Component List
Instrument Cluster Description and Operation
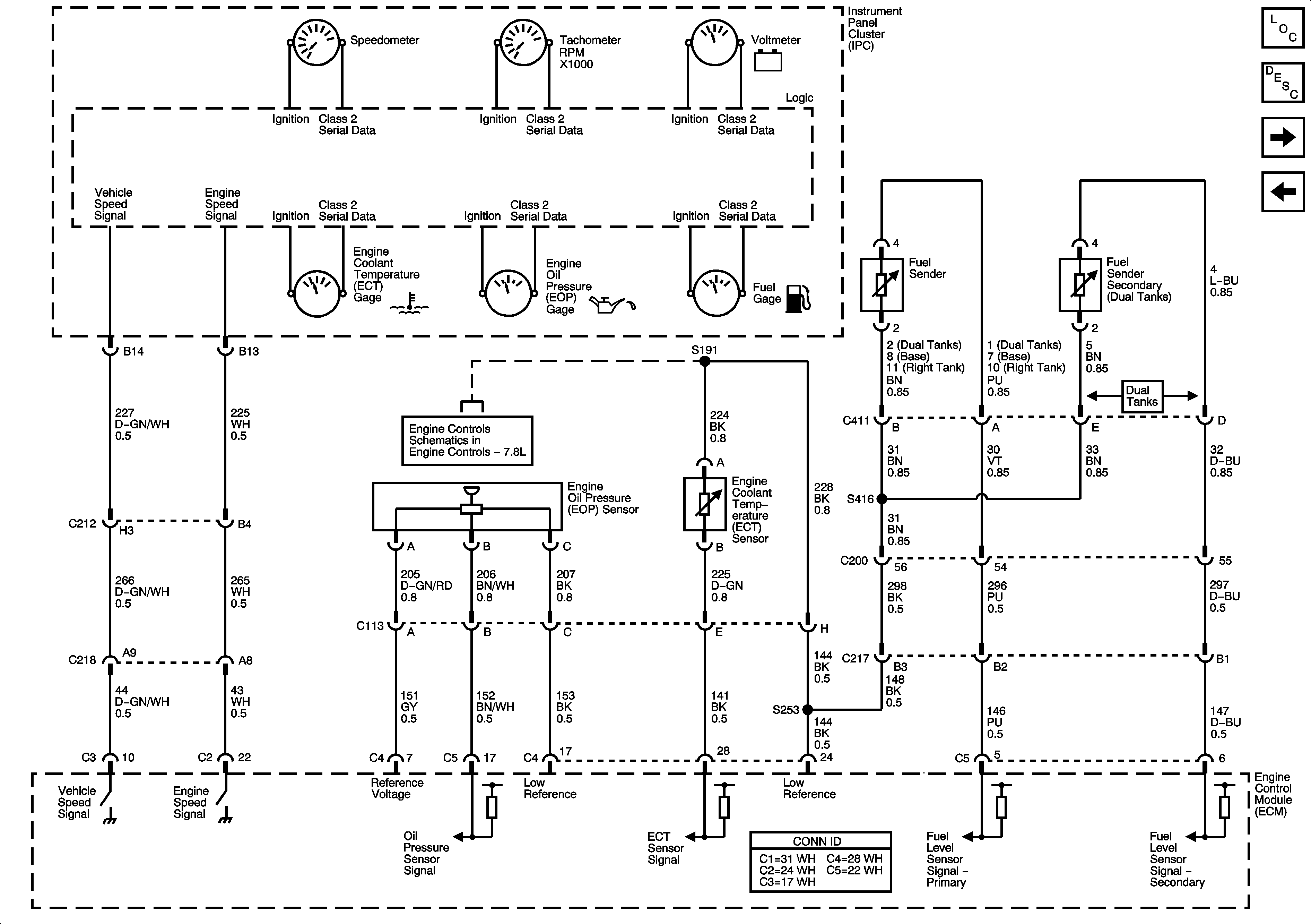
Gages
Figure 2:

Gages


Object Number: 1200242  Size: FS
Master Electrical Component List
Instrument Cluster Description and Operation
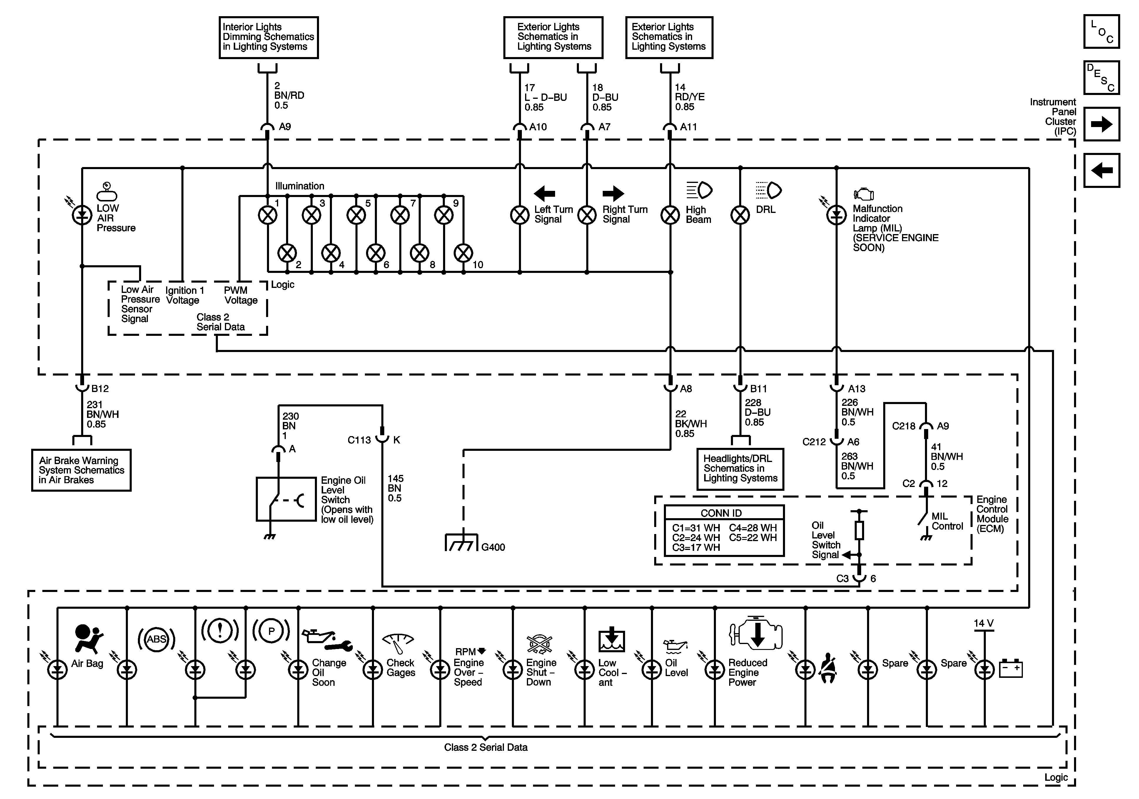
Indicators and Illumination
Power, Ground and Serial Data
Figure 3:

Indicators and Illumination


Object Number: 1200243  Size: FS
Master Electrical Component List
Instrument Cluster Description and Operation
Driver Information Center (DIC)
Gages
Figure 4:

Driver Information Center (DIC)


Object Number: 1200244  Size: FS
Master Electrical Component List
Indicator/Warning Message Description and Operation
Indicators and Illumination

Instrument Cluster Schematics CTF

Figure 1:

Power, Ground and Serial Data


Object Number: 1408552  Size: FS
Master Electrical Component List
Instrument Cluster Description and Operation
Gages
Figure 2:

Gages


Object Number: 1408554  Size: FS
Master Electrical Component List
Instrument Cluster Description and Operation
Indicators and Illumination
Power, Ground and Serial Data
Figure 3:

Indicators and Illumination


Object Number: 1408556  Size: FS
Master Electrical Component List
Instrument Cluster Description and Operation
Driver Information Center (DIC)
Gages
Figure 4:

Driver Information Center (DIC)


Object Number: 1408558  Size: FS
Master Electrical Component List
Indicator/Warning Message Description and Operation
Indicators and Illumination