GM Service Manual Online
For 1990-2009 cars only

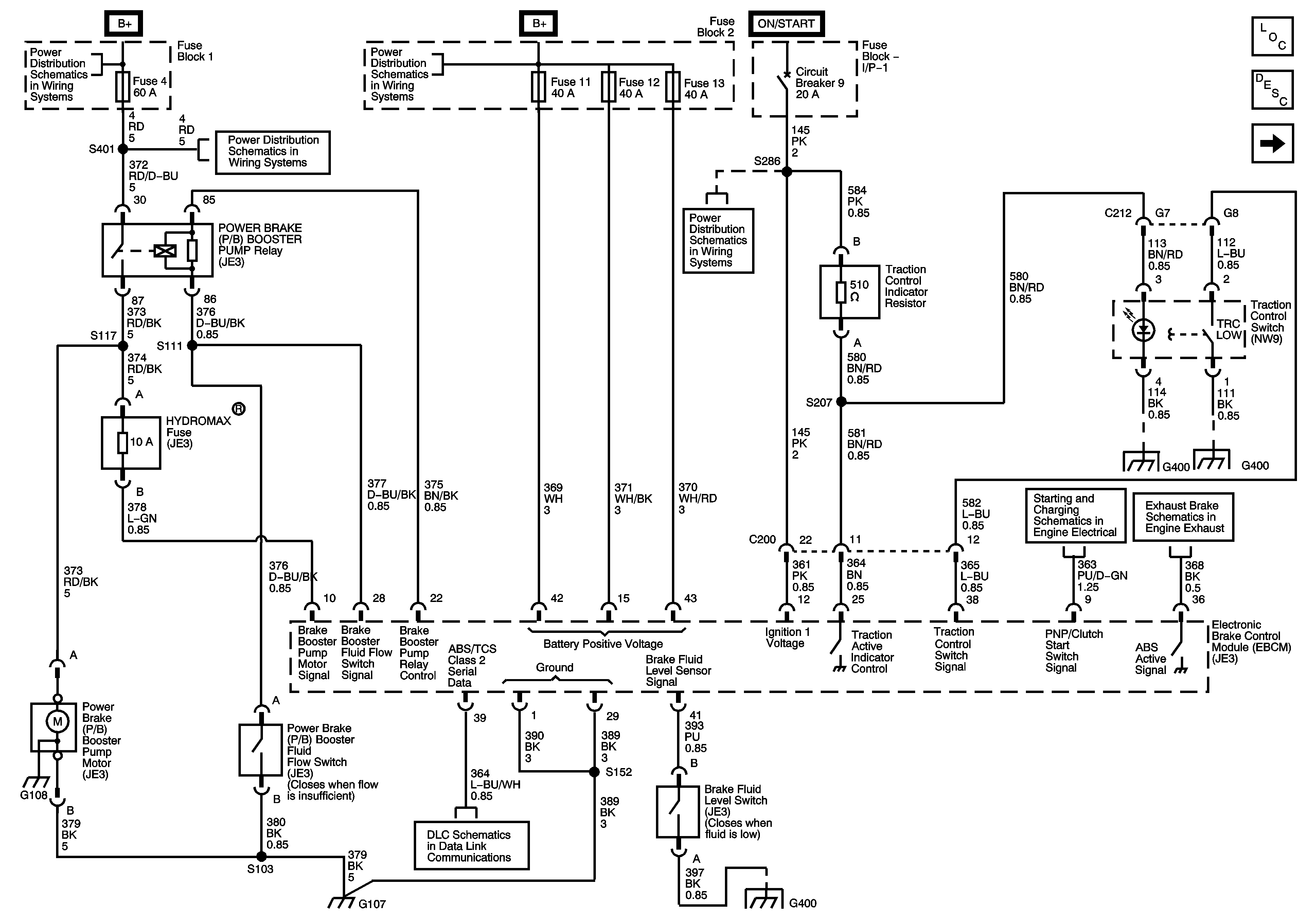
Antilock Brake System Schematics w/o CTF

Figure 1:

Electronic Brake Control Module (EBCM), Power Brake (P/B) Booster Pump Motor, Relays and Switches


Object Number: 1272644  Size: FS
Master Electrical Component List
ABS Description and Operation
Driver Information Center (DIC), Electronic Brake Control Module (EBCM), Instrument Panel Cluster (IPC), Park Brake and Stop Lamp Switches and Wheel Speed Sensors (WSS)
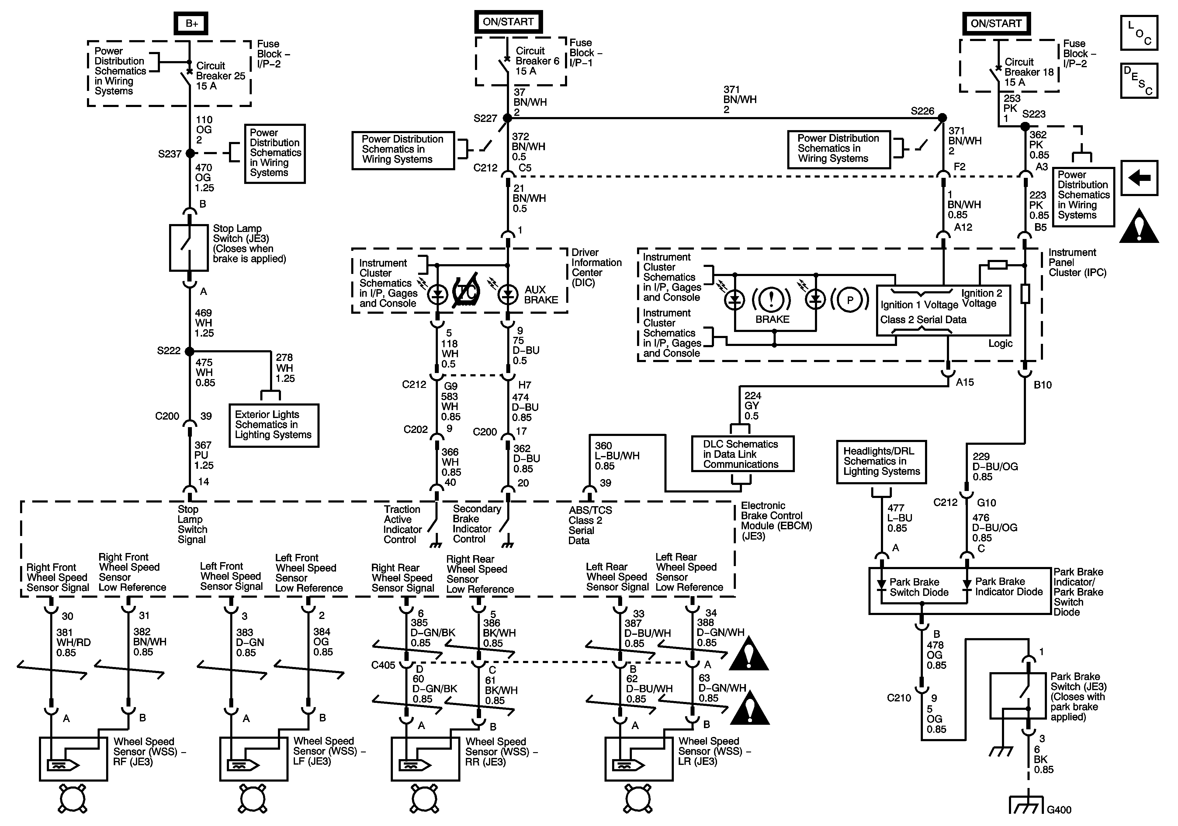
Figure 2:

Driver Information Center (DIC), Electronic Brake Control Module (EBCM), Instrument Panel Cluster (IPC), Park Brake and Stop Lamp Switches and Wheel Speed Sensors (WSS)


Object Number: 1272653  Size: FS
Master Electrical Component List
ABS Description and Operation
Electronic Brake Control Module (EBCM), Power Brake (P/B) Booster Pump Motor, Relays and Switches
Antilock Brake System Schematic Icons

Antilock Brake System Schematics CTF

Figure 1:

Electronic Brake Control Module (EBCM), Power Brake (P/B) Booster Pump Motor, Relays and Switches


Object Number: 1407991  Size: FS
Master Electrical Component List
ABS Description and Operation
Driver Information Center (DIC), Electronic Brake Control Module (EBCM), Instrument Panel Cluster (IPC), Park Brake and Stop Lamp Switches and Wheel Speed Sensors (WSS)
Figure 2:

Driver Information Center (DIC), Electronic Brake Control Module (EBCM), Instrument Panel Cluster (IPC), Park Brake and Stop Lamp Switches and Wheel Speed Sensors (WSS)


Object Number: 1407995  Size: FS
Master Electrical Component List
ABS Description and Operation
Electronic Brake Control Module (EBCM), Power Brake (P/B) Booster Pump Motor, Relays and Switches
Antilock Brake System Schematic Icons