GM Service Manual Online
For 1990-2009 cars only

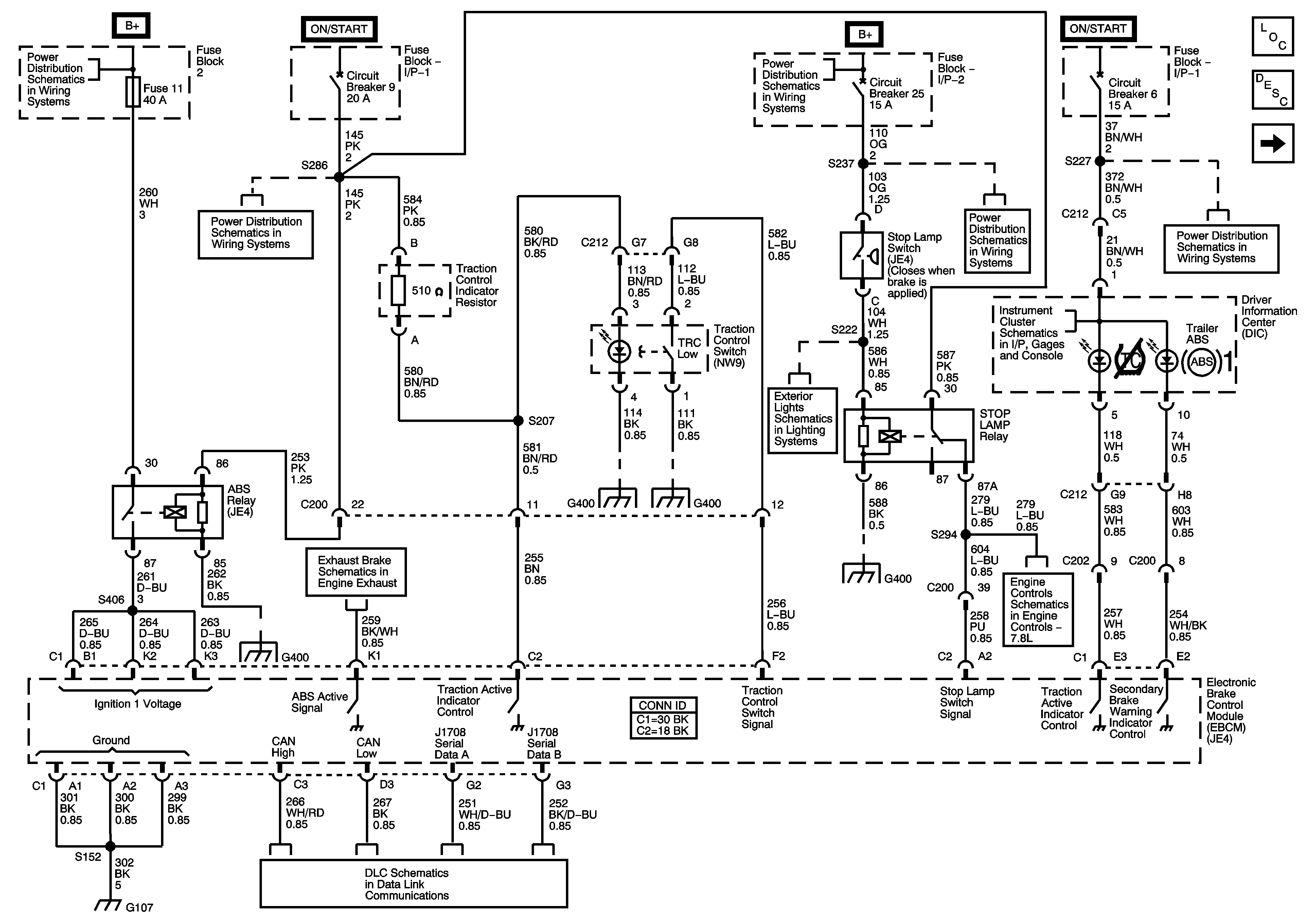
Air Antilock Brake System Schematics w/o CTF

Figure 1:

ABS, STOP LAMP and TRACTION Relays, Driver Information Center (DIC), Electronic Brake Control Module (EBCM), Traction Control and Stop Lamp Switches


Object Number: 1272697  Size: FS
Master Electrical Component List
Air ABS Description and Operation
Brake Pressure Modulator Valves (BPMV), Electronic Brake Control Module (EBCM) and Traction Control Valve (JE4 and NW9)
Figure 2:

Brake Pressure Modulator Valves (BPMV), Electronic Brake Control Module (EBCM) and Traction Control Valve (JE4 and NW9)


Object Number: 1272688  Size: FS
Master Electrical Component List
Air ABS Description and Operation
Electronic Brake Control Module (EBCM) and Wheel Speed Sensors (WSS)
ABS, STOP LAMP and TRACTION Relays, Driver Information Center (DIC), Electronic Brake Control Module (EBCM), Traction Control and Stop Lamp Switches
Air Antilock Brake System Schematic Icons
Figure 3:

Electronic Brake Control Module (EBCM) and Wheel Speed Sensors (WSS)


Object Number: 1272691  Size: FS
Master Electrical Component List
Air ABS Description and Operation
Brake Pressure Modulator Valves (BPMV), Electronic Brake Control Module (EBCM) and Traction Control Valve (JE4 and NW9)
Air Antilock Brake System Schematic Icons

Air Antilock Brake System Schematics CTF

Figure 1:

ABS and Stop Lamp Relays, Driver Information Center (DIC), Electronic Brake Control Module (EBCM), Traction Control and Stop Lamp Switches


Object Number: 1408110  Size: FS
Master Electrical Component List
Air ABS Description and Operation
Brake Pressure Modulator Valves (BPMV), Electronic Brake Control Module (EBCM) and Traction Control Valve (JE4 and NW9)
Figure 2:

Brake Pressure Modulator Valves (BPMV), Electronic Brake Control Module (EBCM) and Traction Control Valve (JE4 and NW9)


Object Number: 1408113  Size: FS
Master Electrical Component List
Air ABS Description and Operation
Electronic Brake Control Module (EBCM) and Wheel Speed Sensors (WSS)
ABS and Stop Lamp Relays, Driver Information Center (DIC), Electronic Brake Control Module (EBCM), Traction Control and Stop Lamp Switches
Air Antilock Brake System Schematic Icons
Figure 3:

Electronic Brake Control Module (EBCM) and Wheel Speed Sensors (WSS)


Object Number: 1408116  Size: FS
Master Electrical Component List
Air ABS Description and Operation
Brake Pressure Modulator Valves (BPMV), Electronic Brake Control Module (EBCM) and Traction Control Valve (JE4 and NW9)
Air Antilock Brake System Schematic Icons