GM Service Manual Online
For 1990-2009 cars only

HVAC Schematics w/o CTF

Figure 1:

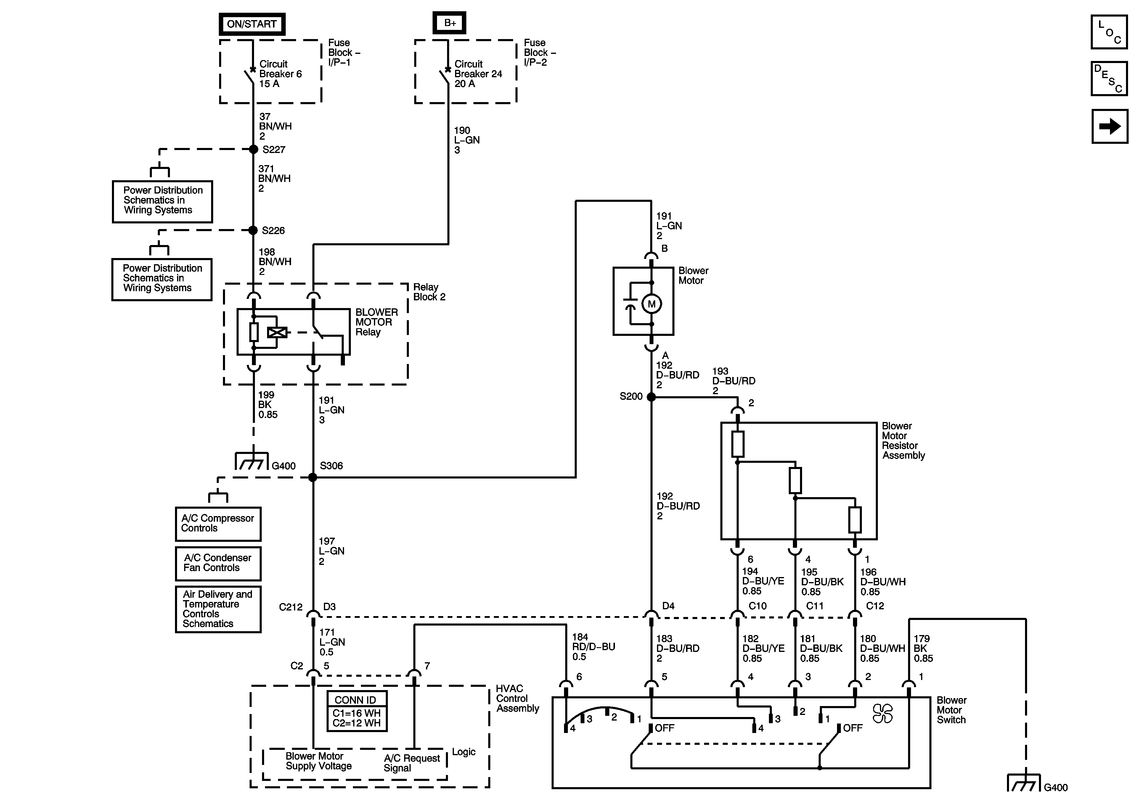
Blower Controls


Object Number: 1253623  Size: FS
Master Electrical Component List
Air Delivery Description and Operation
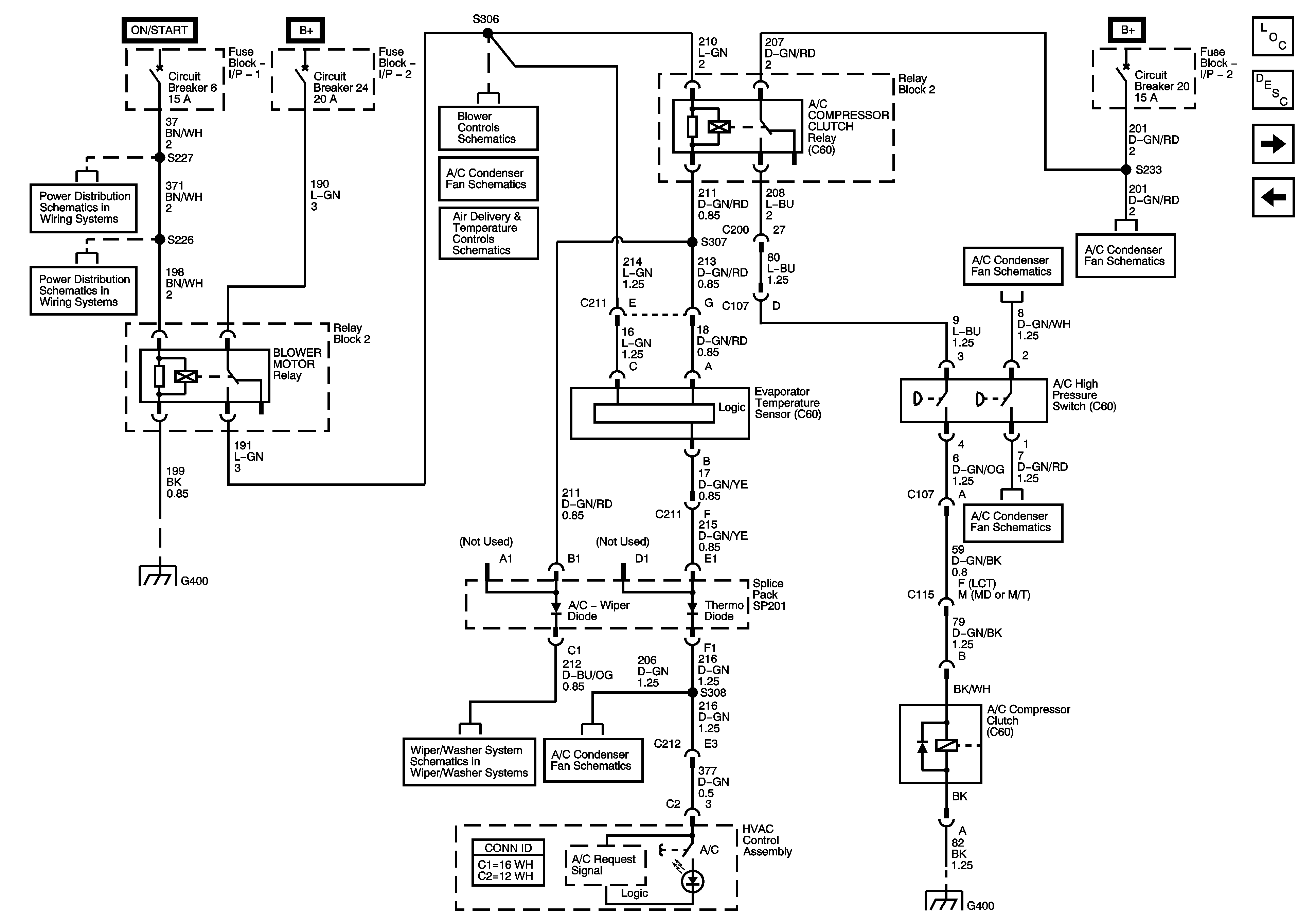
A/C Compressor Controls
Figure 2:

A/C Compressor Controls


Object Number: 1253624  Size: FS
Master Electrical Component List
Air Temperature Description and Operation
A/C Condenser Fan Controls
Blower Controls
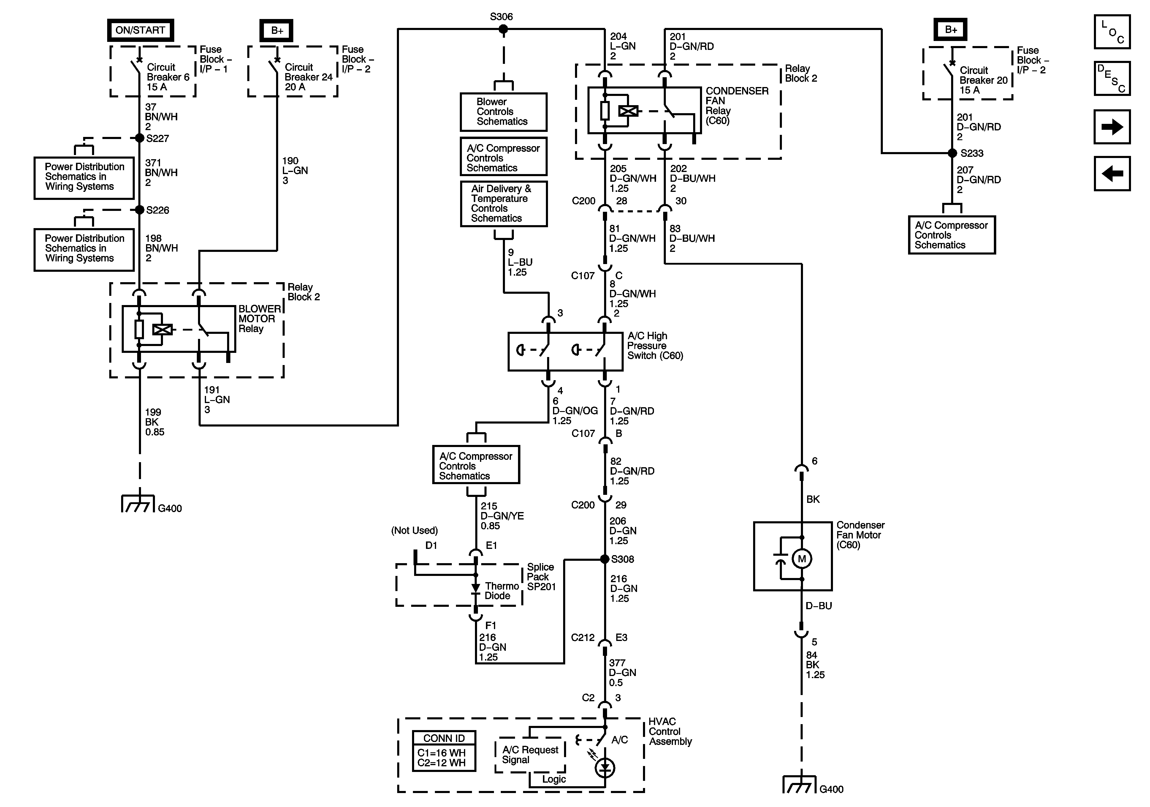
Figure 3:

A/C Condenser Fan Controls


Object Number: 1253625  Size: FS
Master Electrical Component List
Air Temperature Description and Operation
Air Delivery and Temperature Controls
A/C Compressor Controls
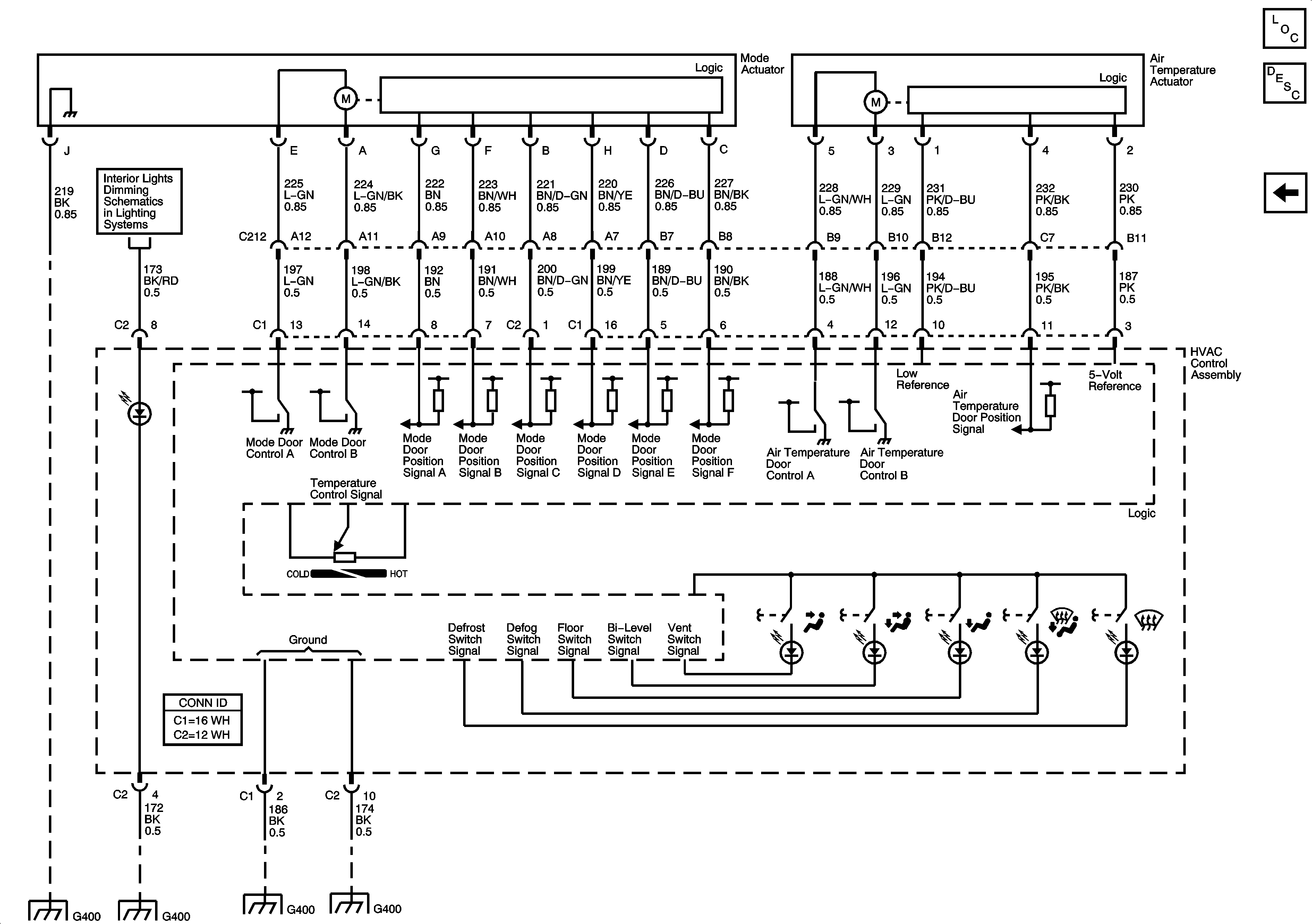
Figure 4:

Air Delivery and Temperature Controls Page 1 of 2


Object Number: 1253626  Size: FS
Master Electrical Component List
Air Delivery Description and Operation
Air Delivery and Temperature Controls Page 2 of 2
A/C Condenser Fan Controls
Figure 5:

Air Delivery and Temperature Controls Page 2 of 2


Object Number: 1393411  Size: FS
Master Electrical Component List
Air Delivery Description and Operation
Air Delivery and Temperature Controls

HVAC Schematics CTF

Figure 1:

Blower Controls


Object Number: 1393425  Size: FS
Master Electrical Component List
Air Delivery Description and Operation
A/C Compressor Controls
Figure 2:

A/C Compressor Controls


Object Number: 1393427  Size: FS
Master Electrical Component List
Air Temperature Description and Operation
A/C Condenser Fan Controls
Blower Controls
Figure 3:

A/C Condenser Fan Controls


Object Number: 1393428  Size: FS
Master Electrical Component List
Air Temperature Description and Operation
Air Delivery and Temperature Controls Page 1 of 2
A/C Compressor Controls
Figure 4:

Air Delivery and Temperature Controls Page 1 of 2


Object Number: 1393429  Size: FS
Master Electrical Component List
Air Delivery Description and Operation
Air Delivery and Temperature Controls Page 2 of 2
A/C Condenser Fan Controls
Figure 5:

Air Delivery and Temperature Controls Page 2 of 2


Object Number: 1396409  Size: FS
Master Electrical Component List
Air Delivery Description and Operation
Air Delivery and Temperature Controls Page 1 of 2