GM Service Manual Online
For 1990-2009 cars only

Removal Procedure

  1. Tilt the cab. Refer to Cab Tilting .
  2. Remove the oil level indicator from the indicator tube.

  3. Object Number: 1255977  Size: SH
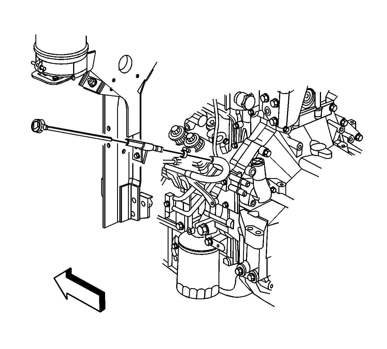
  4. Loosen the oil level indicator tube hose clamp and remove the hose from the tube.

  5. Object Number: 1255974  Size: SH
  6. Remove the oil level indicator tube bolts and tube from the support.

Installation Procedure

  1. Install the engine oil fill indicator tube to the hose with clamp.

  2. Object Number: 1255974  Size: SH
  3. Install the engine oil fill tube to the cab bridge with the engine oil fill tube fastener.

  4. Object Number: 1255977  Size: SH
  5. Install the oil indicator into the oil indicator tube.
  6. Lower the cab.