GM Service Manual Online
For 1990-2009 cars only
Figure 1:

Turn Signal Harness (Front Fascia)


Object Number: 1595109  Size: LF
(1)C105 Turn Signal Harness to Front Chassis Harness
(2)A/C High Pressure Switch (C60)
(3)Park/Turn Signal Lamp - RF
(4)Horn (w/U08)
(5)Horn (w/o U08)
(6)C101 Turn Signal Harness to Horn Harness (U08)
(7)Park/Turn Signal Lamp - LF
Figure 2:

Engine Harness Routing 1 of 3 (LG4)


Object Number: 1595005  Size: LF
(1)A/C Compressor
(2)Glow Plug Power Connector
(3)Fuel Filter
(4)Supply Pump
(5)Oil Filter
(6)Fuel Rail Pressure Sensor
(7)Engine Coolant Temperature (ECT) Sensor
(8)Generator
(9)Glow Plug Relay
(10)C105 Engine Harness to A/C Harness
Figure 3:

Engine Harness Routing 2 of 3 (LG4)


Object Number: 1594993  Size: LF
(1)C122 Engine Harness to Fuel Injector Harness
(2)Heater Intake Temperature Sensor
(3)C123 Engine Harness to Fuel Injector Harness
(4)Fuel Heater
(5)Boost Sensor
(6)Supply Pump Connectors
(7)Crankshaft Position (CKP) Sensor (M/T)
(8)Engine Oil Level (EOL) Switch
(9)Fuel Rail
(10)G102
Figure 4:

Engine Harness Routing 3 of 3 (LG4)


Object Number: 1594938  Size: LF
(1)Electrical Center
(2)Engine Harness
(3)Engine Control Module (ECM) Connector
(4)C115 Engine Harness to Transmission Harness
(5)C109 Engine Harness to I/P Harness
(6)C101 Engine Harness to I/P Harness
(7)C111 Engine Harness to Front Chassis Harness
(8)G101 (Ground Strap)
(9)C104 Engine Harness to Upfitter Supplied Harness (PTO)
(10)C100 Engine Harness to Front Chassis Harness
(11)Starter Motor
(12)C300 Engine Harness to Transmission Harness (Manual)
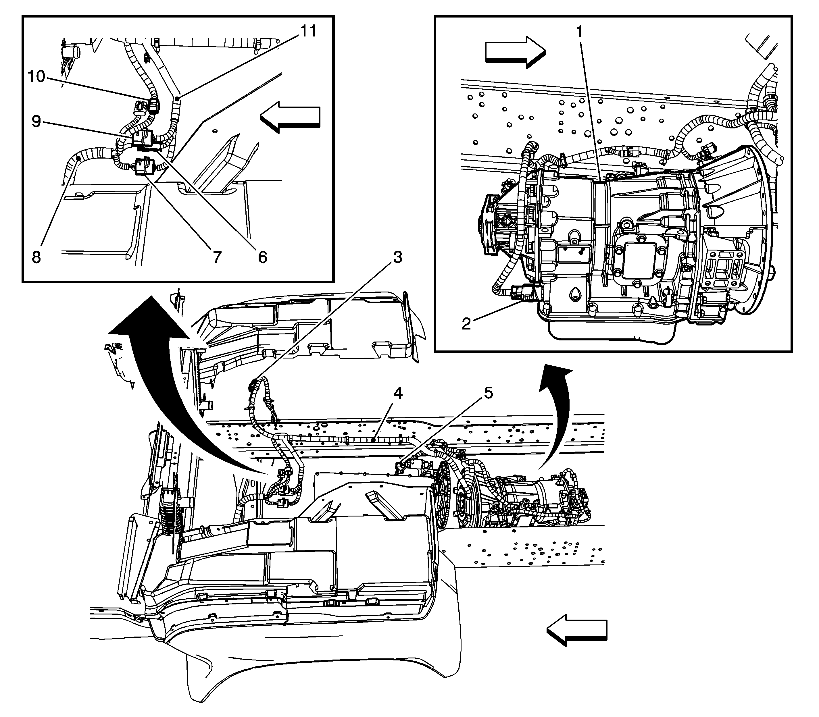
Figure 5:

Engine Chassis Harness


Object Number: 1595166  Size: LF
(1)Automatic Transmission
(2)C175 Engine Chassis Harness to Transmission
(3)A/C Compressor Clutch Pigtail Connector
(4)Engine Chassis Harness
(5)Starter
(6)C125 Engine Chassis Harness to Front Chassis Harness
(7)C117 Engine Chassis Harness to Front Chassis Harness
(8)Front Chassis Harness
(9)C116 Engine Chassis Harness to Front Chassis Harness
(10)C115 Engine Chassis Harness to Front Chassis Harness
(11)Engine Chassis Harness
Figure 6:

Front Chassis Harness 1 of 3


Object Number: 1595432  Size: LF
(1)Condensor and Fan (C60)
(2)G107
(3)C118 Front Chassis Harness to Engine Harness
(4)C115 Front Chassis Harness to Engine Chassis Harness
(5)C116 Front Chassis Harness to Engine Chassis Harness
(6)C125 Front Chassis Harness to Engine Chassis Harness
(7)C117 Front Chassis Harness to Engine Chassis Harness
(8)Engine Control Module (ECM)
(9)C111 Front Chassis Harness to Engine Chassis Harness
(10)Wheel Speed Sensor (WSS)-LF
(11)Data Link Connector (DLC) Resistor
(12)Front Fascia
(13)C105 Front Chassis Harness to Turn Signal Harness
(14)C207 Front Chassis Harness to Lower I/P Harness (LG4)
(15)C205 Front Chassis Harness to Lower I/P Harness (LG4)
(16)C200 Front Chassis Harness to Lower I/P Harness
(17)C202 Front Chassis Harness to Lower I/P Harness
(18)C204 Front Chassis Harness to Lower I/P Harness
(19)Front Chassis Harness
Figure 7:

Front Chassis Harness 2 of 3


Object Number: 1595416  Size: LF
(1)Hydromax Fuse (JE3)
(2)ABS Relay (JE4)
(3)Power Brake (P/B) Booster Pump Relay
(4)Surge Tank Bracket
(5)Cab Bridge
(6)C104 (Upfitter PTO Connector)
(7)C405 Front Chassis Harness to Rear Chassis Harness
(8)Trailer Stop Lamp Relay (RQ2 and U86 or RQ3)
(9)Starter Relay Connector C2
(10)Starter Relay Connector C1
(11)Starter Relay Connector C3
(12)C411 Front Chassis Harness to Fuel Tank Harness
(13)C405 Front Chassis Harness to Rear Chassis Harness
(14)C403 Front Chassis Harness to Rear Chassis Harness
(15)C406 Front Chassis to Tractor/Trailer Harness (JE4, RQ2 and U86 or JE4 and RQ3)
(16)C421 Front Chassis Harness to Air Compressor Harness (K16)
(17)Fuse Block 2
(18)Fuse Block 1
(19)C100 Front Chassis Harness to Upfitter AUX WRG Connector
(20)C106 Front Chassis Harness to Upfitter PTO Harness
Figure 8:

Front Chassis Harness 3 of 3


Object Number: 1595346  Size: LF
(1)Cab Bridge
(2)Frame Rail - RH
(3)C400 Front Chassis Harness to Fusible Link
(4)C402 Front Chassis Harness to Fusible Link
(5)Batteries
(6)Low Air Pressure Switch - Primary (JE4)
(7)SP400
Figure 9:

Inboard Left Frame Rail, Rear of the Spring Perch


Object Number: 1499151  Size: LF
(1)Engine Bell Housing
(2)C104 (10 cavities - Upfitter PTO Connector)
(3)Front Chassis Harness
(4)Left Frame Rail
(5)Left Rear Spring Perch
Figure 10:

Inboard Left Frame Rail, Forward of #2 Crossmember


Object Number: 1493773  Size: LF
(1)Front Chassis Harness
(2)C106 (6 Cavities - Upfitter Remote PTO Connector - PTO)
(3)C120 (4 Cavities - Upfitter PTO Throttle Position Sensor Connector - PTO)
(4)C100 (12 Cavities - Upfitter AUX WRG Connector)
(5)C103 (10 Cavities - Upfitter TRANS OPT Connector - A/T)
(6)Lower Left Frame Rail
Figure 11:

Outboard Right Frame Rail, Rear of the Air Cleaner


Object Number: 1499094  Size: LF
(1)Right Frame Rail
(2)G400 (from Splice Pack SP400 and Negative Battery Cable)
(3)Ground Cable to Splice Pack SP400
(4)Front Chassis Harness
(5)C402 (2 cavities)
(6)Fusible Link 1
(7)Fusible Link 2
(8)Air Intake Elbow
(9)Positive Battery Cable
(10)Air Cleaner
(11)Fusible Link 3
(12)Fusible Link 4
(13)C400 (2 cavities)
(14)Negative Battery Cable
(15)Battery - Outboard
(16)Negative Battery to Battery Cable
(17)Battery - Inboard
Figure 12:

Behind the Left Side of the I/P


Object Number: 1551566  Size: LF
(1)Lower I/P Harness
(2)S305
(3)Controller Area Network (CAN) Connector
(4)Forward Bulkhead
(5)C209 (6 cavities - Upfitter Connector - PTO)
(6)Glow Plug Relay
(7)Glow Plug Relay C2
(8)Glow Plug Relay C1
(9)Driver Grab-handle
(10)Door Harness - Left
Figure 13:

Outboard Right Frame Rail, Rear of the Batteries


Object Number: 1499074  Size: LF
(1)Right Frame Rail
(2)Fuel Tank (NK8 or NNW) or Fuel Tank - Secondary (NG7, NJ7, NJ8 or NNQ)
(3)G410 shown, G411 on Left Fuel tank
(4)Fuel Sender (NK8 or NNW) or Fuel Sender - Secondary (NG7, NJ7, NJ8 or NNQ)
(5)G400 (from Splice Pack SP400 and Negative Battery Cable)
(6)Battery - Inboard
(7)Battery - Outboard
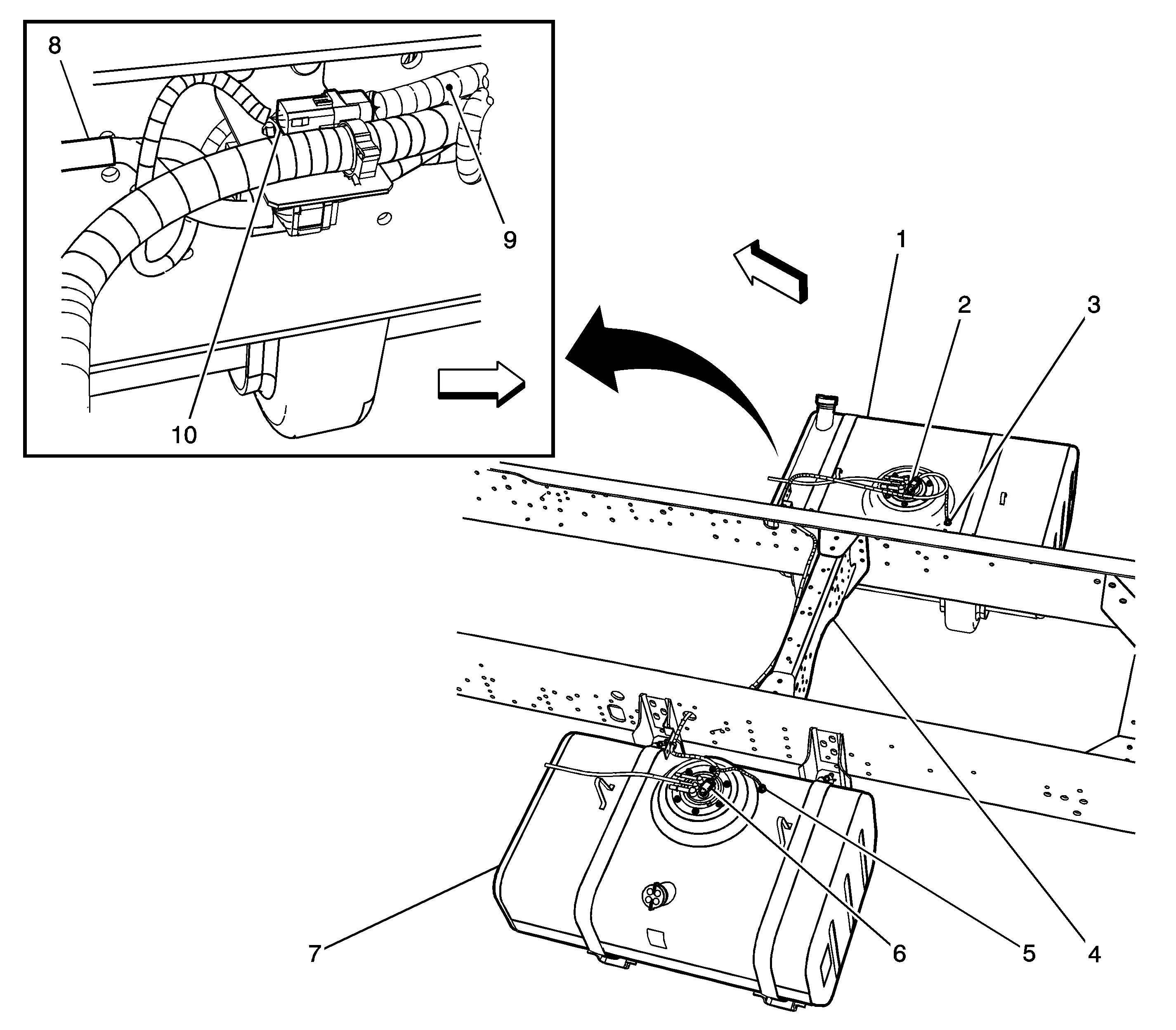
Figure 14:

Fuel Tank - Right (NK8)


Object Number: 1595091  Size: LF
(1)Fuel Sender (NK8 or NNW)
(2)G410
(3)Fuel Sender Harness
(4)Crossmember Center Beam
(5)Front Chassis Harness
(6)C411 Fuel Sender Harness to Front Chassis Harness
(7)Rear Chassis Harness
Figure 15:

Fuel Tank - Left (NK6)


Object Number: 1595093  Size: LF
(1)G411
(2)Fuel Sender - Left (w/o NK8 or NNW)
(3)C411 Fuel Sender Harness to Front Chassis Harness
(4)Front Chassis Harness
(5)Crossmember Center Beam
(6)Rear Chassis Harness
Figure 16:

Fuel Tanks - Dual (NJ8)


Object Number: 1595095  Size: LF
(1)Fuel Tank - Right
(2)Fuel Sender - Secondary (NG7, NJ7, NJ8 or NNQ)
(3)G410
(4)Crossmember Center Beam
(5)G411
(6)Fuel Sender - Primary
(7)Fuel Tank - Left
(8)Rear Chassis Harness
(9)Front Chassis Harness
(10)C411 Fuel Sender Harness to Front Chassis Harness
Figure 17:

Trailer Front Harness to Cab Bridge, Left Forward View


Object Number: 231704  Size: LF
(1)Trailer Receptacle
Figure 18:

Rear Chassis Harness 1 of 2


Object Number: 1595301  Size: LF
(1)Frame Rail - RH
(2)C404 Rear Chassis Harness to Two-Speed Rear Axle Harness
(3)Rear Chassis Harness
(4)Rear Axle Shift Motor Connector - Two-Speed (HP2)
(5)Rear Axle Shift Relay - Two-Speed (HP2)
(6)Rear Spring Crossmember - Front
Figure 19:

Rear Chassis Harness 2 of 2


Object Number: 1595312  Size: LF
(1)C405 Rear Chassis Harness to Front Chassis Harness
(2)C403 Rear Chassis Harness to Front Chassis Harness
(3)Front Chassis Harness
(4)Rear Chassis Harness
(5)Surge Tank Bracket
(6)Cab Bridge
(7)Batteries
Figure 20:

Trailer Harness


Object Number: 1595241  Size: LF
(1)G402
(2)Tractor or Trailer Receptacle
(3)Trailer Harness
(4)C406 Trailer Harness to Front Chassis Harness (JE4, RQ2 and U86 or JE4 and RQ3)
(5)Front Chassis Harness