GM Service Manual Online
For 1990-2009 cars only
Makes
🢒
Isuzu
🢒
2005
🢒
Isuzu MD F-Series
🢒 Splice Packs and Modules - 1 of 2
Splice Packs and Modules - 1 of 2
Splice Packs and Modules 1 of 2
Master Electrical Component List
Data Link Communications Description and Operation
Splice Packs and Modules - 2 of 2
Controller Area Network (CAN) Connector and Data Link Connector (DLC)
Computer/Integrating Systems Schematic Icons
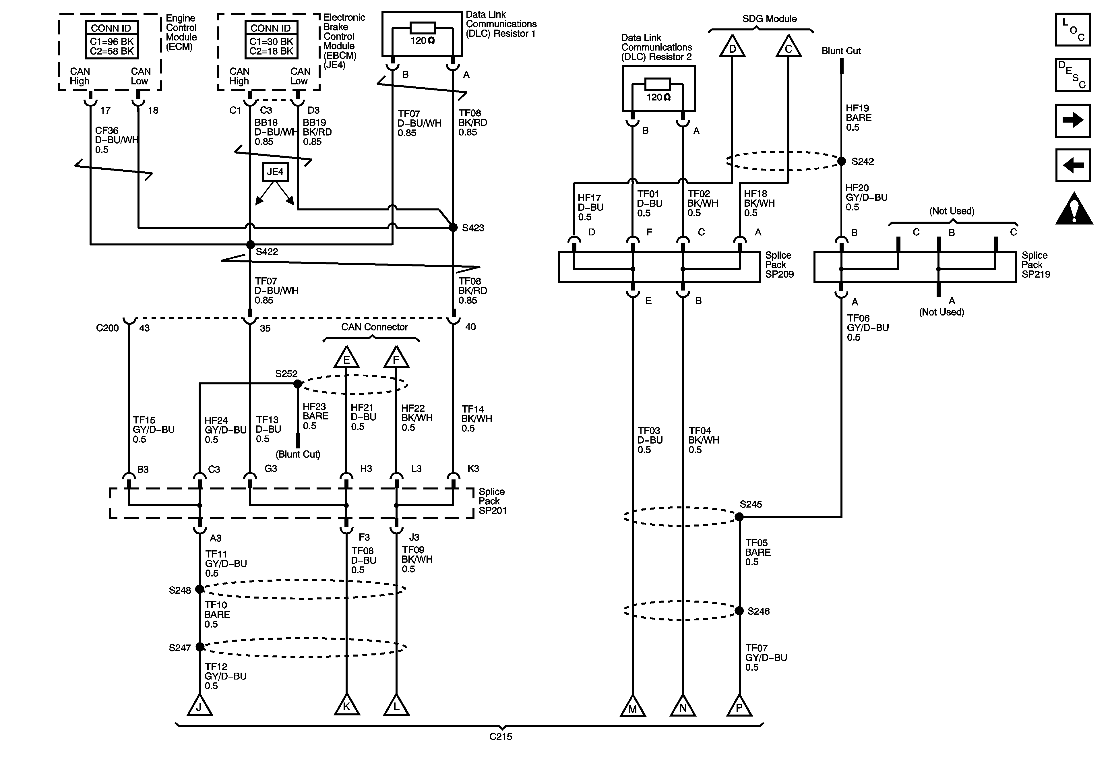
Controller Area Network (CAN) Connector and Data Link Connector (DLC)
Controller Area Network (CAN) Connector and Data Link Connector (DLC)
Controller Area Network (CAN) Connector and Data Link Connector (DLC)
Controller Area Network (CAN) Connector and Data Link Connector (DLC)
Splice Packs and Modules - 2 of 2
Splice Packs and Modules - 2 of 2
Splice Packs and Modules - 2 of 2
Splice Packs and Modules - 2 of 2
Splice Packs and Modules - 2 of 2
Splice Packs and Modules - 2 of 2