GM Service Manual Online
For 1990-2009 cars only
Makes
🢒
Isuzu
🢒
2005
🢒
Isuzu MD F-Series
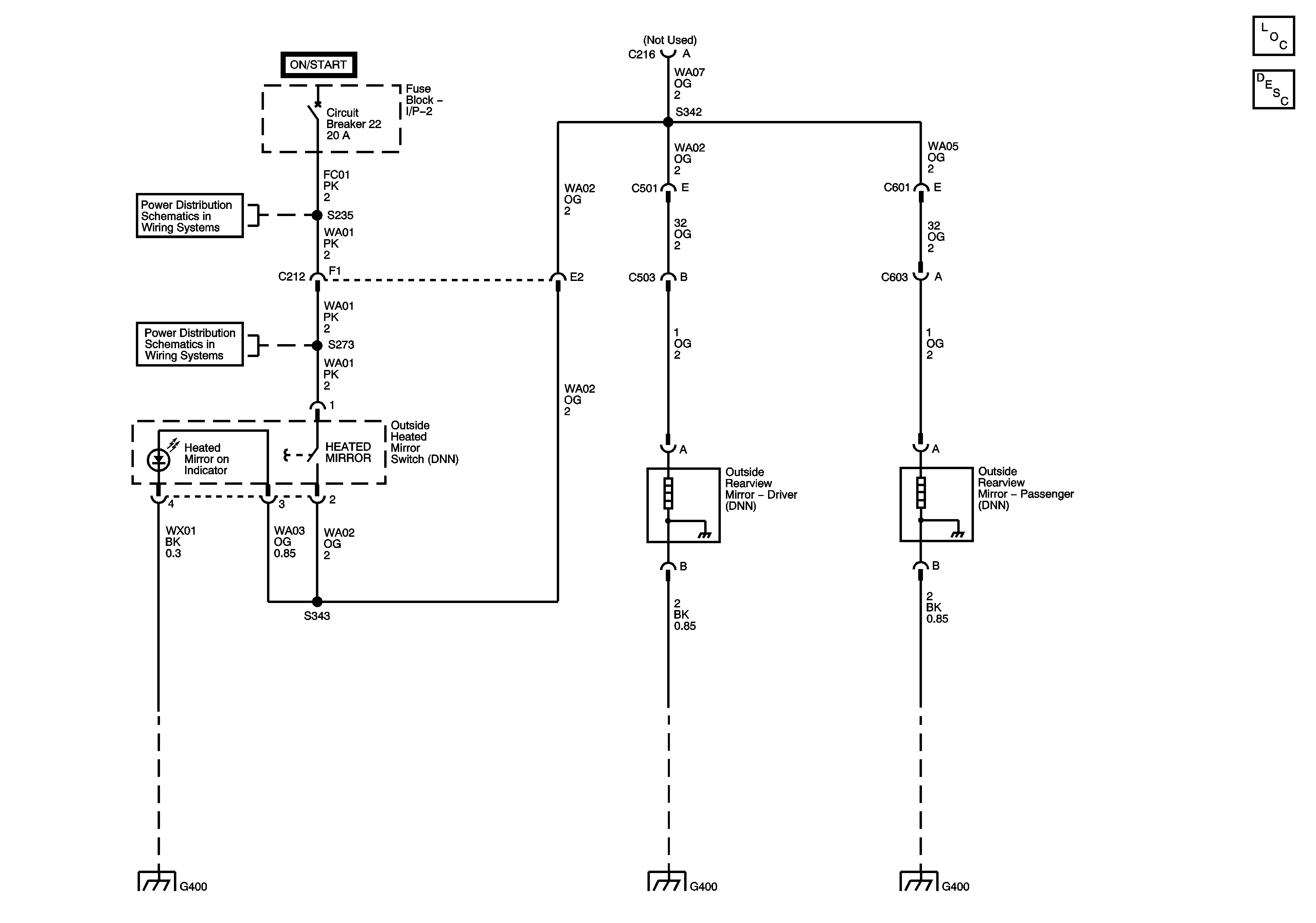
🢒 Outside Mirror Schematics
Outside Mirror Schematics
Master Electrical Component List
Outside Mirror Description and Operation
Fuse Block 1: Fuses 6 and 7, Fuse Block 2: Fuse 8 and Fuse Block - I/P - 2: Circuit Breake
Fuse Block 1: Fuses 6 and 7, Fuse Block 2: Fuse 8 and Fuse Block - I/P - 2: Circuit Breake
Fuse Block 1: Fuses 6 and 7, Fuse Block 2: Fuse 8 and Fuse Block - I/P - 2: Circuit Breake
Splices S302 and S303
Splices S305 and S500
Splices S310, S348, S349, S359, S360, and S600