GM Service Manual Online
For 1990-2009 cars only
Makes
🢒
Isuzu
🢒
2005
🢒
Isuzu MD F-Series
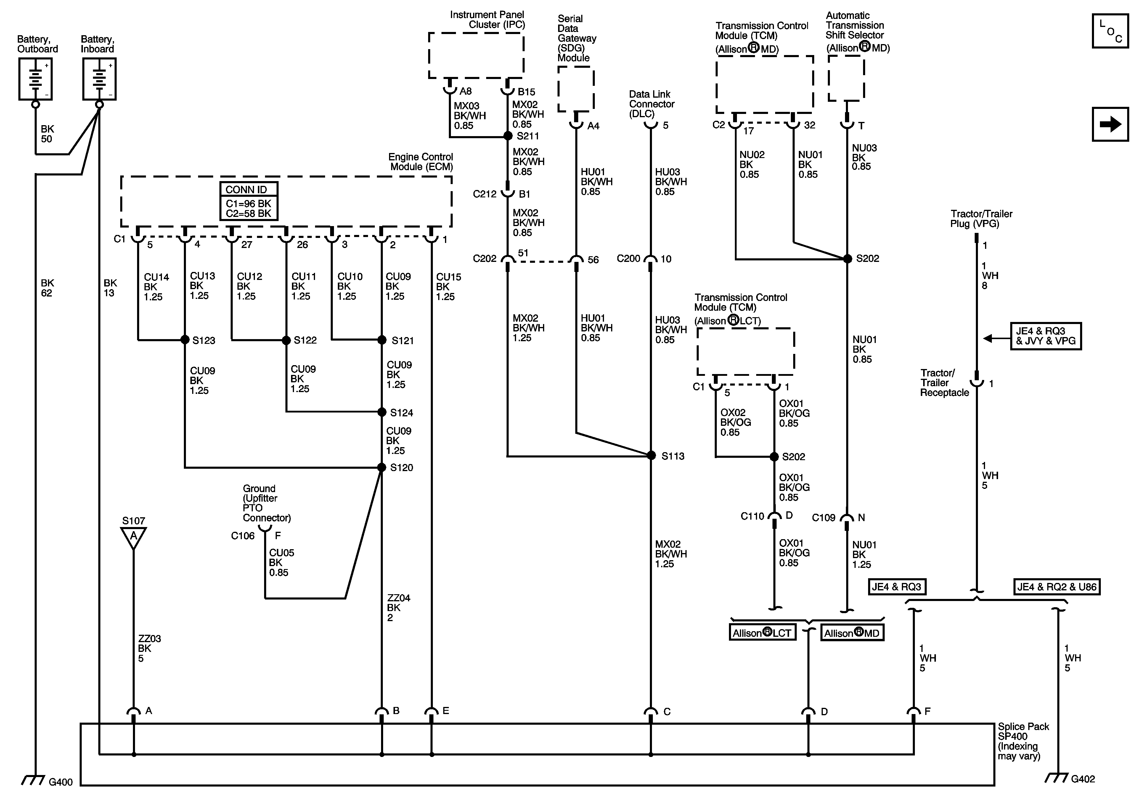
🢒 Batteries, Grounds G400 and G402, Splices S113, S120, S121, S123, S124, S202 and S211 and Splice Pack SP400
Batteries, Grounds G400 and G402, Splices S113, S120, S121, S123, S124, S202 and S211 and Splice Pack SP400
Batteries, Grounds G400 and G402, Splices S113, S120, S121, S122, S123, S124, S202 and S211 and Splice Pack SP400
Master Electrical Component List
Grounds G100, G101, G102, G103, G107, G108, G114, G208, G209, G210, G214, G501, G502, G601 and G602 and Splices S103, S109, S152 and S402
Grounds G410 and G411 and Splices S101, S105 and S107