GM Service Manual Online
For 1990-2009 cars only
Makes
🢒
Isuzu
🢒
2005
🢒
Isuzu MD F-Series
🢒 Splice Pack SP211
Splice Pack SP211
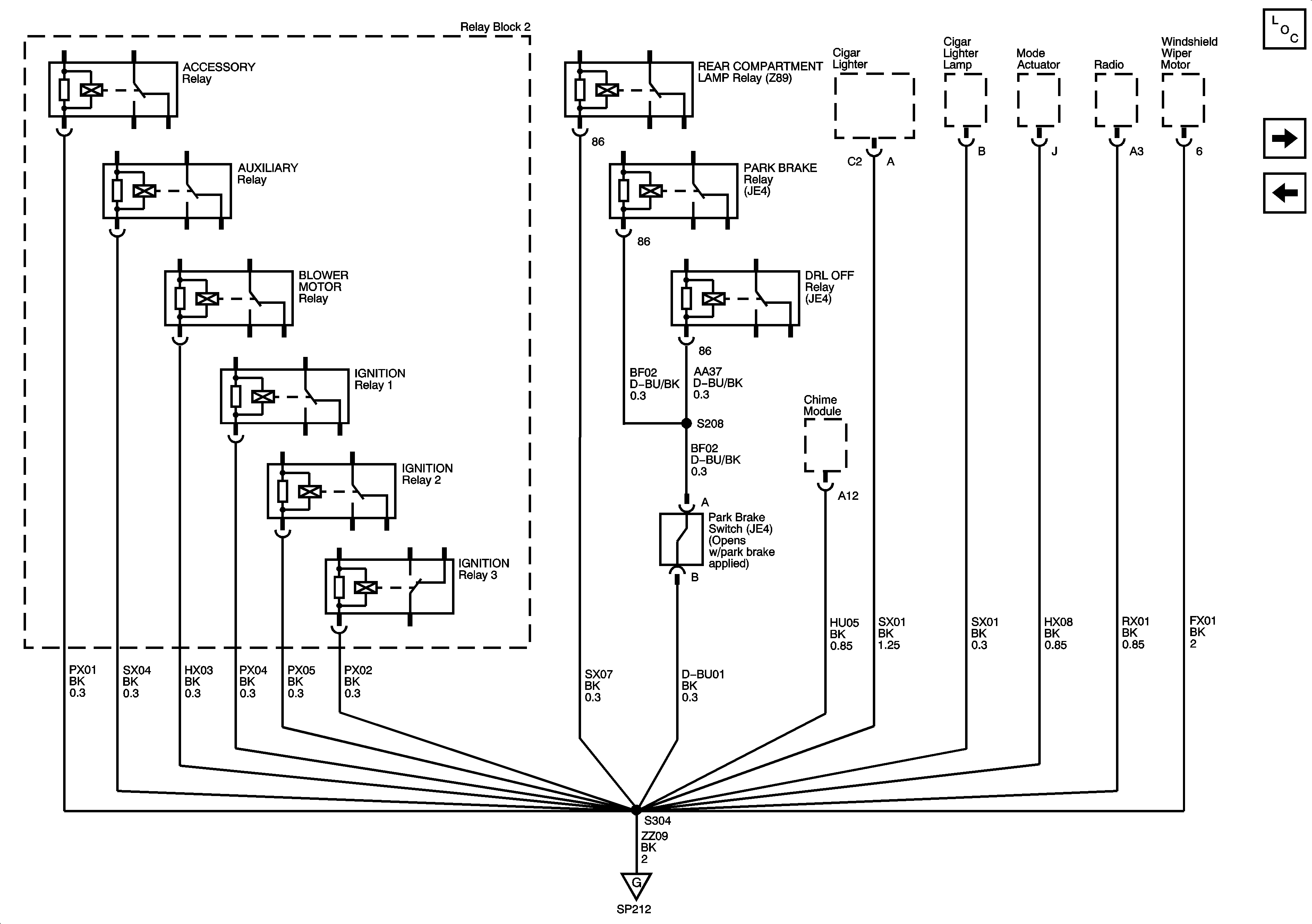
Splice S304
Master Electrical Component List
Splices S305 and S500
Splices S310, S348, S349, S359, S360, and S600
Splice S358 and Splice Pack SP212