GM Service Manual Online
For 1990-2009 cars only
Makes
🢒
Isuzu
🢒
2007
🢒
Isuzu MD F-Series
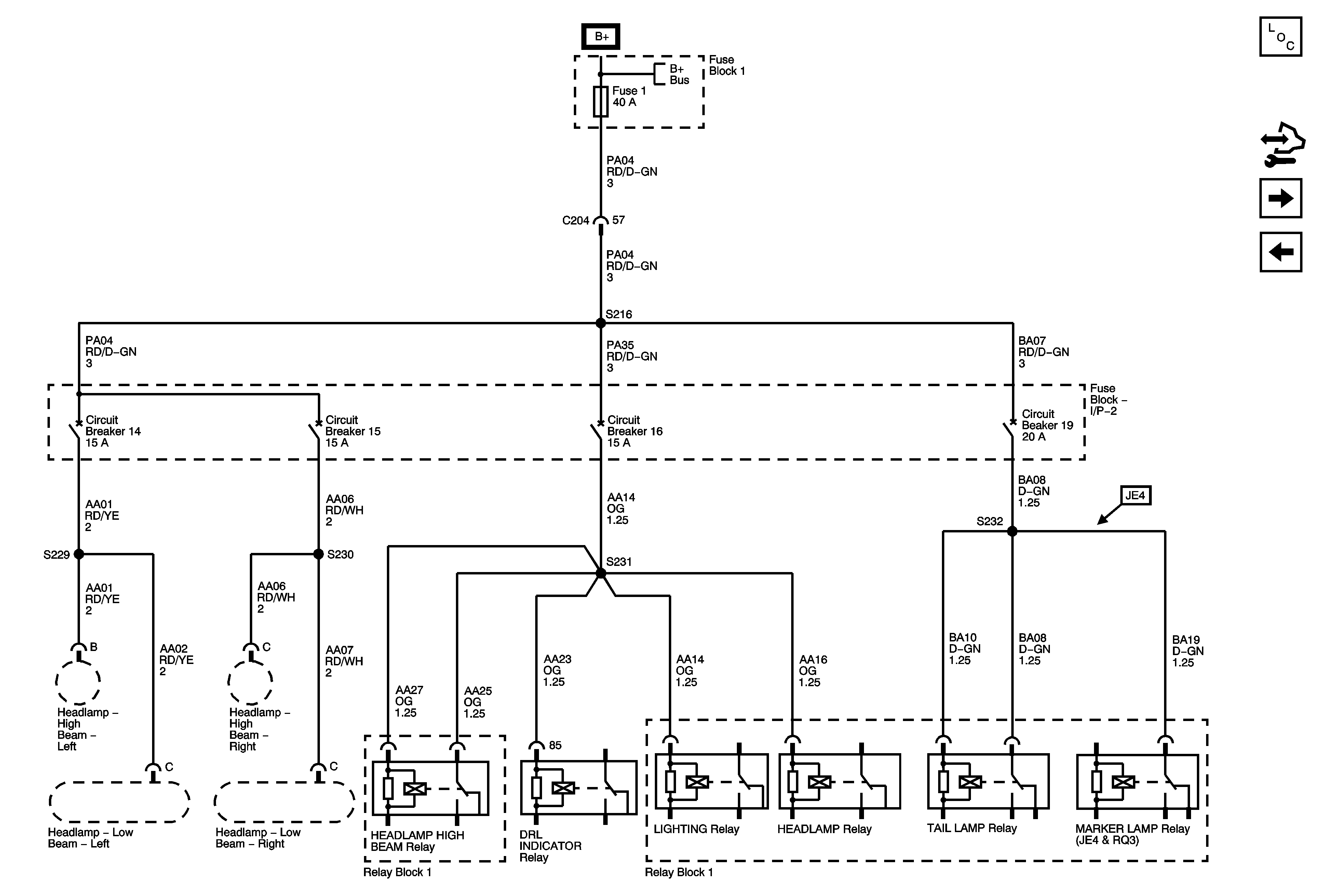
🢒 Fuse Block 1: Fuse 1 and Fuse Block I/P 2: Circuit Breakers 14, 15, 16, and 19
Fuse Block 1: Fuse 1 and Fuse Block I/P 2: Circuit Breakers 14, 15, 16, and 19
Fuse Block 1: Fuse 1 and Fuse Block I/P 2: Circuit Breakers 14, 15, 16, and 19
Master Electrical Component List
Control Module References
Fuse Block 1: Fuse 2 and Fuse Block I/P 1: Circuit Breakers 4, 7, and 8
Battery Supply and B+ Bus
Battery Supply and B+ Bus