GM Service Manual Online
For 1990-2009 cars only
Makes
🢒
Isuzu
🢒
2007
🢒
Isuzu MD F-Series
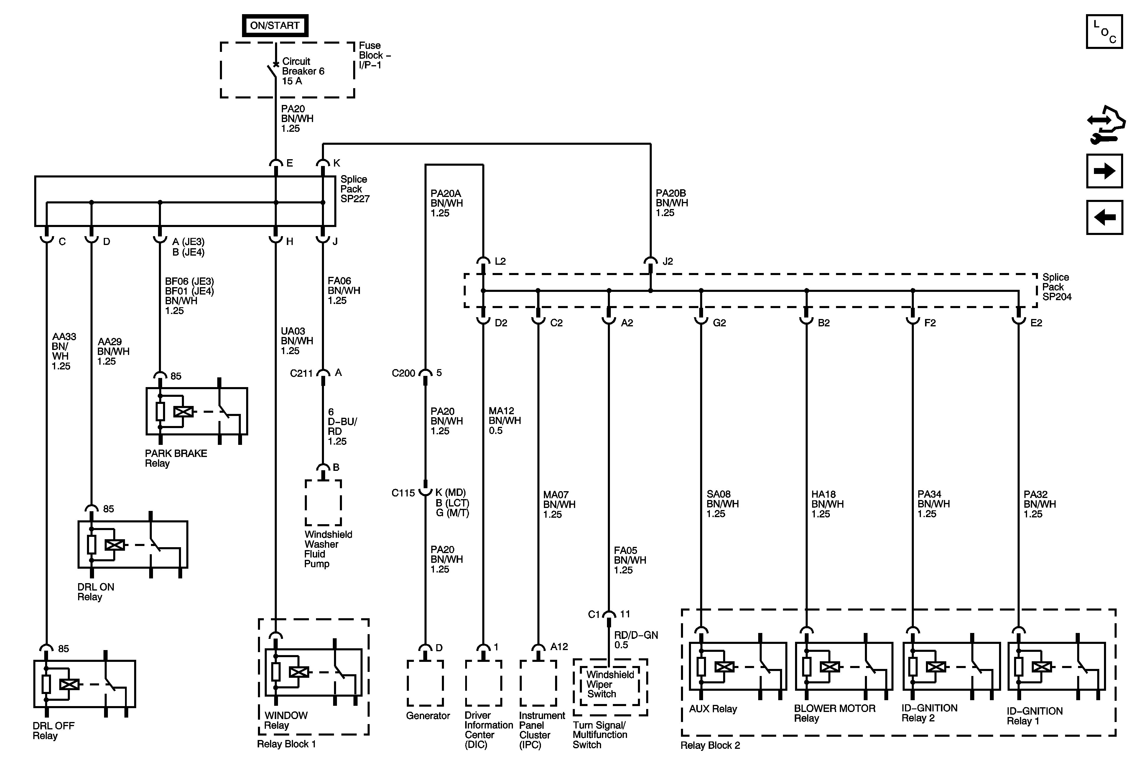
🢒 Fuse Block I/P 1: Circuit Breaker 6
Fuse Block I/P 1: Circuit Breaker 6
Fuse Block I/P 1: Circuit Breaker 6
Master Electrical Component List
Control Module References
Fuse Block I/P 1: Circuit Breakers 2 and 3
Fuse Block 2: Fuse 10, Fuse Block I/P 1: Circuit Breaker 1, and Ignition Switch ACCY/RUN, RUN START, and START Bus Bars