GM Service Manual Online
For 1990-2009 cars only
Makes
🢒
Isuzu
🢒
2007
🢒
Isuzu MD F-Series
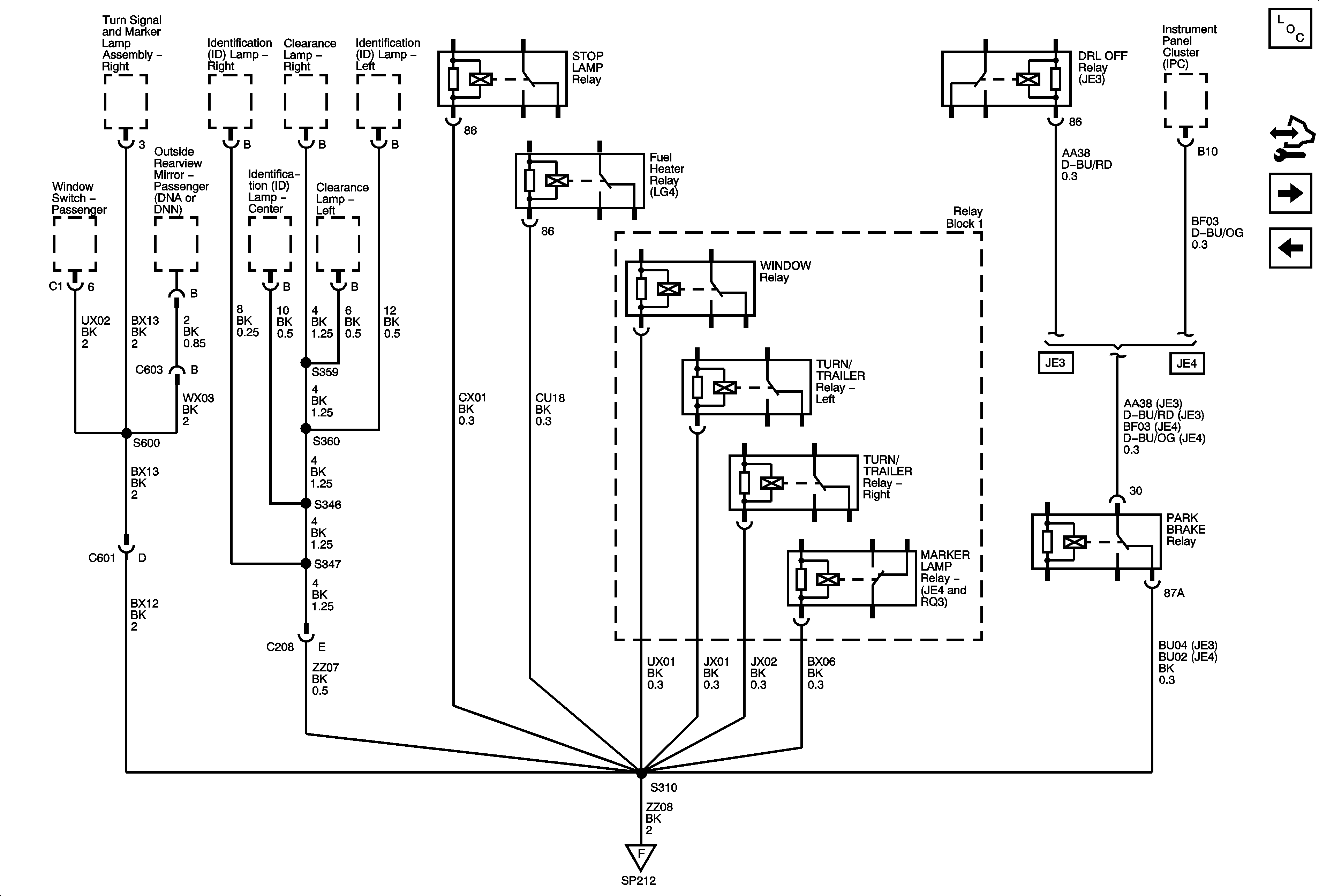
🢒 G400 and G402 - 4 of 8
G400 and G402 - 4 of 8
G400 and G402 - 4 of 8
Master Electrical Component List
Control Module References
G400 and G402 - 5 of 8
G400 and G402 - 3 of 8
G400 and G402 - 7 of 8