GM Service Manual Online
For 1990-2009 cars only
Makes
🢒
Isuzu
🢒
2007
🢒
Isuzu MD F-Series
🢒 Starting LF8
Starting LF8
Starting LF8
Master Electrical Component List
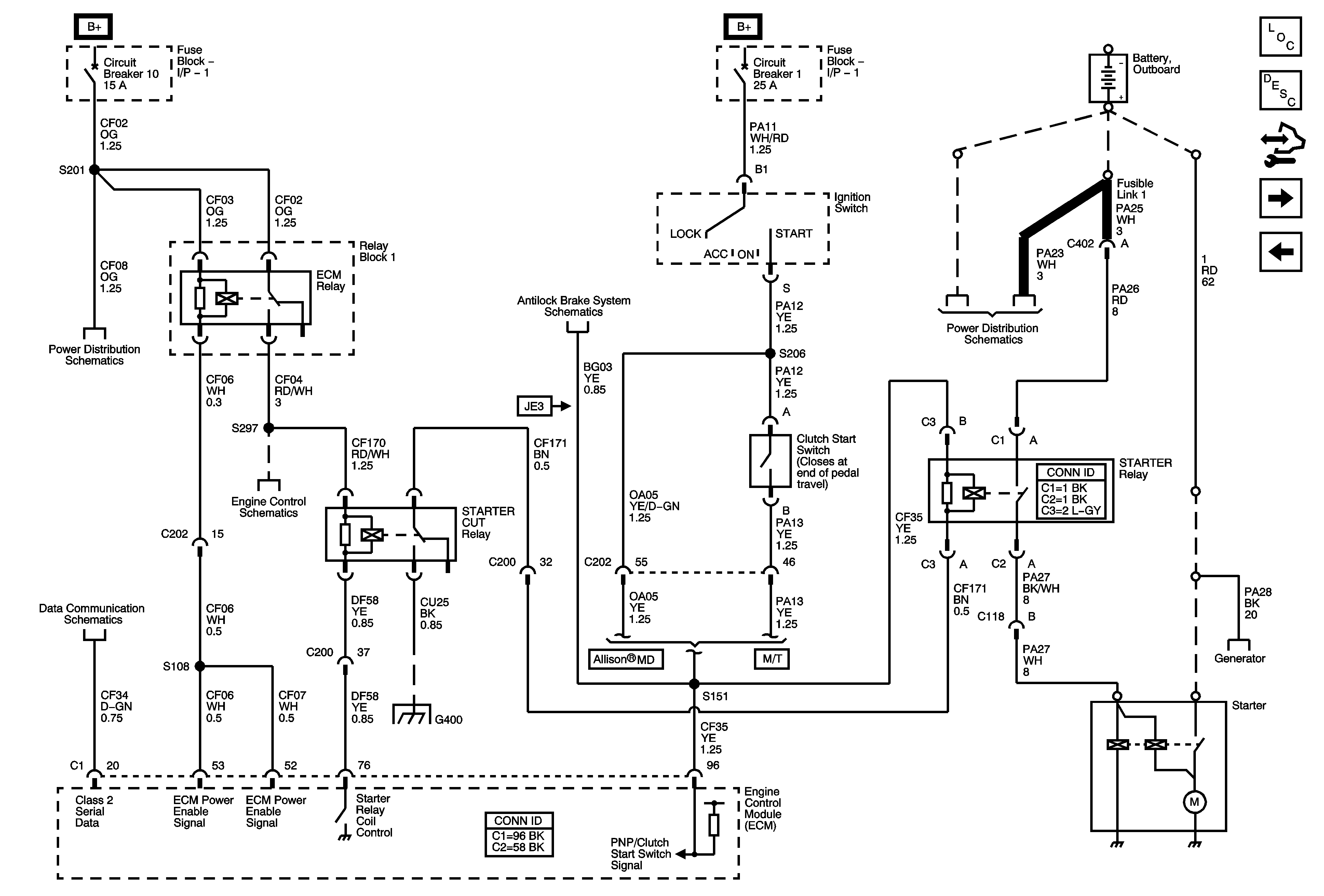
Starting System Description and Operation
Control Module References
Charging
Starting
Fuse Block 1: Fuse 5 and Fuse Block I/P 1: Circuit Breakers 5, 9 - 1 of 2, and 10
Module Power, Ground, Serial Data, and MIL
Electronic Brake Control Module (EBCM), Power Brake (P/B) Booster Pump Motor, Relays and Switches
G400 and G402 - 7 of 8
Charging