GM Service Manual Online
For 1990-2009 cars only
Makes
🢒
Isuzu
🢒
2008
🢒
Isuzu MD F-Series
🢒
Body Systems
🢒
Horns
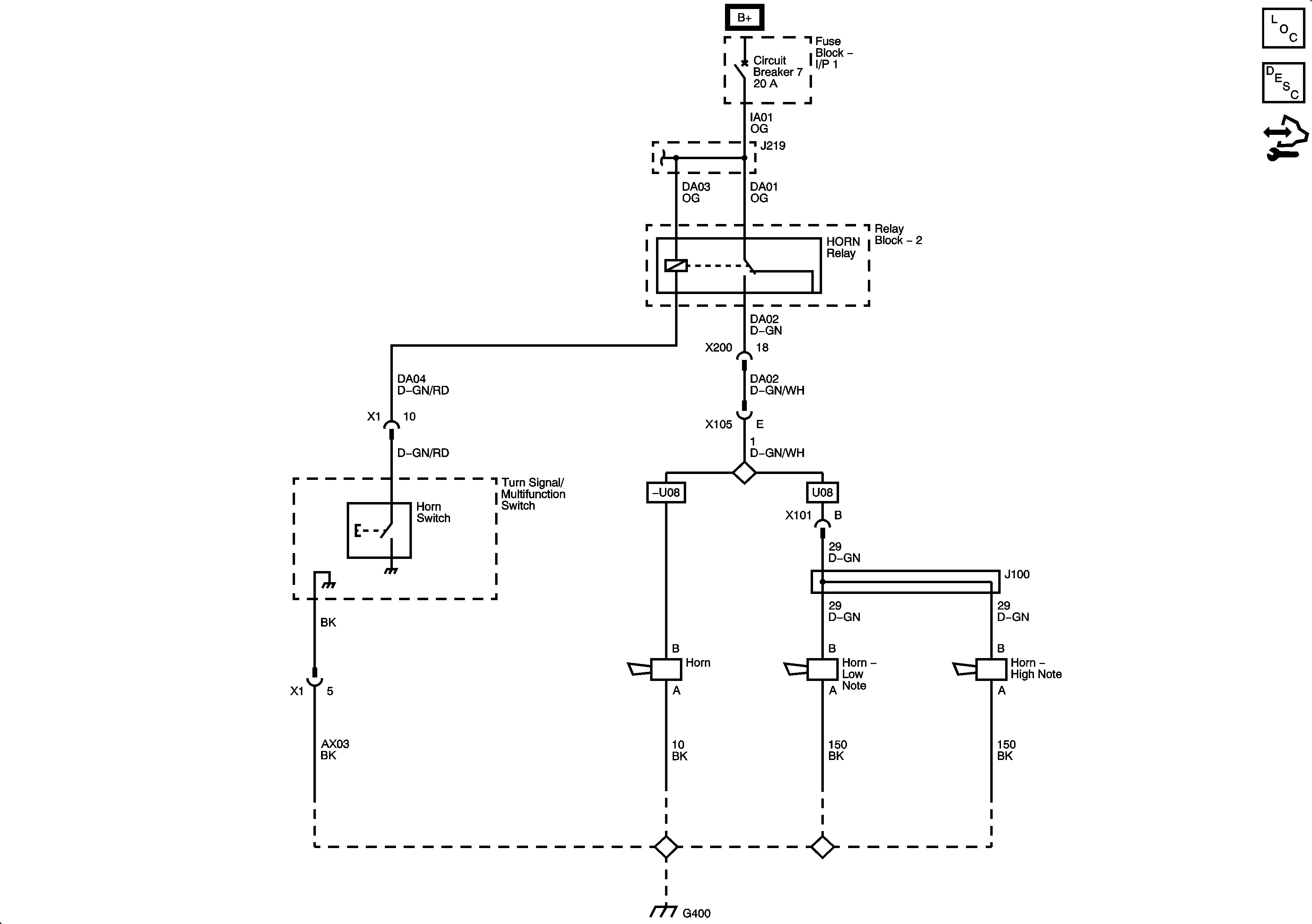
🢒 Horn Schematics
Master Electrical Component List
Horns System Description and Operation
Control Module References
Fuse Block 1: Fuse 2 and Fuse Block I/P 1: Circuit Breakers 4, 7, and 8
Fuse Block 1: Fuse 2 and Fuse Block I/P 1: Circuit Breakers 4, 7, and 8
G400 - 2 of 8