GM Service Manual Online
For 1990-2009 cars only
Makes
🢒
Isuzu
🢒
2008
🢒
Isuzu MD F-Series
🢒
Driver Information and Entertainment
🢒
Cellular, Entertainment, and Navigation
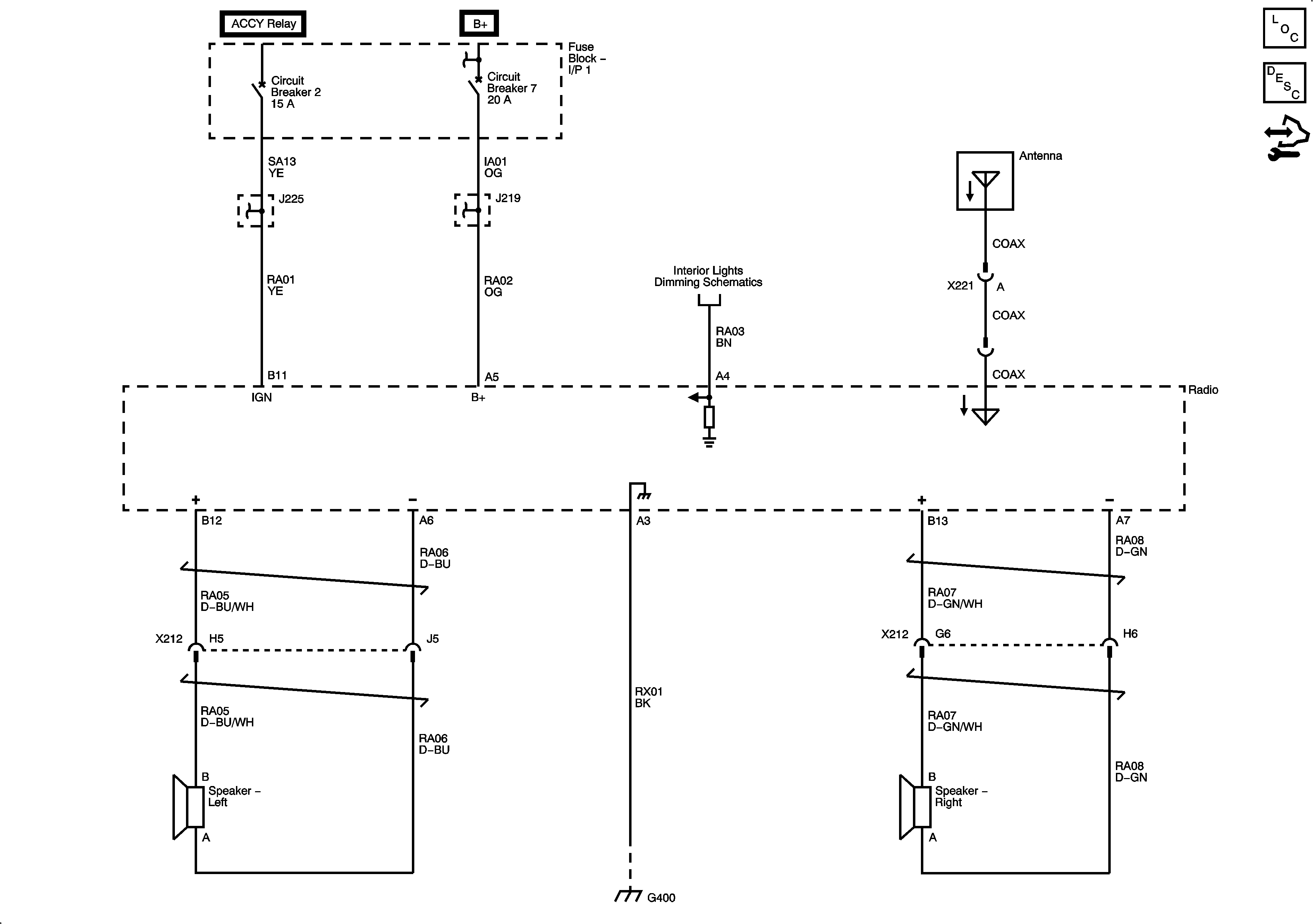
🢒 Radio/Navigation System Schematics
Master Electrical Component List
Radio/Audio System Description and Operation
Control Module References
Fuse Block I/P 1: Circuit Breakers 2 and 3
Fuse Block I/P 1: Circuit Breakers 2 and 3
Fuse Block 1: Fuse 2 and Fuse Block I/P 1: Circuit Breakers 4, 7, and 8
Fuse Block 1: Fuse 2 and Fuse Block I/P 1: Circuit Breakers 4, 7, and 8
I/P Dimmer Switch and Splice J321
G400 - 5 of 8