GM Service Manual Online
For 1990-2009 cars only
Makes
🢒
Isuzu
🢒
2008
🢒
Isuzu MD F-Series
🢒 Air Delivery and Temperature Controls - 1 of 2
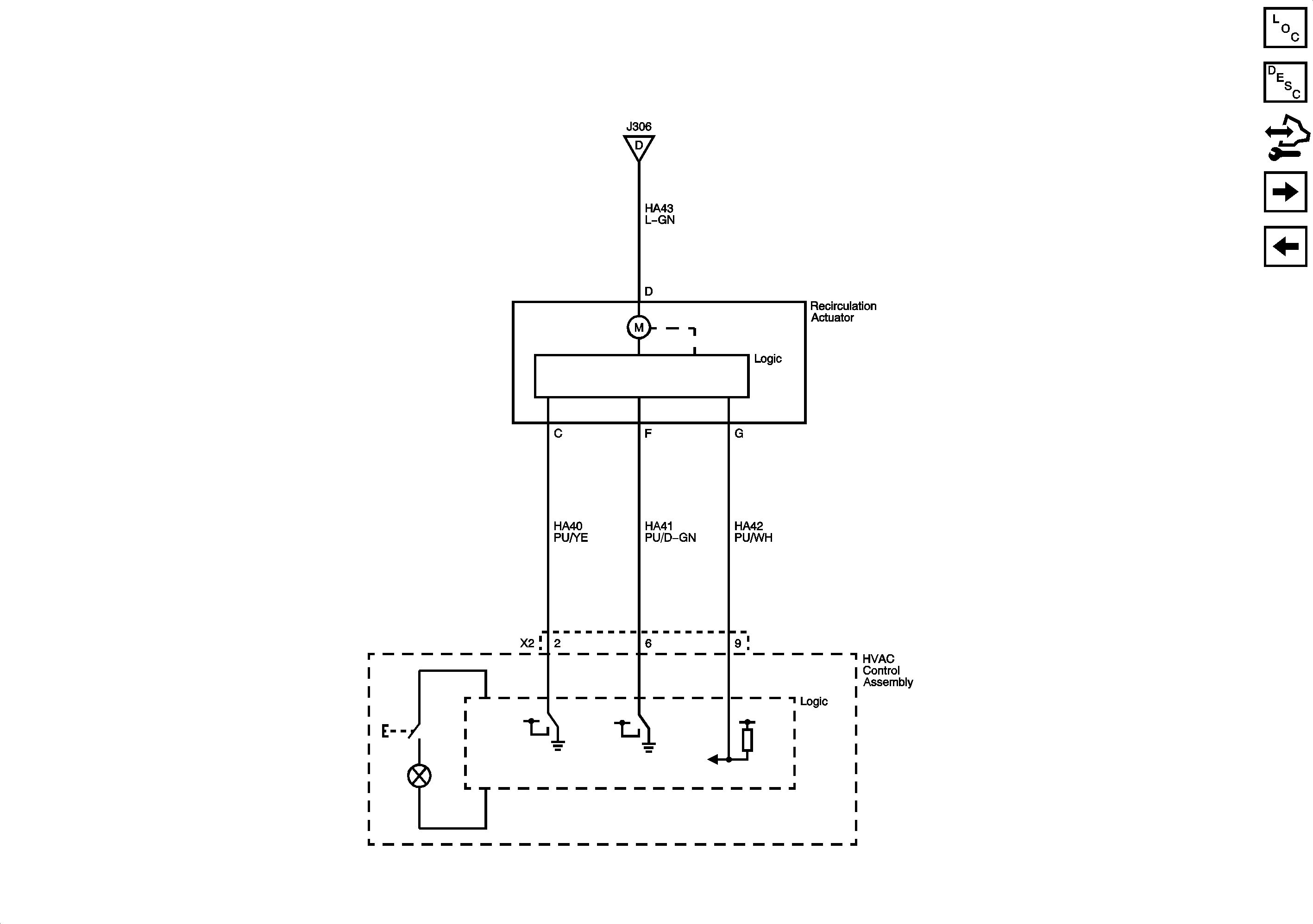
Air Delivery and Temperature Controls - 1 of 2
Air Delivery and Temperature Controls - 1 of 2
Master Electrical Component List
Air Delivery Description and Operation
Control Module References
Air Delivery and Temperature Controls - 2 of 2
A/C Condensor Fan Controls
Blower Controls