GM Service Manual Online
For 1990-2009 cars only
Makes
🢒
Isuzu
🢒
2008
🢒
Isuzu MD F-Series
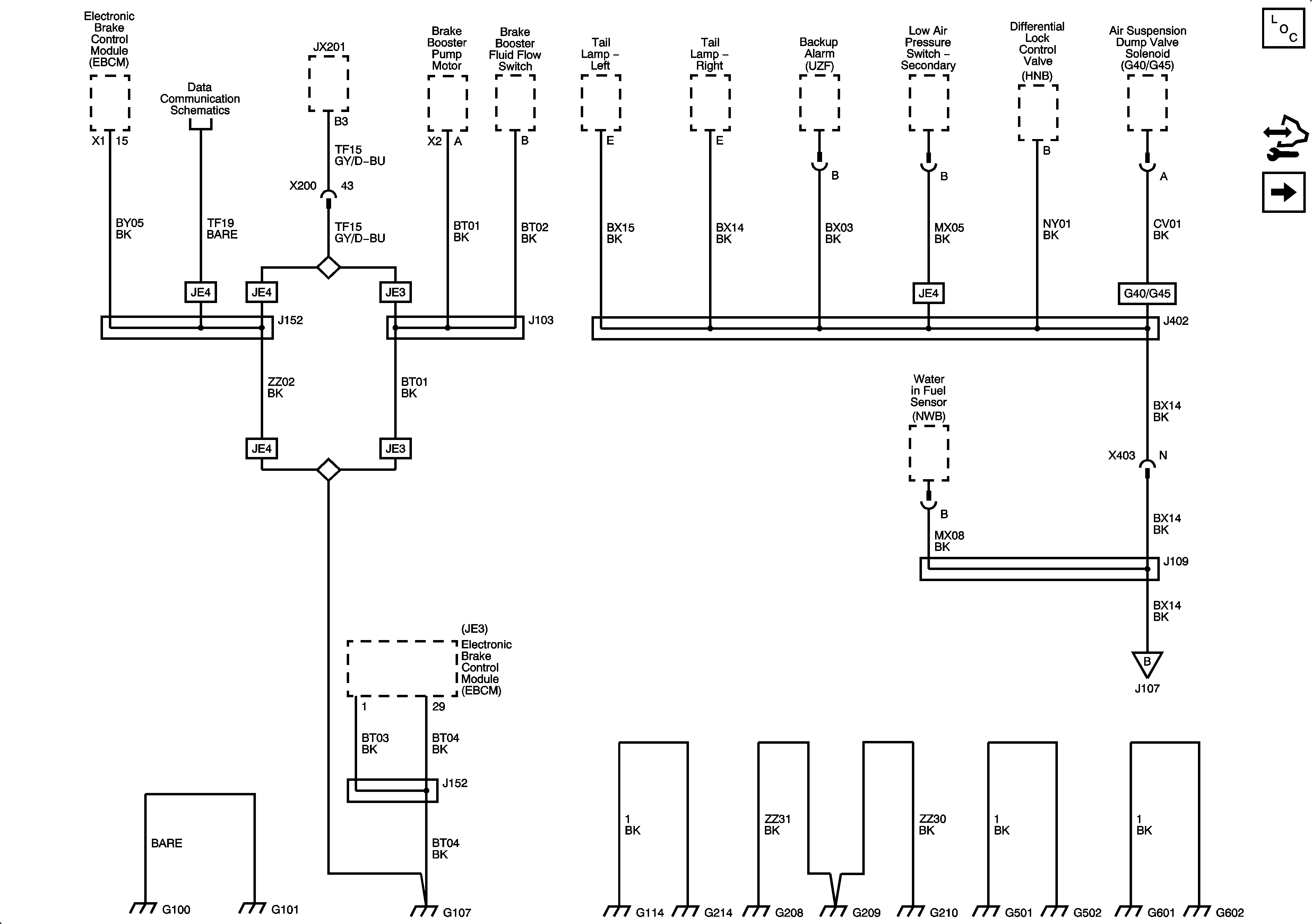
🢒 G100, G101, G102, G107, G114, G208, G209, G210, G214, G501, G502, G601, G602 and G400 - 1 of 8,
G100, G101, G102, G107, G114, G208, G209, G210, G214, G501, G502, G601, G602 and G400 - 1 of 8,
G100, G101, G102, G107, G114, G208, G209, G210, G214, G400 and G402 - 1 of 8, G501, G502, G601, and G602
Master Electrical Component List
Control Module References
G400 - 2 of 8
G400 - 2 of 8