GM Service Manual Online
For 1990-2009 cars only
Makes
🢒
Isuzu
🢒
2008
🢒
Isuzu MD F-Series
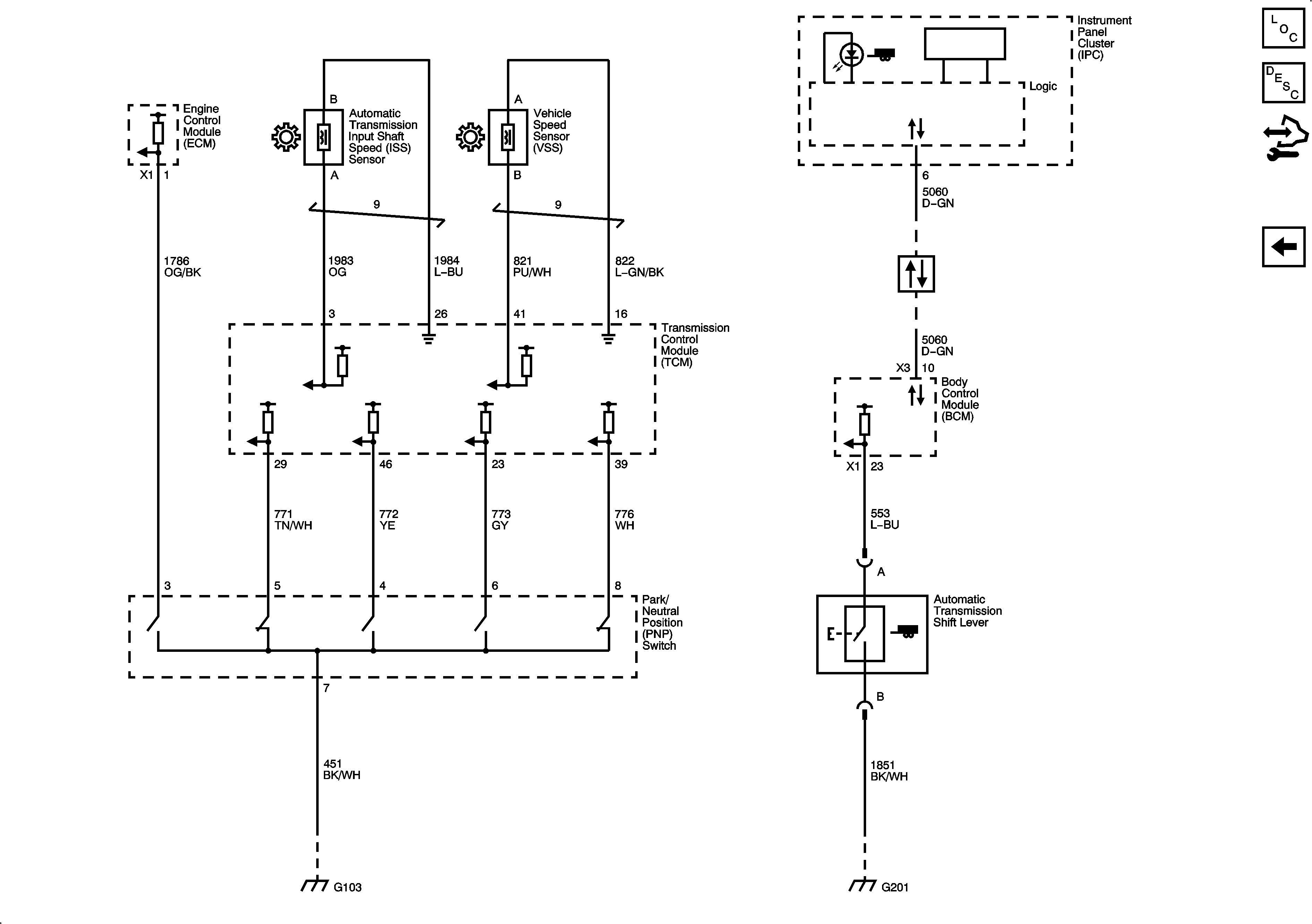
🢒 PNP Signals, Speed Signals, and Tow/Haul Signals
PNP Signals, Speed Signals, and Tow/Haul Signals
PNP Signal, Speed Signals, and Tow/Haul Signal
Master Electrical Component List
Control Module References
Pressure and Temperature Controls