GM Service Manual Online
For 1990-2009 cars only
Makes
🢒
Isuzu
🢒
1998
🢒
Isuzu MD Steel Tilt (F Model)
🢒
Engine
🢒
Engine Electrical
🢒 Starting and Charging Schematics
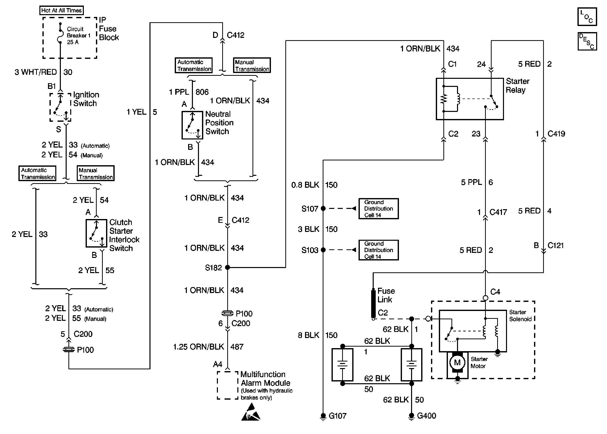
Figure
1:
Cell 30: Starter Circuit Schematic
Engine Electrical Component Views
Starting System Circuit Description
Cell 30: Charging Circuit Schematic
Handling ESD Sensitive Parts Notice
Figure
2:
Cell 30: Charging Circuit Schematic
Engine Electrical Component Views
Charging System Circuit Description
Cell 30: Starter Circuit Schematic
Handling ESD Sensitive Parts Notice