GM Service Manual Online
For 1990-2009 cars only
Makes
🢒
Isuzu
🢒
1998
🢒
Isuzu MD Steel Tilt (F Model)
🢒
HVAC
🢒
Heating, Ventilation and Air Conditioning
🢒 Heater Blower Controls Schematics
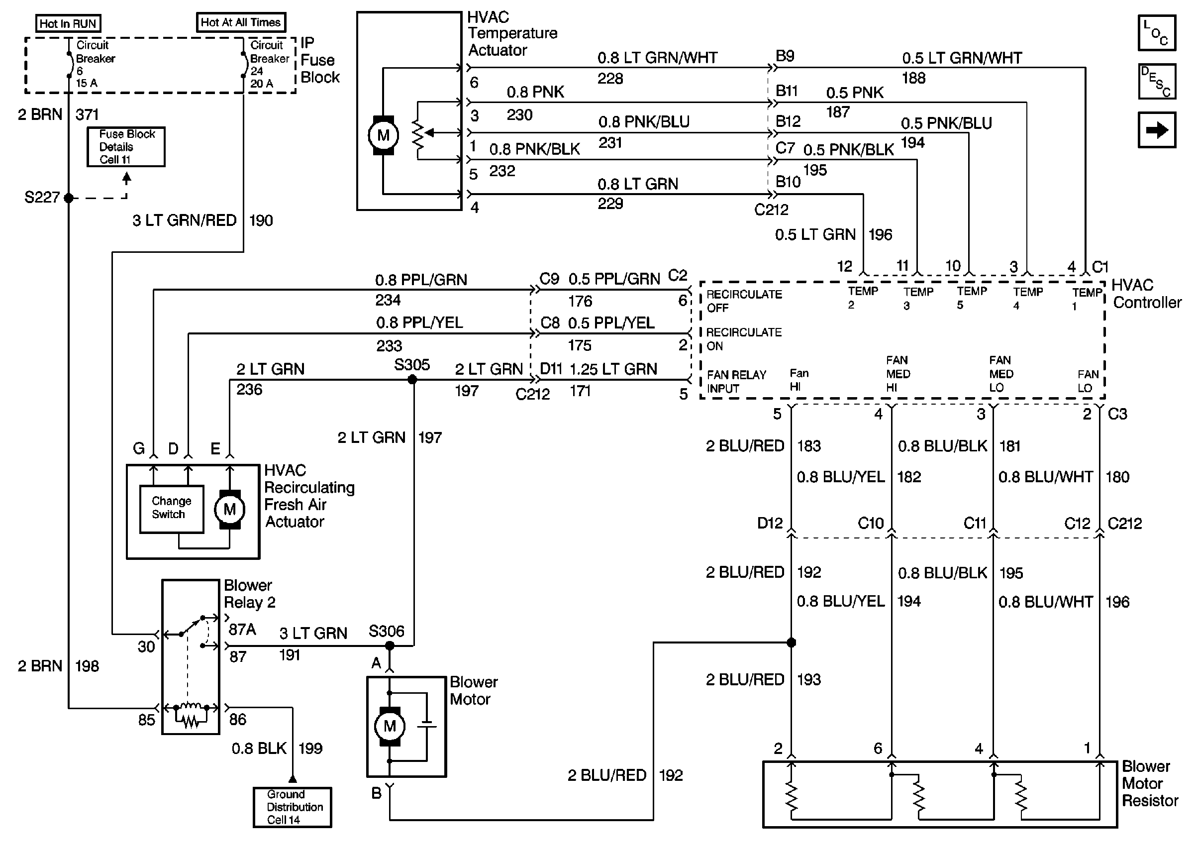
Figure
1:
Cell 60: HVAC Temperature Actuator
Heater Blower Controls Components
Heater Blower Controls Circuit Description
Cell 60: HVAC Mode Actuator
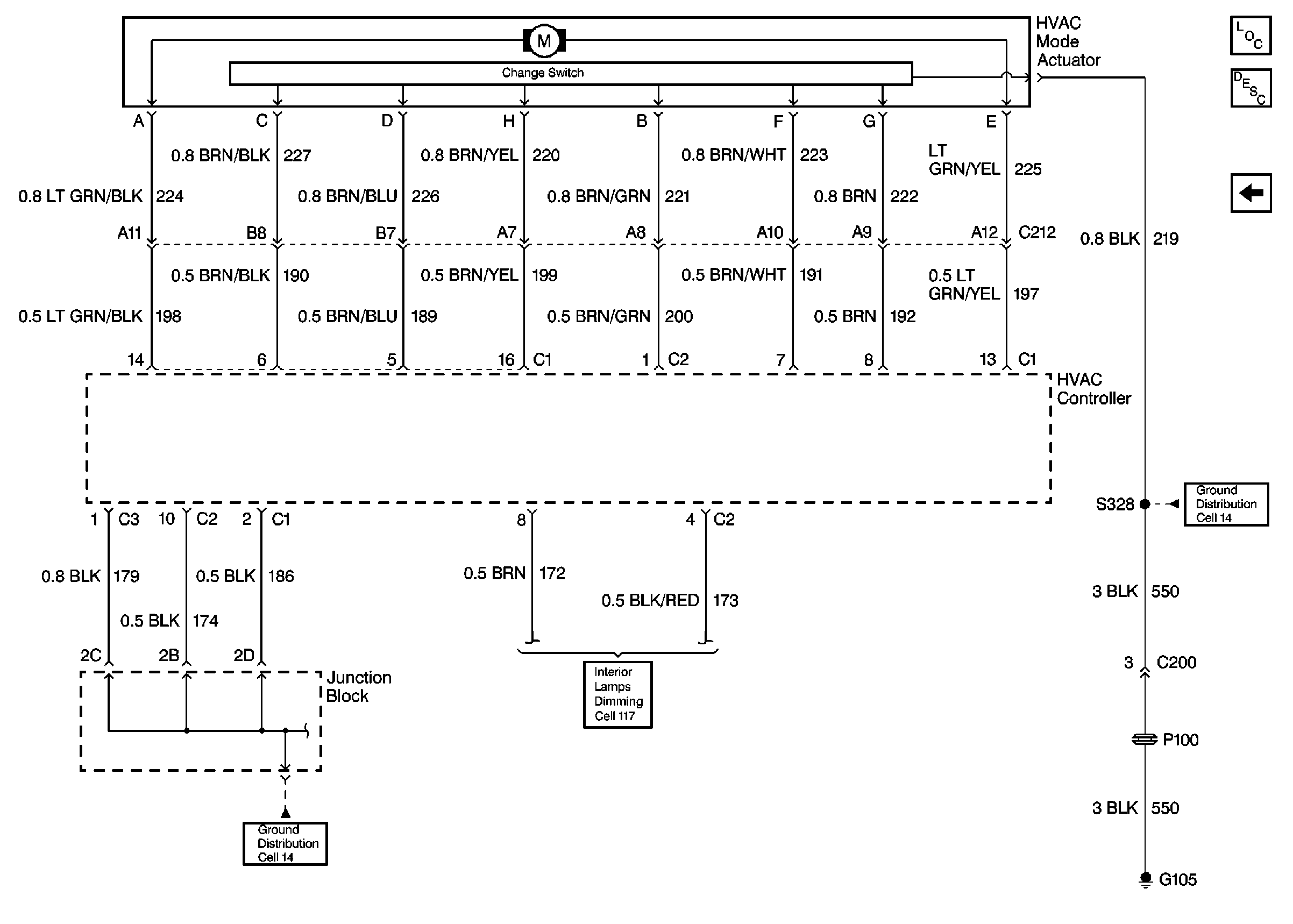
Figure
2:
Cell 60: HVAC Mode Actuator
Heater Blower Controls Components
Heater Blower Controls Circuit Description
Cell 60: HVAC Temperature Actuator