GM Service Manual Online
For 1990-2009 cars only

Heater Pipes Replacement Inlet

Removal Procedure

  1. Drain the engine coolant. Refer to Cooling System Draining and Filling in Engine Cooling.
  2. Remove the inlet hose clamp to the engine pipe.

  3. Object Number: 290969  Size: SH
  4. Remove the hose clamps from the heater core.
  5. Remove the inlet pipe mounting bolts, washers and nuts.
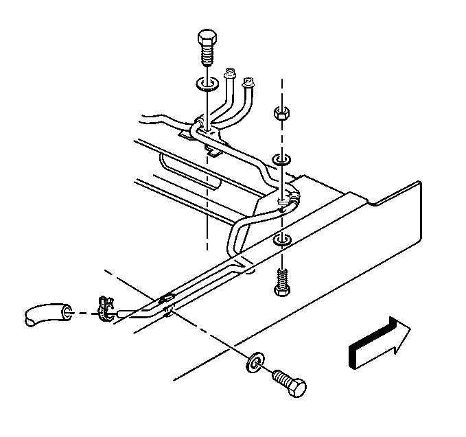
  6. Remove the inlet pipe clamp on the frame.

  7. Object Number: 220038  Size: SH
  8. Remove the inlet pipe.

Installation Procedure


    Object Number: 220038  Size: SH

    Notice: Use the correct fastener in the correct location. Replacement fasteners must be the correct part number for that application. Fasteners requiring replacement or fasteners requiring the use of thread locking compound or sealant are identified in the service procedure. Do not use paints, lubricants, or corrosion inhibitors on fasteners or fastener joint surfaces unless specified. These coatings affect fastener torque and joint clamping force and may damage the fastener. Use the correct tightening sequence and specifications when installing fasteners in order to avoid damage to parts and systems.

  1. Push the pipe into the heater inlet hose connector (1) until the retainer locking tabs lock. (2,3 ) Pull back on the hose to check for proper engagement.
  2. Tighten
    Tighten the quick Connect Heater Inlet Connector to 35 N·m (26 lb ft).

  3. Install the inlet pipe.

  4. Object Number: 290969  Size: SH
  5. Install the pipe clamps on the frame.
  6. Install the inlet pipe mounting bolts, washers and nuts.
  7. Install the inlet hose clamp from the heater core.
  8. Install the inlet hose clamp to the engine pipe.
  9. Fill with engine coolant. Refer to Cooling System Draining and Filling in Engine Cooling.
  10. Inspect the system for leaks.

Heater Pipes Replacement Outlet

Removal Procedure

  1. Drain the engine coolant. Refer to Cooling System Draining and Filling in Engine Cooling.
  2. Remove the hose clamp from the heater core.
  3. Remove the hose clamp from the radiator hose.
  4. Remove the mounting bolt.

  5. Object Number: 291029  Size: SH
  6. Remove the pipe clamp on the frame.

  7. Object Number: 290964  Size: SH
  8. Remove the outlet pipe.

Installation procedure


    Object Number: 290964  Size: SH
  1. Install the outlet pipe.
  2. Install the clamp on the frame.

  3. Object Number: 291029  Size: SH
  4. Install the mounting bolt.
  5. Install the hose clamp from the radiator hose.
  6. Install the hose clamp from the heater core.
  7. Fill with engine coolant. Refer to Cooling System Draining and Filling in Engine Cooling.
  8. Inspect the system for leaks.