GM Service Manual Online
For 1990-2009 cars only
Makes
🢒
Isuzu
🢒
1998
🢒
Isuzu MD Steel Tilt (F Model)
🢒
Body and Accessories
🢒
Lighting Systems
🢒 Headlights/Daytime Running Lights (DRL) Schematics
Figure
1:
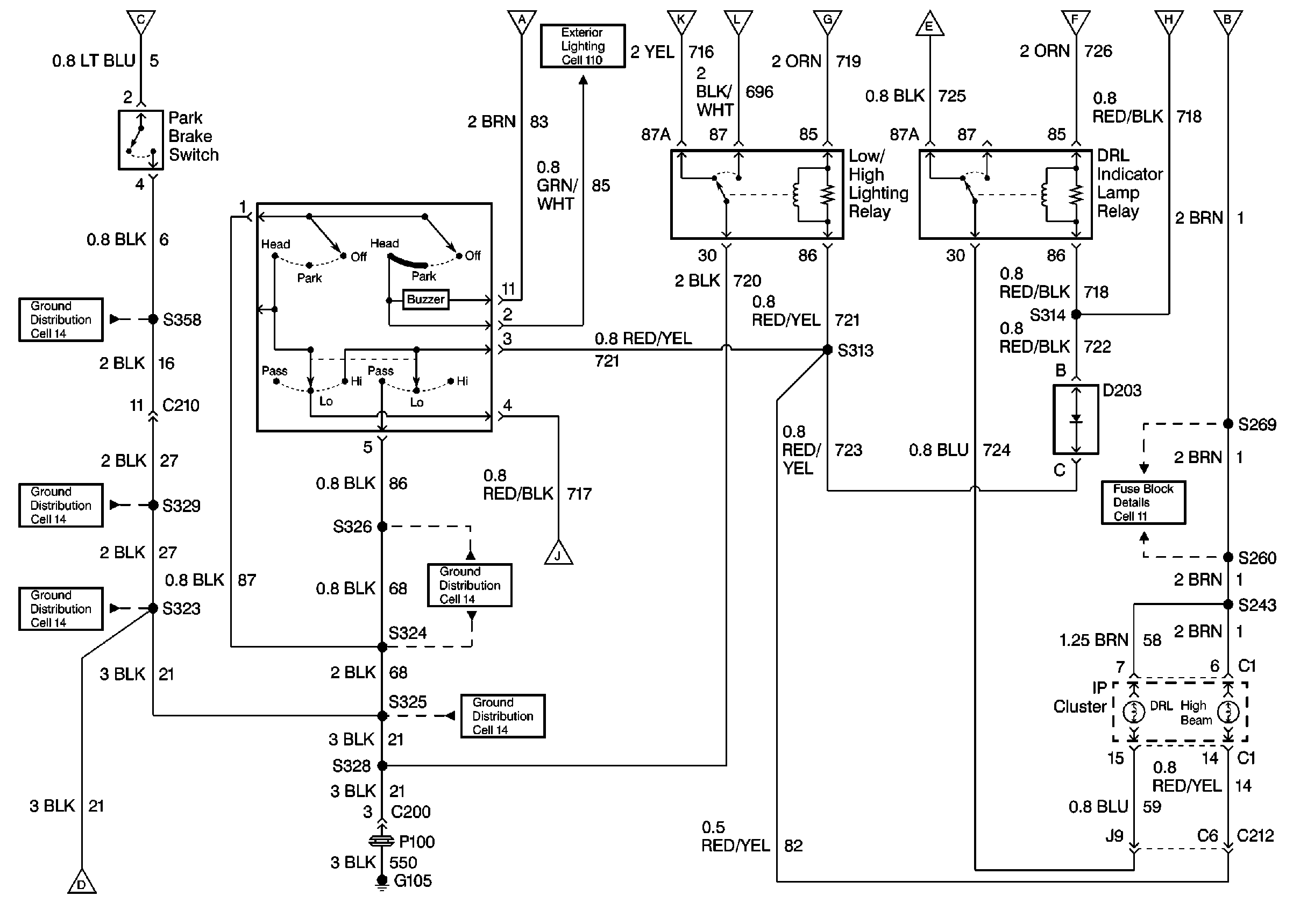
Cell 102: Headlamps: Daytime Running Lamps 1 of 2
Lighting Systems Components
Headlights/Daytime Running Lights (DRL) Circuit Description
Cell 102: Headlamps: Daytime Running Lamps 2 of 2
Cell 102: Headlamps: Daytime Running Lamps 2 of 2
Cell 102: Headlamps: Daytime Running Lamps 2 of 2
Cell 102: Headlamps: Daytime Running Lamps 2 of 2
Cell 102: Headlamps: Daytime Running Lamps 2 of 2
Cell 102: Headlamps: Daytime Running Lamps 2 of 2
Cell 102: Headlamps: Daytime Running Lamps 2 of 2
Cell 102: Headlamps: Daytime Running Lamps 2 of 2
Cell 102: Headlamps: Daytime Running Lamps 2 of 2
Cell 102: Headlamps: Daytime Running Lamps 2 of 2
Cell 102: Headlamps: Daytime Running Lamps 2 of 2
Figure
2:
Cell 102: Headlamps: Daytime Running Lamps 2 of 2
Lighting Systems Components
Headlights/Daytime Running Lights (DRL) Circuit Description
Cell 102: Headlamps: Daytime Running Lamps 1 of 2
Cell 102: Headlamps: Daytime Running Lamps 1 of 2
Handling ESD Sensitive Parts Notice