GM Service Manual Online
For 1990-2009 cars only
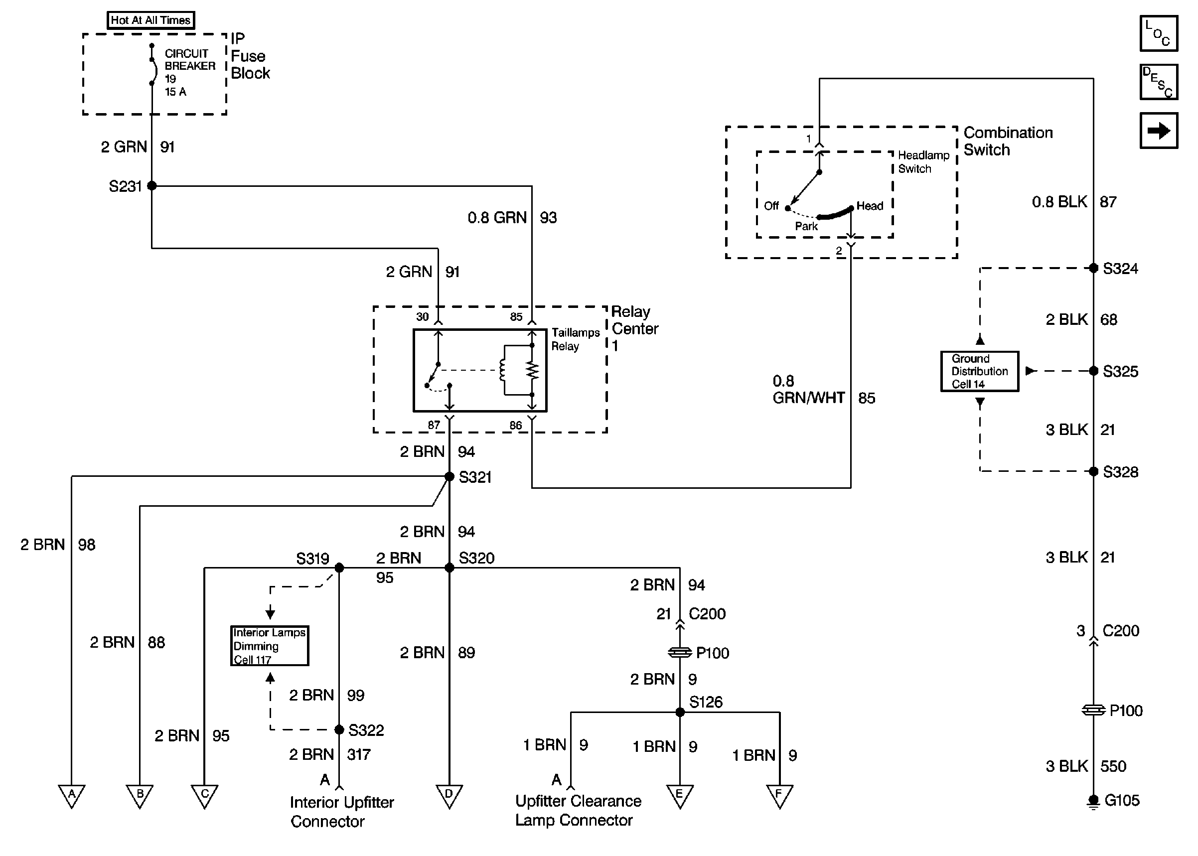
Figure 1:

Cell 110: Tail Lamps Switch and Relay


Object Number: 303081  Size: FS
Lighting Systems Components
Exterior Lights Circuit Description
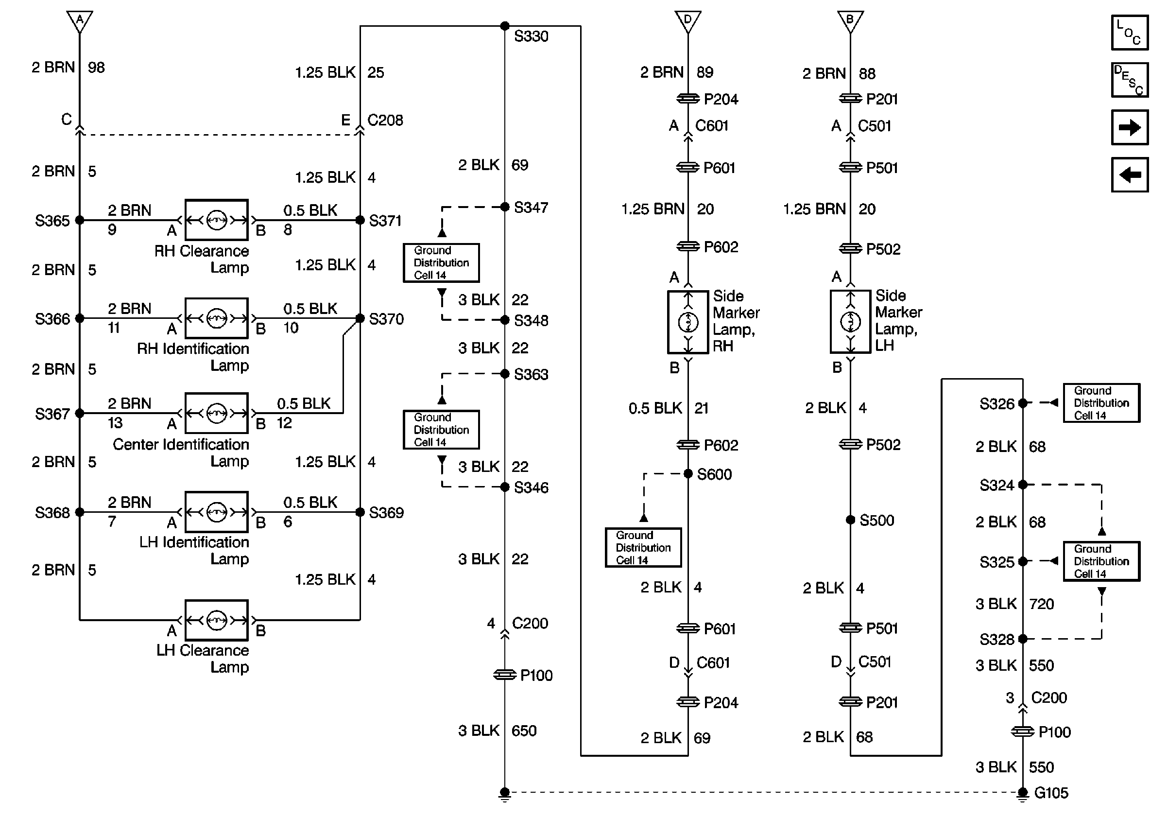
Cell 110: Clearance and Marker Lamps
Cell 110: Clearance and Marker Lamps
Cell 110: Clearance and Marker Lamps
Cell 110: Lighted Mirrors
Cell 110: Clearance and Marker Lamps
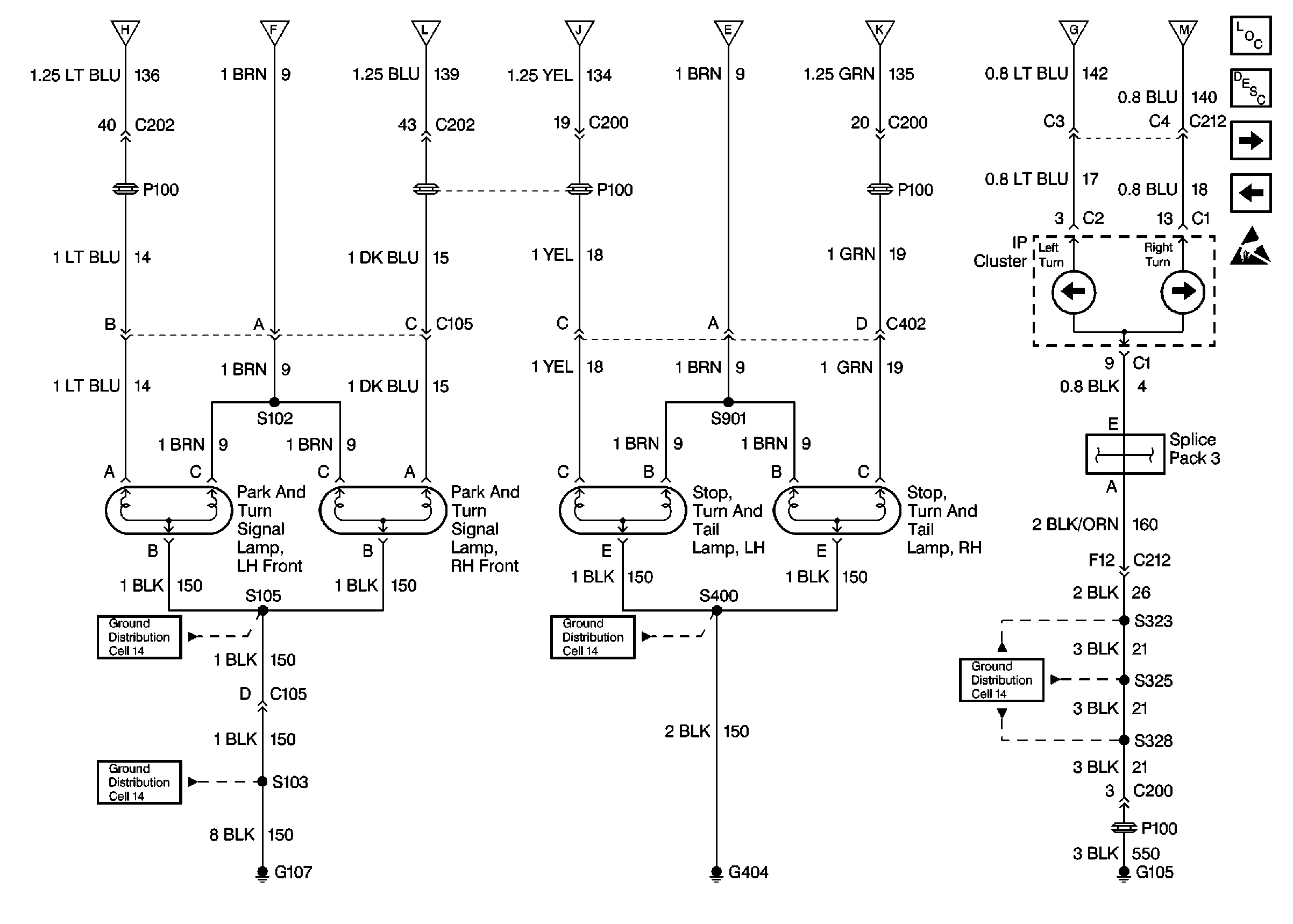
Cell 110: Front and Rear Lighting, IP Lights
Cell 110: Front and Rear Lighting, IP Lights
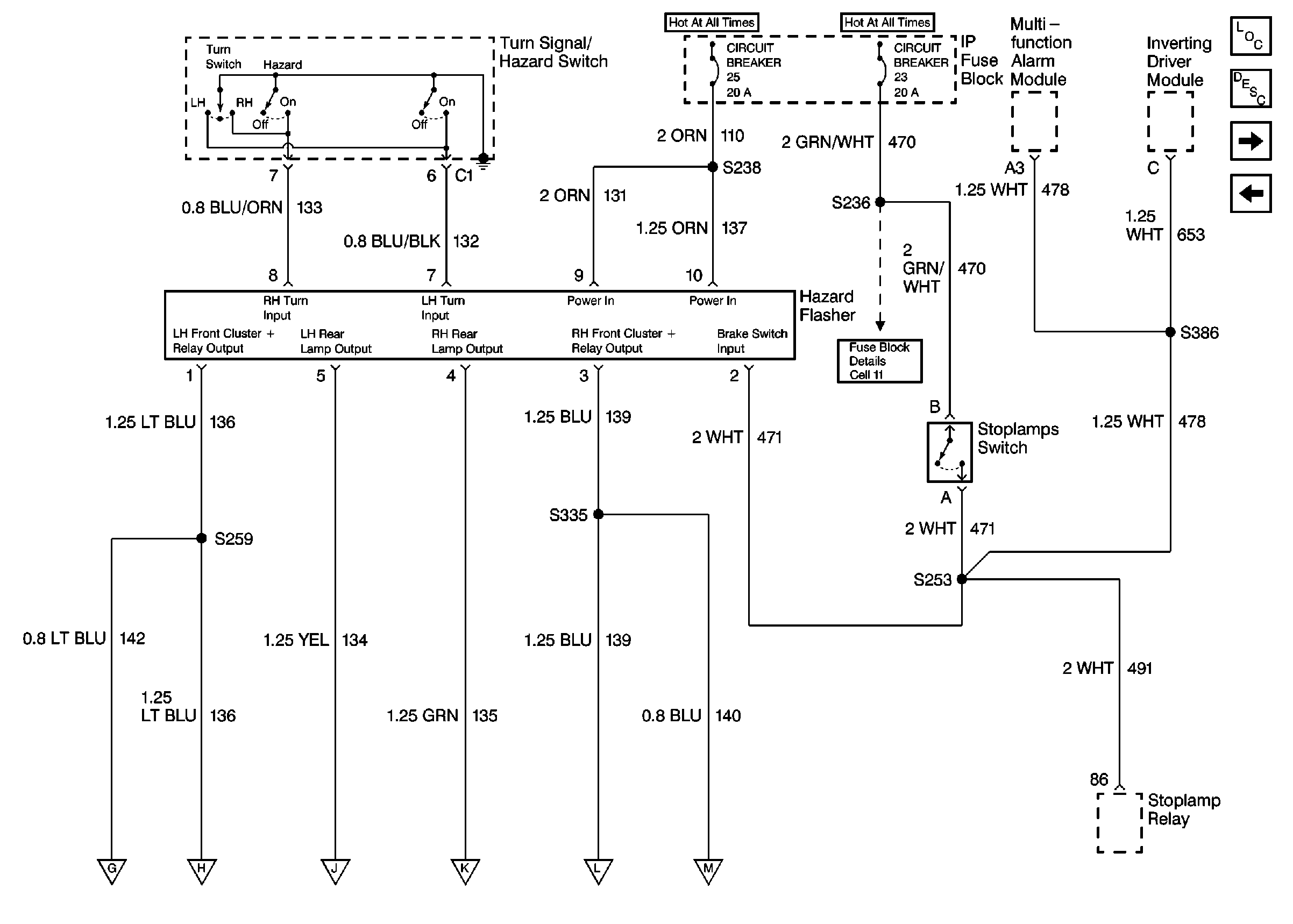
Figure 2:

Cell 110: Clearance and Marker Lamps


Object Number: 303086  Size: FS
Lighting Systems Components
Exterior Lights Circuit Description
Cell 110: Turn/Hazard Flasher, Stop Lamp Switch (Hydraulic Brakes)
Cell 110: Tail Lamps Switch and Relay
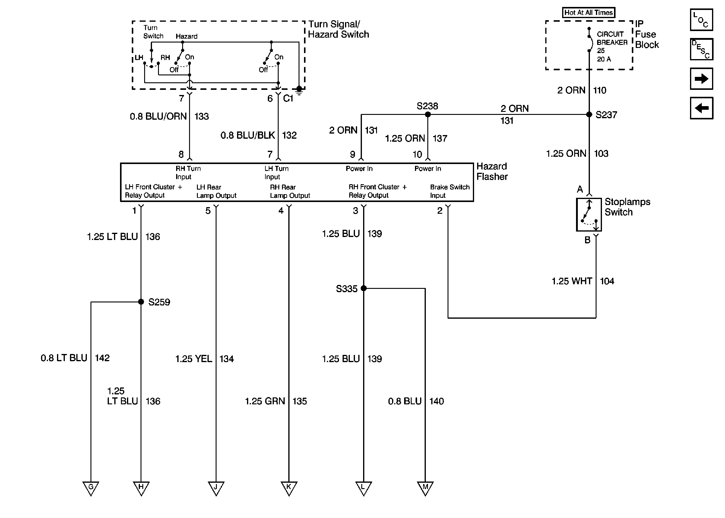
Figure 3:

Cell 110: Turn/Hazard Flasher, Stop Lamp Switch (Hydraulic Brakes)


Object Number: 303091  Size: FS
Lighting Systems Components
Exterior Lights Circuit Description
Cell 110: Turn/Hazard Flasher, Stop Lamps Switch (Air Brakes)
Cell 110: Clearance and Marker Lamps
Handling ESD Sensitive Parts Notice
Cell 110: Front and Rear Lighting, IP Lights
Cell 110: Front and Rear Lighting, IP Lights
Cell 110: Front and Rear Lighting, IP Lights
Cell 110: Front and Rear Lighting, IP Lights
Cell 110: Front and Rear Lighting, IP Lights
Cell 110: Front and Rear Lighting, IP Lights
Figure 4:

Cell 110: Turn/Hazard Flasher,Stop Lamps Switch (Air Brakes)


Object Number: 303097  Size: FS
Lighting Systems Components
Exterior Lights Circuit Description
Cell 110: Front and Rear Lighting, IP Lights
Cell 110: Turn/Hazard Flasher, Stop Lamp Switch (Hydraulic Brakes)
Cell 110: Front and Rear Lighting, IP Lights
Cell 110: Front and Rear Lighting, IP Lights
Cell 110: Front and Rear Lighting, IP Lights
Cell 110: Front and Rear Lighting, IP Lights
Cell 110: Front and Rear Lighting, IP Lights
Cell 110: Front and Rear Lighting, IP Lights
Figure 5:

Cell 110: Front and Rear Lighting, IP Lights


Object Number: 303103  Size: FS
Lighting Systems Components
Exterior Lights Circuit Description
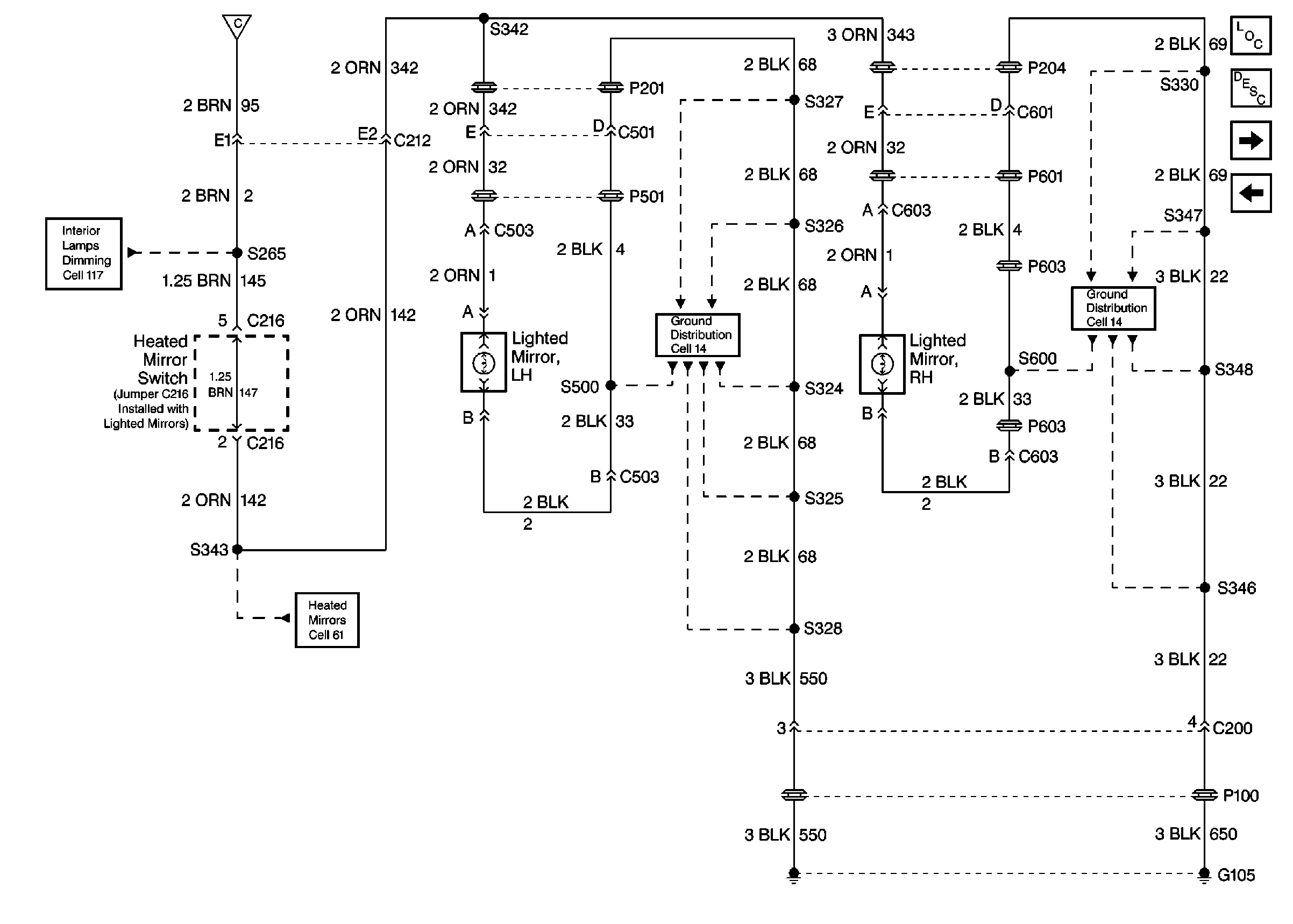
Cell 110: Lighted Mirrors
Cell 110: Turn/Hazard Flasher, Stop Lamps Switch (Air Brakes)
Handling ESD Sensitive Parts Notice
Figure 6:

Cell 110: Lighted Mirrors


Object Number: 303107  Size: FS
Lighting Systems Components
Exterior Lights Circuit Description
Cell 110: Front and Rear Lighting, IP Lights