GM Service Manual Online
For 1990-2009 cars only
Makes
🢒
Isuzu
🢒
1998
🢒
Isuzu MD Steel Tilt (F Model)
🢒
Body and Accessories
🢒
Lighting Systems
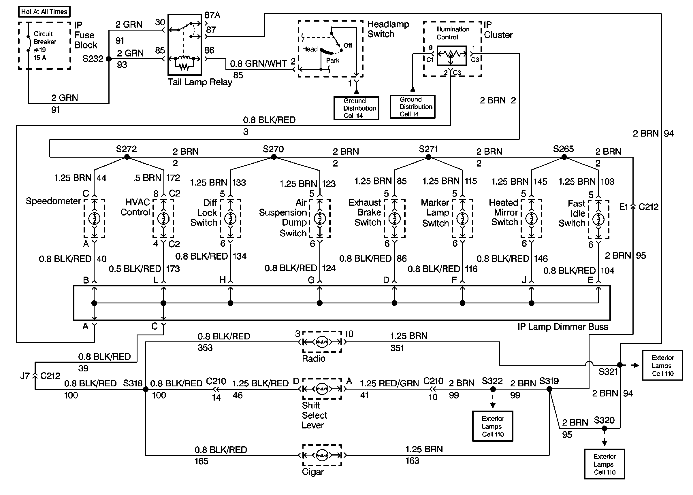
🢒 Interior Lights Dimming Schematics
Cell 117: Interior Lights -- Dimming
Lighting Systems Components
Interior Lights Dimming Circuit Description