GM Service Manual Online
For 1990-2009 cars only
Makes
🢒
Isuzu
🢒
1998
🢒
Isuzu MD Steel Tilt (F Model)
🢒
Body and Accessories
🢒
Entertainment
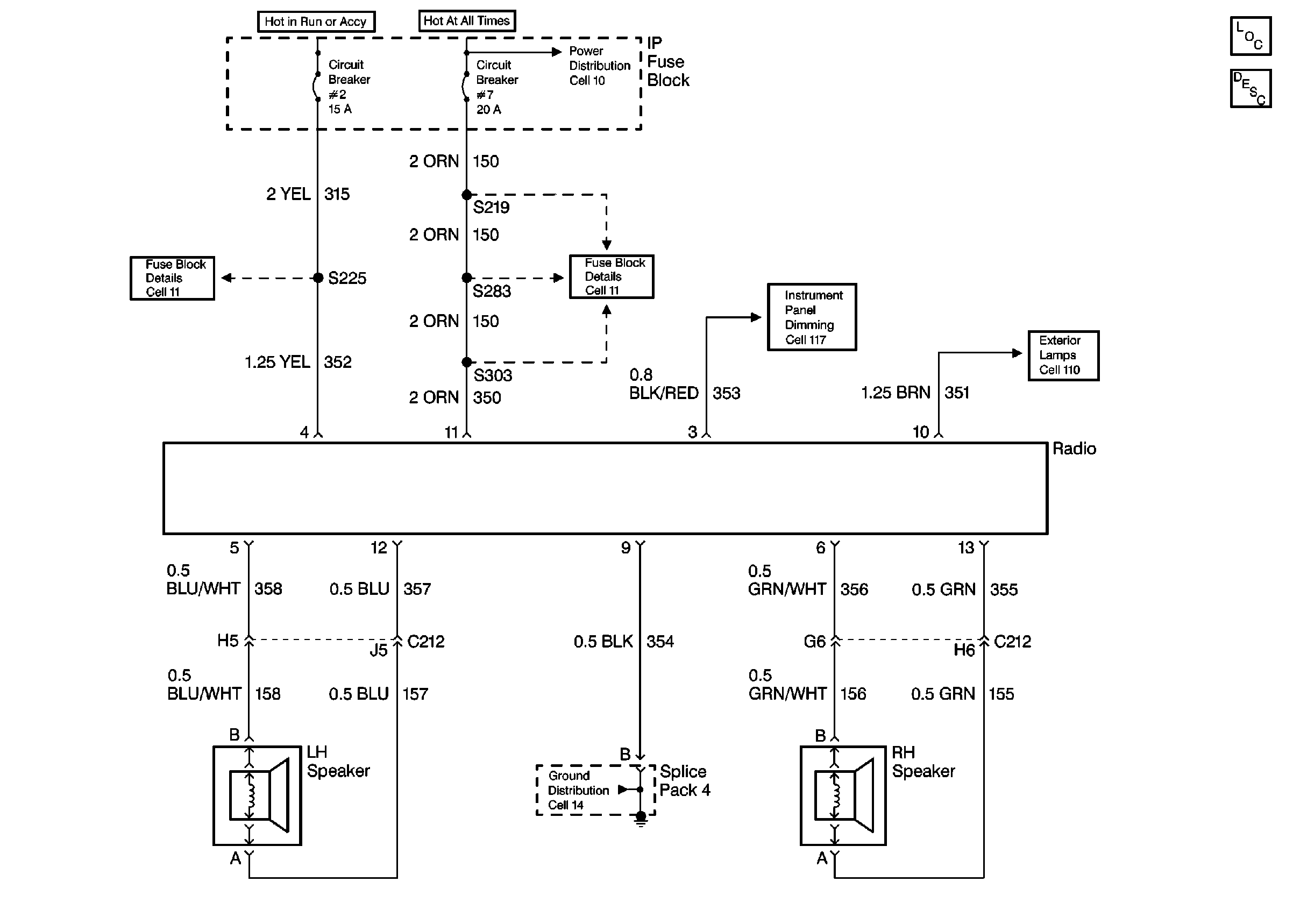
🢒 Radio/Audio System Schematics
Cell 150: Entertainment System
Entertainment Components
Radio/Audio System Circuit Description