GM Service Manual Online
For 1990-2009 cars only
Figure 1:

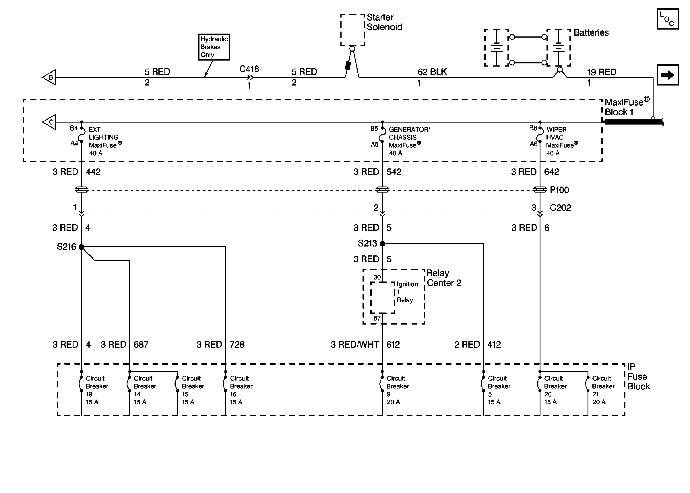
Cell 10: Ext Lighting, Generator/Chassis, Wiper HVAC MaxiFuses®


Object Number: 301585  Size: FS
Power and Grounding Components
Cell 10: Brk Boost Mtr, Computer/Prk Brk/Eng Control, AuxMaxiFuses®
Cell 10: Brk Boost Mtr, Computer/Prk Brk/Eng Control, AuxMaxiFuses®
Cell 10: Brk Boost Mtr, Computer/Prk Brk/Eng Control, AuxMaxiFuses®
Figure 2:

Cell 10: Brk Boost Mtr, Computer/Prk Brk/Eng Control, Aux MaxiFuses®


Object Number: 301591  Size: FS
Power and Grounding Components
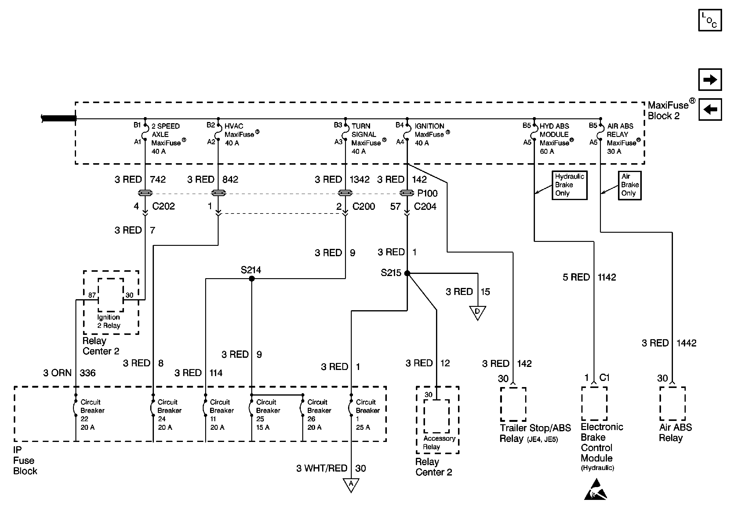
Cell 10: 2 Speed Axle, HVAC, Turn Signal, Ignition MaxiFuses®
Cell 10: Ext Lighting, Generator/Chassis, Wiper HVAC MaxiFuses®
Figure 3:

Cell 10: 2 Speed Axle, HVAC, Turn Signal, Ignition MaxiFuses®


Object Number: 301588  Size: FS
Power and Grounding Components
Cell 10: Ignition MaxiFuse® (Cont.)
Cell 10: Brk Boost Mtr, Computer/Prk Brk/Eng Control, AuxMaxiFuses®
Handling ESD Sensitive Parts Notice
Cell 10: Ignition MaxiFuse® (Cont.)
Cell 10: Ignition MaxiFuse® (Cont.)
Figure 4:

Cell 10: Ignition MaxiFuse® (Cont.)


Object Number: 301594  Size: FS
Power and Grounding Components
Cell 10: 2 Speed Axle, HVAC, Turn Signal, Ignition MaxiFuses®